GM Service Manual Online
For 1990-2009 cars only
Makes
🢒
Pontiac
🢒
2007
🢒
Wave
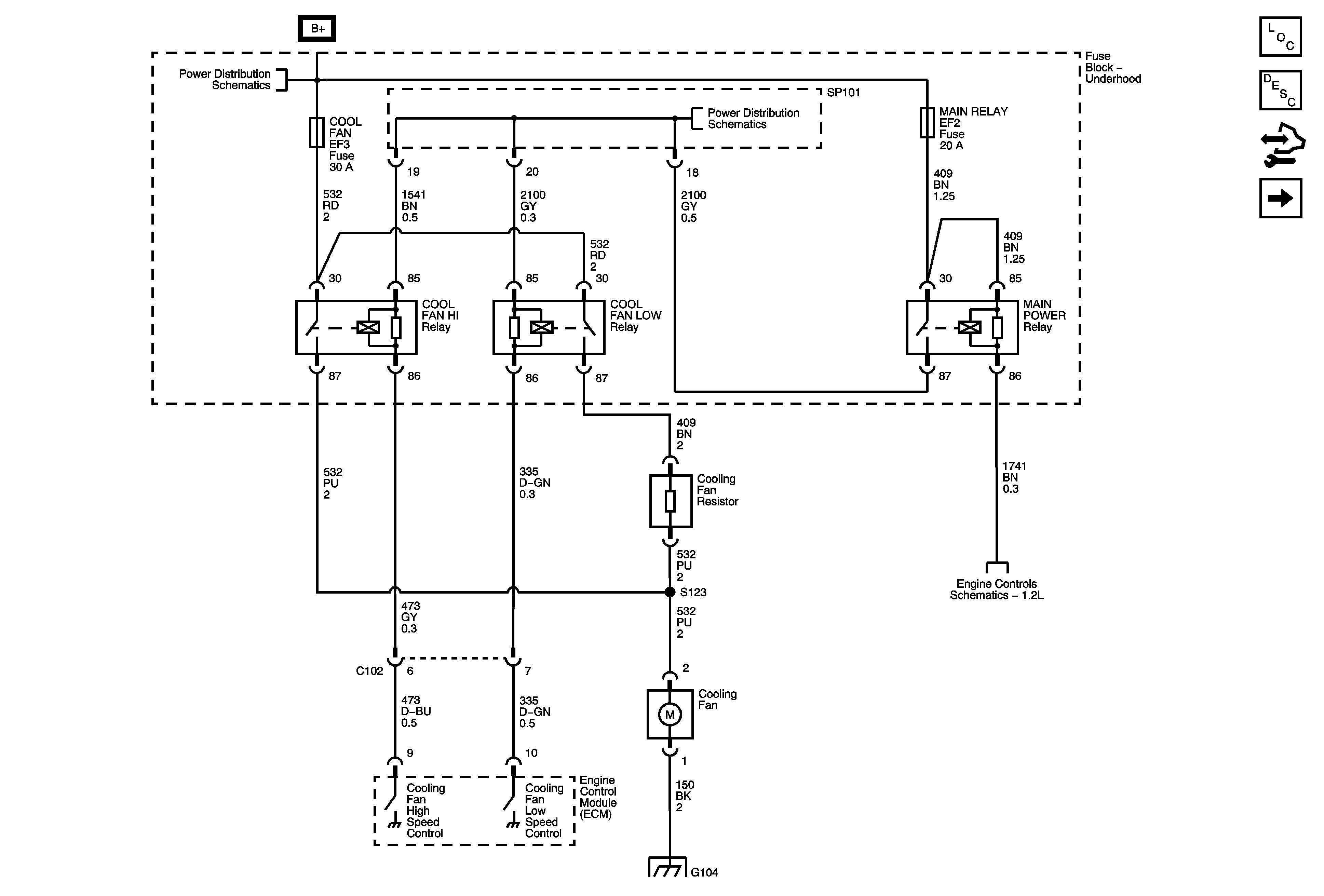
🢒 Engine Cooling 1.2L
Engine Cooling 1.2L
1.2L
Master Electrical Component List (Hatchback)
Cooling System Description and Operation
Control Module References
Engine Cooling 1.4L, 1.5L
Battery Feed
Power Distribution Fuse F18
Power, Ground and MIL
G104