GM Service Manual Online
For 1990-2009 cars only
Makes
🢒
Pontiac
🢒
2007
🢒
Wave
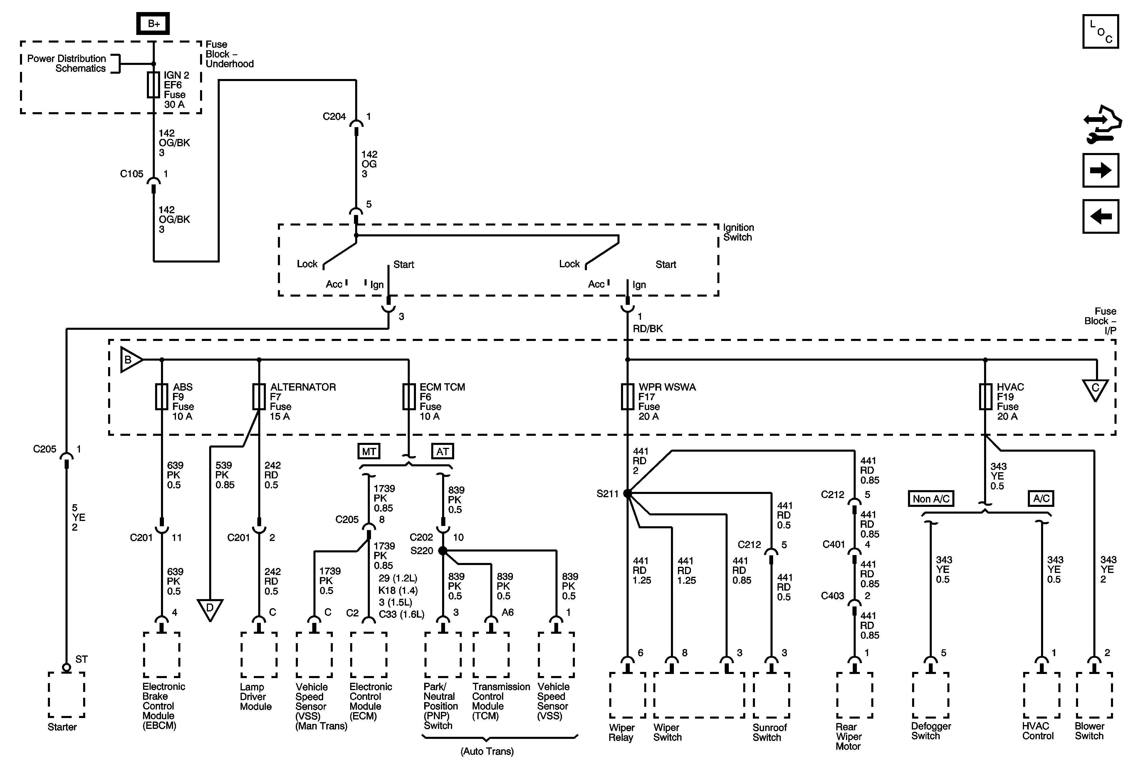
🢒 Power Distribution Ignition Switch and Fuses F6,7 - 1 of 2, 17 and 18
Power Distribution Ignition Switch and Fuses F6,7 - 1 of 2, 17 and 18
Fuse Block - Underhood EF6 Fuse, Ignition Switch, Fuse Block - I/P F6, F7, F9, F17 and F19 Fuses
Master Electrical Component List (Hatchback)
Control Module References
Power Distribution Fuse F7 - 2 of 2
Ignition Switch and Fuses EF5, F1, 2, 3, 4, 5, 8, and 11
Battery Feed
Ignition Switch and Fuses EF5, F1, 2, 3, 4, 5, 8, and 11
Power Distribution Fuse F18
Power Distribution Fuse F7 - 2 of 2