GM Service Manual Online
For 1990-2009 cars only
Makes
🢒
Saab
🢒
2005
🢒
9-7x
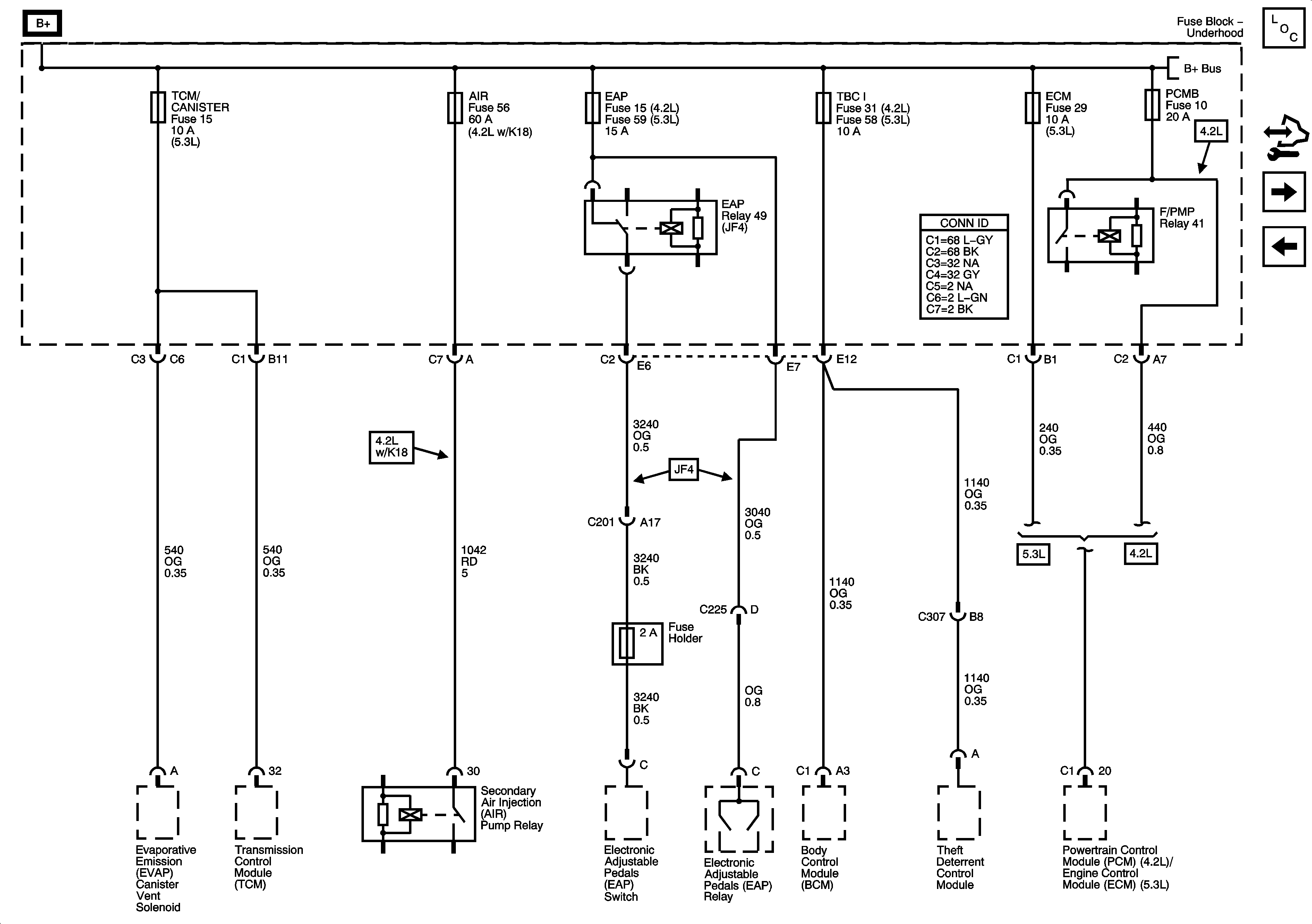
🢒 AIR, EAP, ECM, PCMB, TBC 1, and TCM/CANISTER Fuses
AIR, EAP, ECM, PCMB, TBC 1, and TCM/CANISTER Fuses
AIR, EAP, ECM, PCMB, TBC1, and TCM/CANISTER Fuses
Master Electrical Component List
Control Module References
HVAC B, LGM/DSM, OH BATT/ONSTAR, and RADIO Fuses
ABS, ATC, BLOWER, CIGAR, ECAS, ELEC BRK, FLASH, IPC/DIC, ST/LP, TRAILER, VEH CHMSL, and VEH STOP Fuses
B+ Bus - Underhood Fuse Block - 1 of 2