GM Service Manual Online
For 1990-2009 cars only
Makes
🢒
Saab
🢒
2005
🢒
9-7x
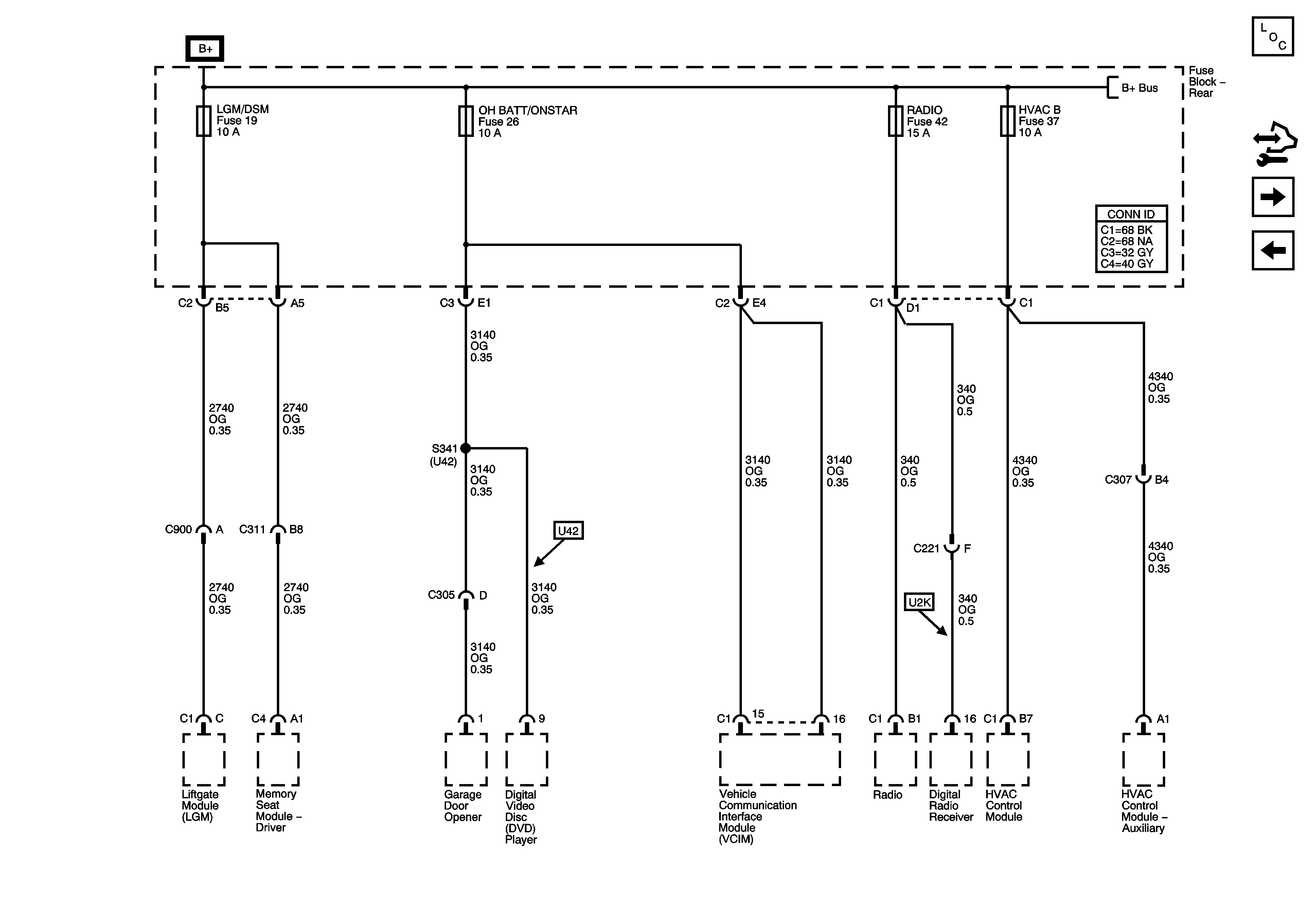
🢒 HVAC B, LGM/DSM, OH BATT/ONSTAR, and RADIO Fuses
HVAC B, LGM/DSM, OH BATT/ONSTAR, and RADIO Fuses
HVAC B, LGM/DSM, OH BATT/ONSTAR, and RADIO Fuses
Master Electrical Component List
Control Module References
AUX PWR 1, S/ROOF, TBC 2, TBC 3, TBC 4, and TBC 5 Fuses
AIR, EAP, ECM, PCMB, TBC 1, and TCM/CANISTER Fuses
B+ Bus - Rear Fuse Block