GM Service Manual Online
For 1990-2009 cars only
Makes
🢒
Saab
🢒
2005
🢒
9-7x
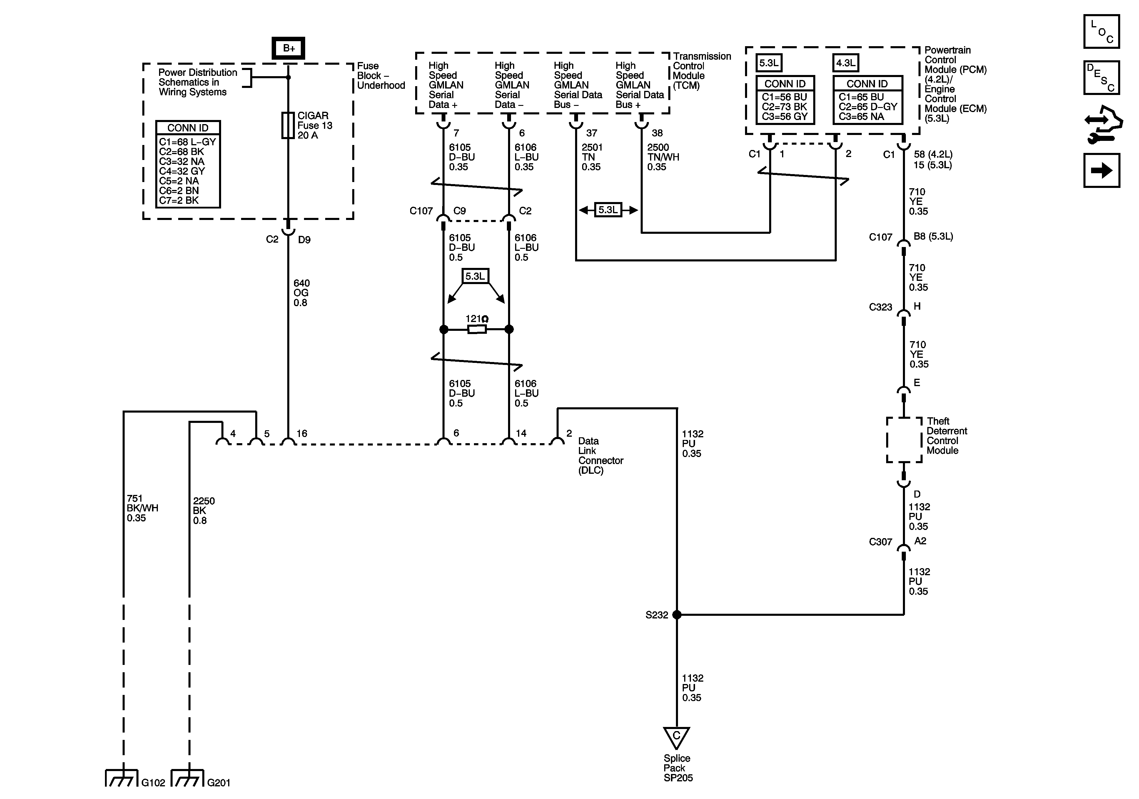
🢒 Power, Ground, Data Link Connector
Power, Ground, Data Link Connector
Power, Ground, and Data Link Connector
Master Electrical Component List
Data Link Communications Description and Operation
Control Module References
SP 205
COILS, HDM, HI HDLP-LT, HI HDLP-RT, LH HDLP, LOW HDLP-LT, LOW HDLP-RT, RH HDLP, TRL L TRN, and TRL R TRN
G102
G201 - 1 of 2
SP 205