GM Service Manual Online
For 1990-2009 cars only
Makes
🢒
Saab
🢒
2005
🢒
9-7x
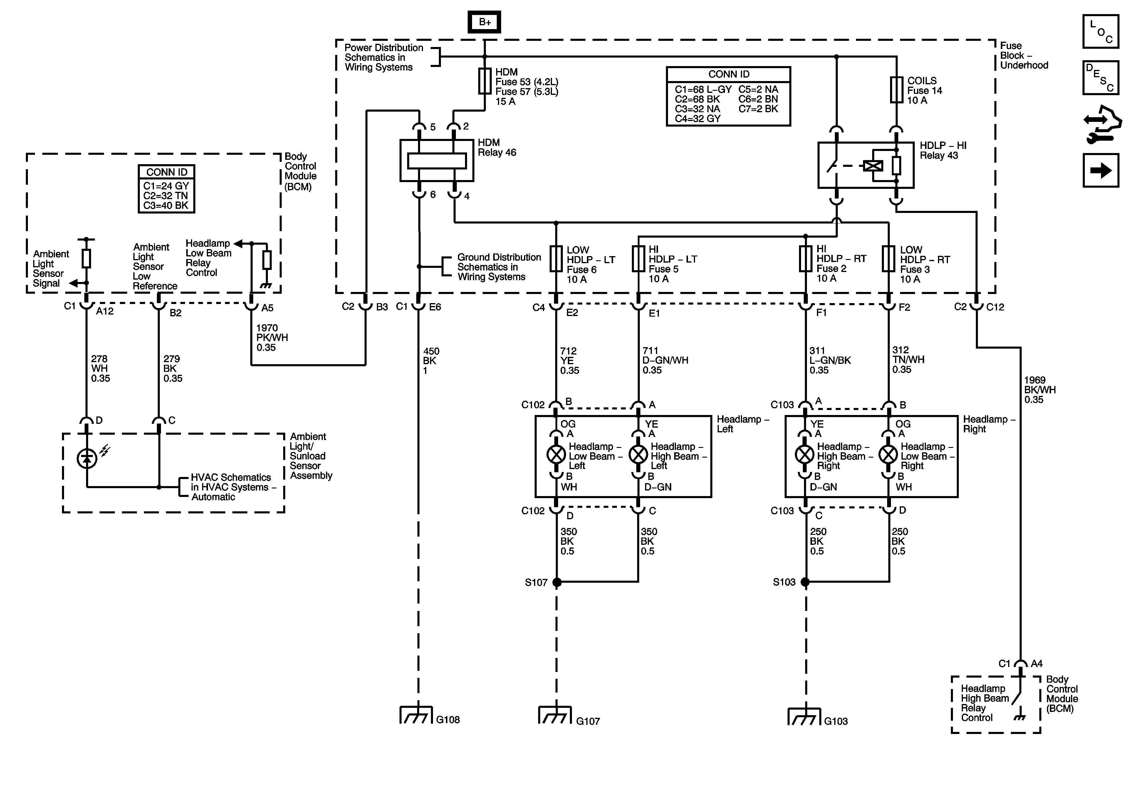
🢒 Headlamps (w/o TT6)
Headlamps (w/o TT6)
Headlamps (w/o TT6)
Master Electrical Component List
Air Temperature Description and Operation
Control Module References
Ambient Light/Sunload Sensors
Ambient Light/Sunload Sensors
B+ Bus - Underhood Fuse Block - 2 of 2
G108
G104, G105 and G107
G101, G103, G106, and G110