GM Service Manual Online
For 1990-2009 cars only
Makes
🢒
Saab
🢒
2005
🢒
9-7x
🢒 Outside Mirrors
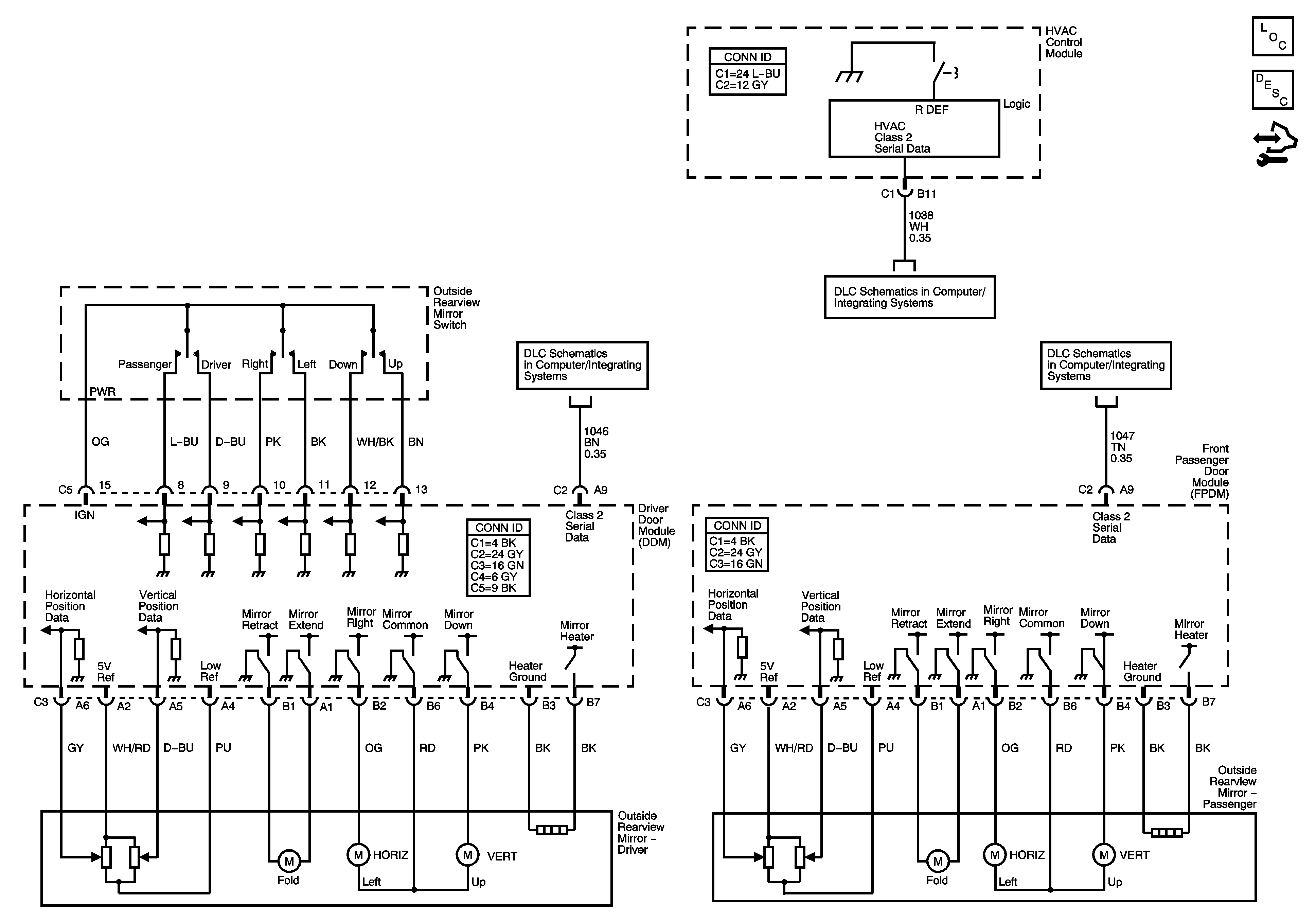
Outside Mirrors
Master Electrical Component List
Outside Mirror Description and Operation
Control Module References
SP306
SP 205
SP306