GM Service Manual Online
For 1990-2009 cars only
Makes
🢒
Saab
🢒
2006
🢒
9-7x
🢒
Vehicle Control Systems
🢒
Vehicle DTC Information
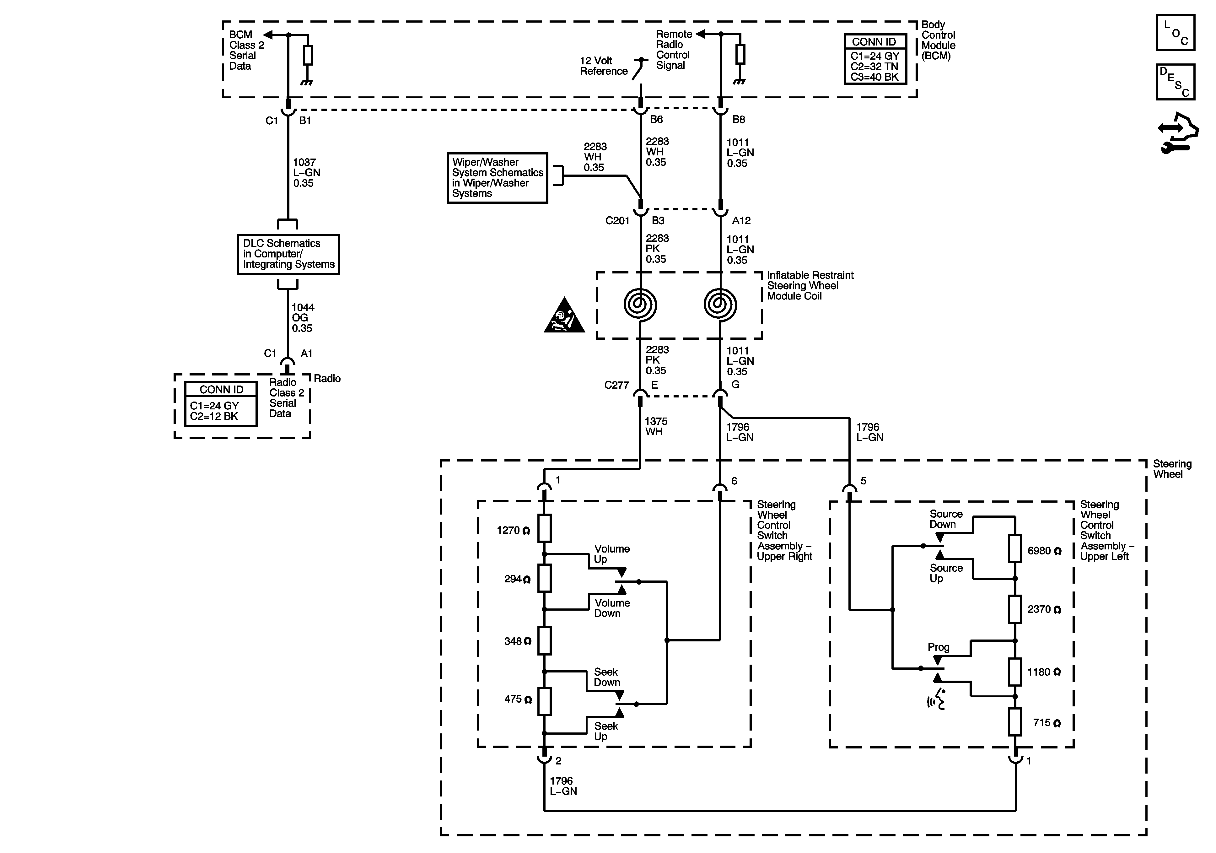
🢒 Steering Wheel Schematics
Master Electrical Component List
Steering Wheel Controls Description and Operation
Control Module References
SP 205
Rear Wiper/Washer Controls
Steering Wheel and Column Schematic Icons