GM Service Manual Online
For 1990-2009 cars only
Makes
🢒
Saab
🢒
2006
🢒
9-7x
🢒
Vehicle Control Systems
🢒
Computer/Integrating Systems
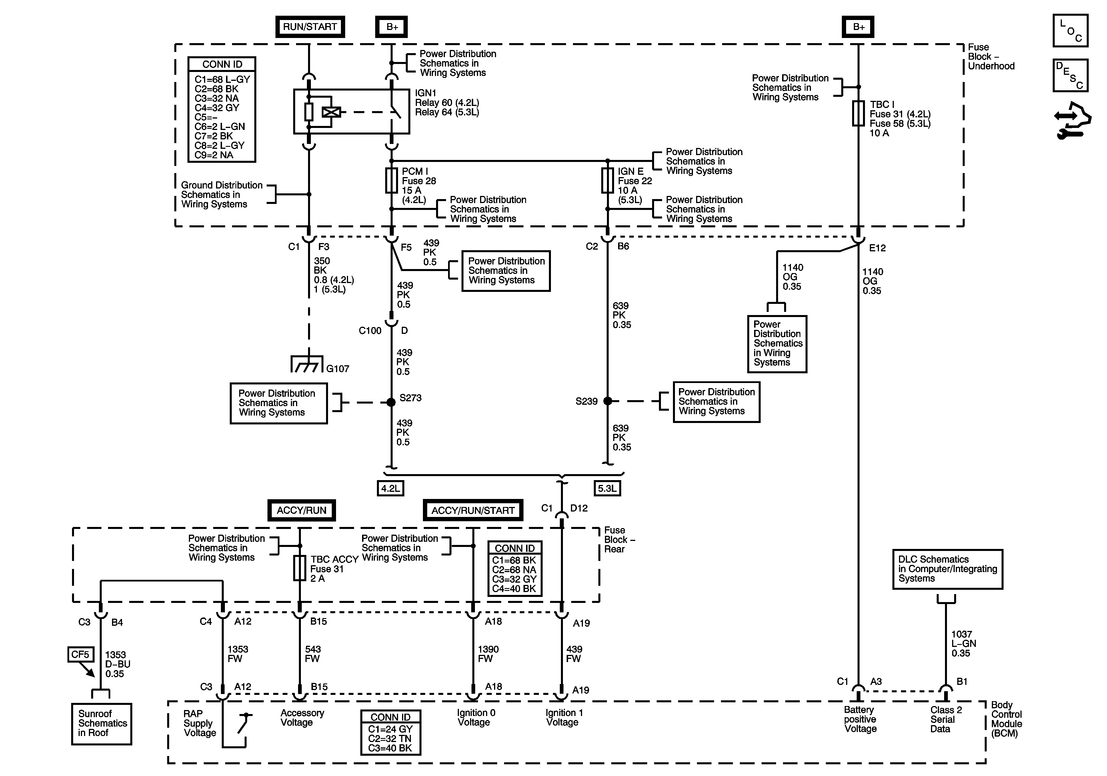
🢒 Retained Accessory Power (RAP) Schematics
Master Electrical Component List
Retained Accessory Power (RAP) Description and Operation
Control Module References
G104, G105 and G107
G104, G105 and G107
AIR SOL and PCM I Fuses
Ignition Switch - ACCY/RUN, RUN/START Bus Bars and IGNB1 Fuse
Power Sunroof Schematics
B+ Bus - Underhood Fuse Block - 2 of 2
AIR SOL and PCM I Fuses
AIR SOL and PCM I Fuses
Ignition Switch - ACCY/RUN/START, RUN, START Bus Bars and IGNA1 Fuse
B+ Bus - Underhood Fuse Block - 1 of 2
BCK/UP, BTSI, IGN E, and TRLR BCK/UP Fuses
BCK/UP, BTSI, IGN E, and TRLR BCK/UP Fuses
BCK/UP, BTSI, IGN E, and TRLR BCK/UP Fuses
EAP, ECM, PCMB, TBC I, and TCM CNSTR Fuses
SP 205