GM Service Manual Online
For 1990-2009 cars only
Makes
🢒
Saab
🢒
2006
🢒
9-7x
🢒
Suspension
🢒
Air Suspension
🢒 Suspension Controls Schematics
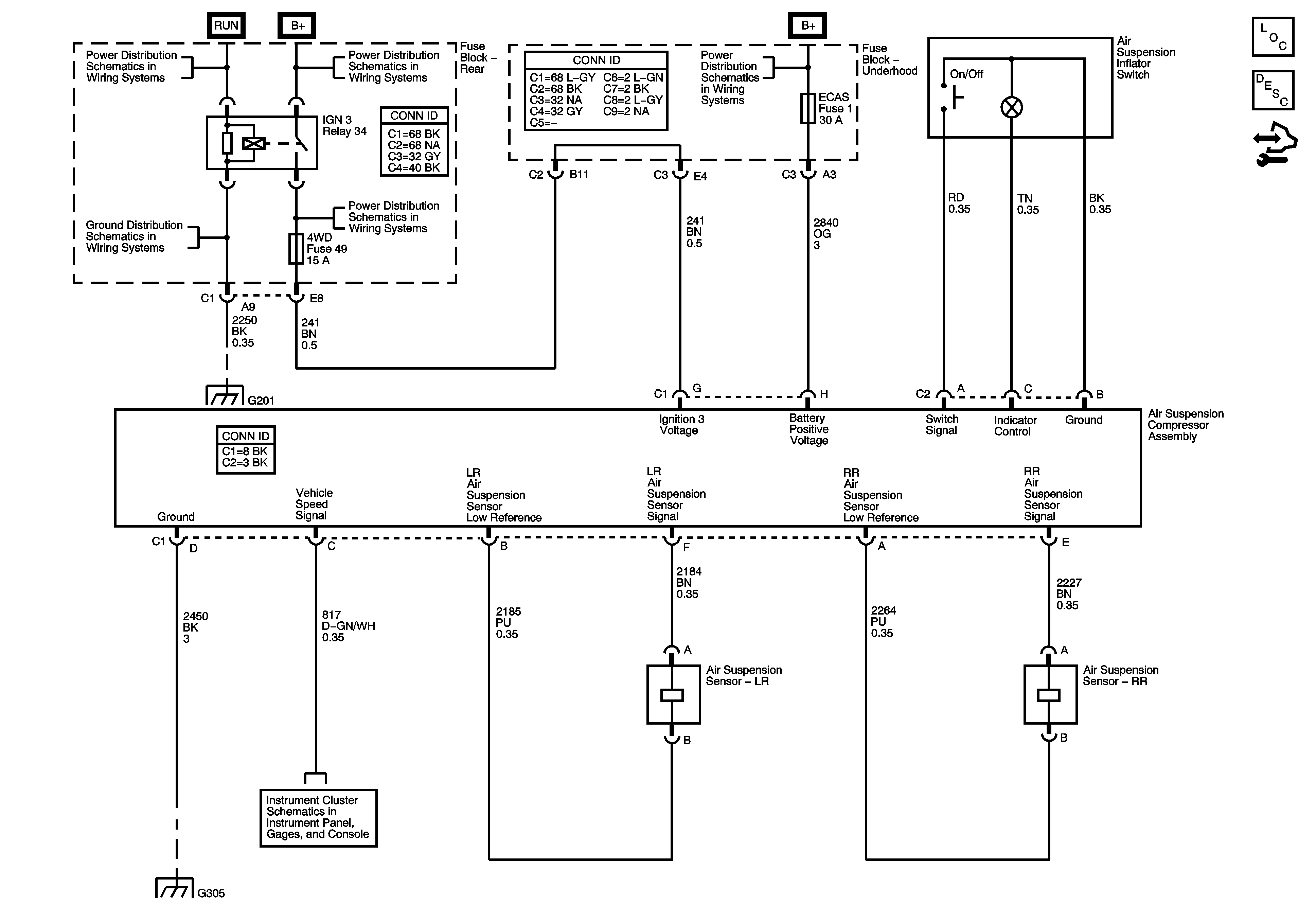
Master Electrical Component List
Air Suspension Description and Operation
Control Module References
Ignition Switch - ACCY/RUN/START, RUN, START Bus Bars and IGNA1 Fuse
G201 - 1 of 2
G201 - 1 of 2
B+ Bus - Rear Fuse Block
4WD, BRK, FRT WPR, HVAC I, IGN 0, and TCM Fuses
G201 - 2 of 2 and G305
Gages
B+ Bus - Underhood Fuse Block - 1 of 2