GM Service Manual Online
For 1990-2009 cars only
Makes
🢒
Saab
🢒
2006
🢒
9-7x
🢒 Ignition Controls - Ignition System
Ignition Controls - Ignition System
Ignition Controls - Ignition System
Master Electrical Component List
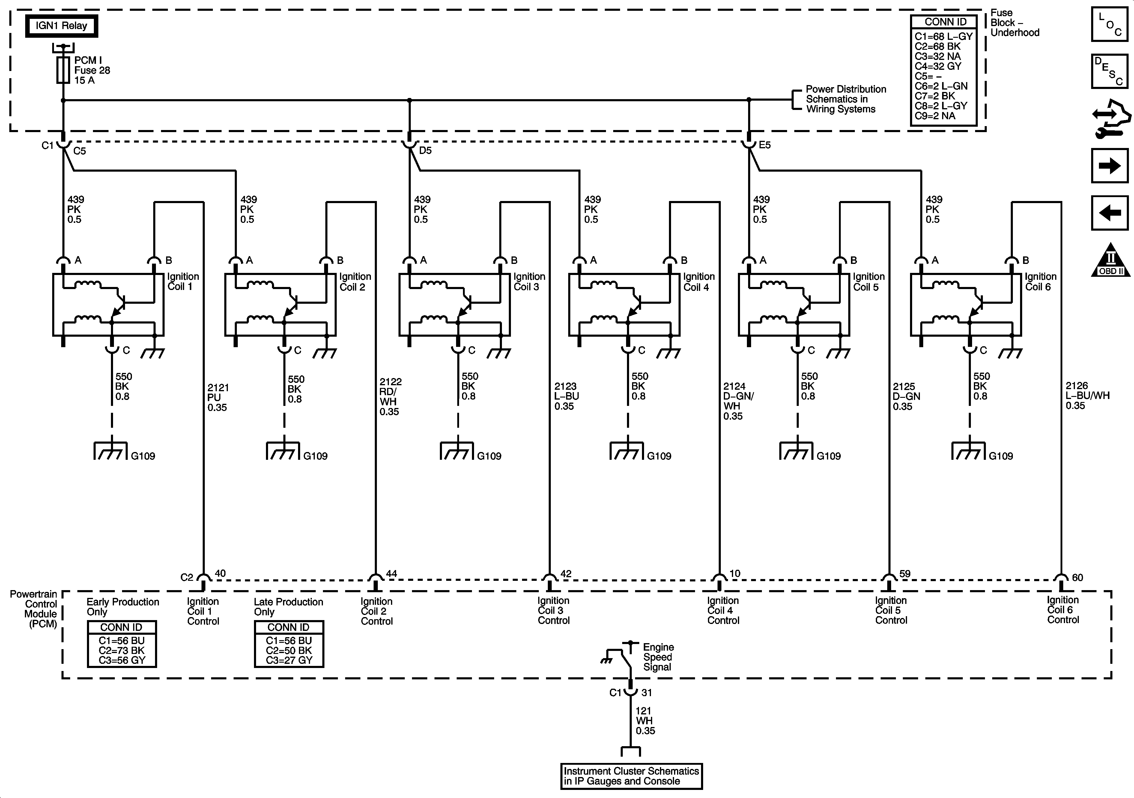
Electronic Ignition (EI) System Description
Control Module References
Ignition Controls - Sensors
Engine Data Sensors - Throttle Actuator Controls and VSS
Engine Controls Schematic Icons
Fuse Block Underhood - IGN 1 Relay
Oil Pump Assembly Figure
G109
G109
G109
G109
G109
G109
Gages