GM Service Manual Online
For 1990-2009 cars only
Makes
🢒
Saab
🢒
2006
🢒
9-7x
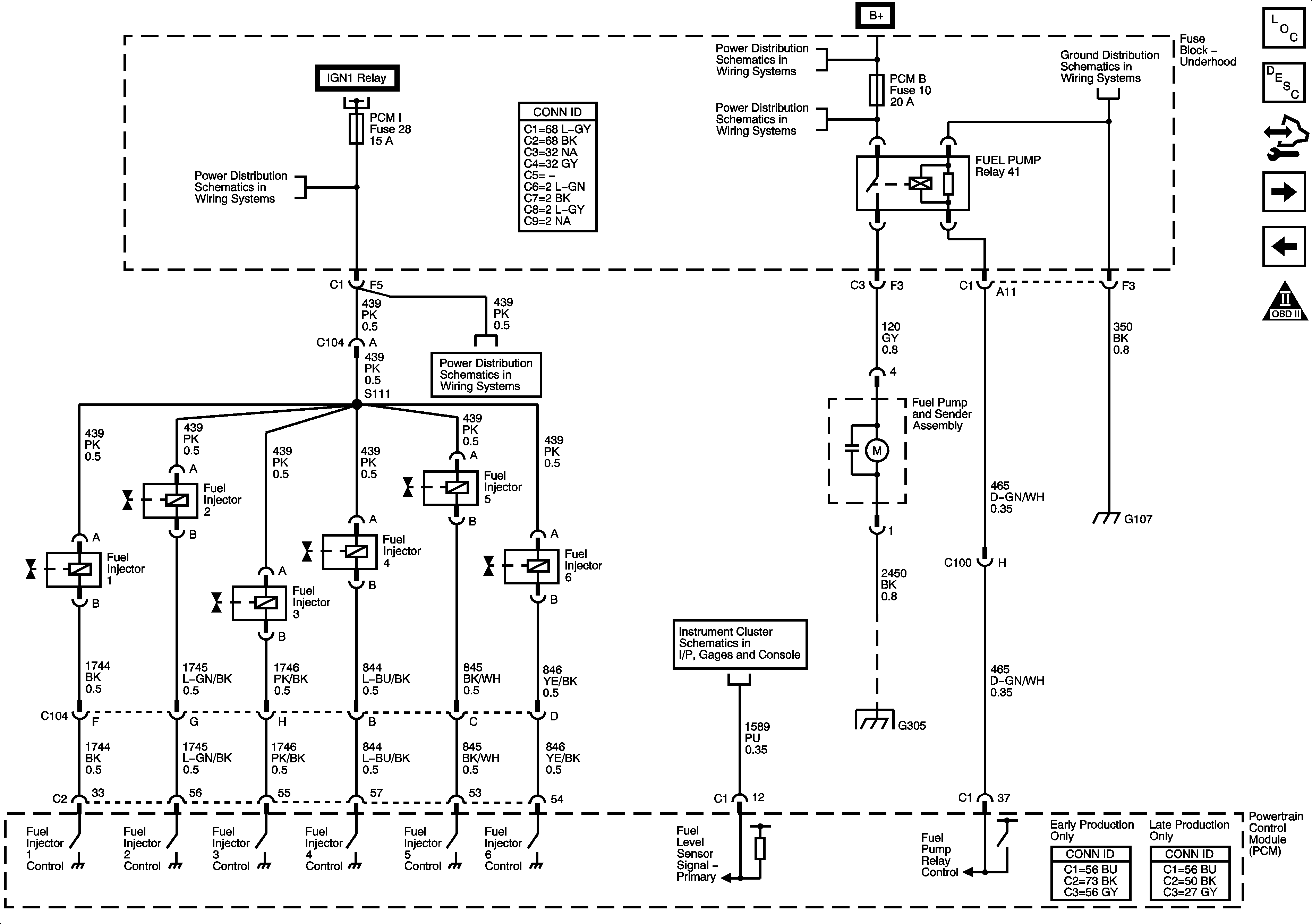
🢒 Fuel Controls - Fuel Pump Controls and Fuel Injectors
Fuel Controls - Fuel Pump Controls and Fuel Injectors
Fuel Controls - Fuel Pump Controls and Fuel Indicators
Master Electrical Component List
Fuel System Description
Control Module References
Fuel Controls - EVAP Controls
Ignition Controls - Sensors
Engine Controls Schematic Icons
AIR SOL and PCM I Fuses
Fuse Block Underhood - IGN 1 Relay
B+ Bus - Underhood Fuse Block - 2 of 2
EAP, ECM, PCMB, TBC I, and TCM CNSTR Fuses
G104, G105 and G107
Radio to Amplifier - U88
G201 - 2 of 2 and G305