GM Service Manual Online
For 1990-2009 cars only
Makes
🢒
Saab
🢒
2006
🢒
9-7x
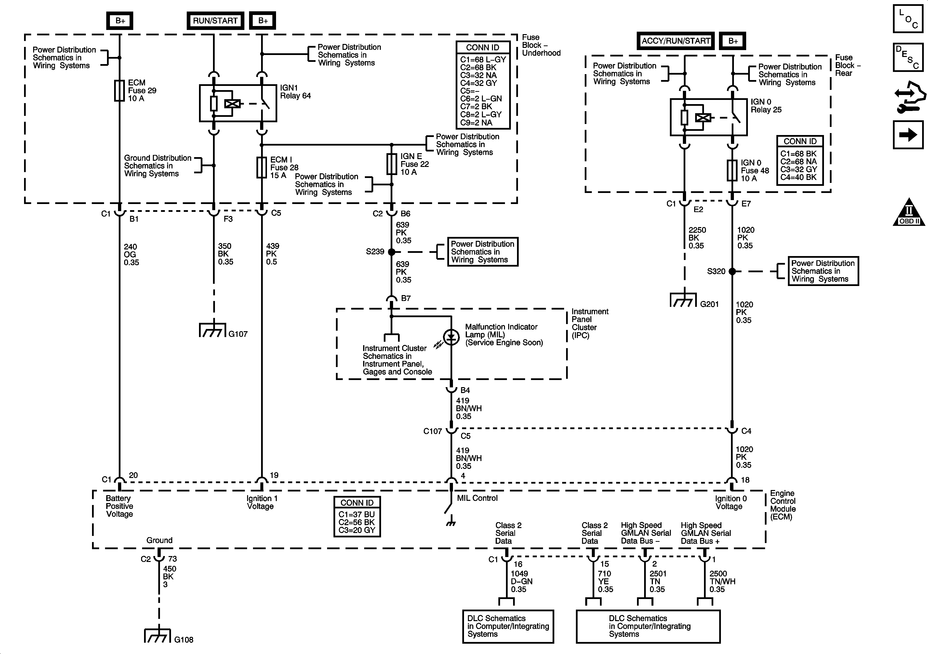
🢒 Module Power, Ground, Serial Data and MIL
Module Power, Ground, Serial Data and MIL
Module Power, Ground, Serial Data, and MIL
Master Electrical Component List
Engine Control Module Description
Control Module References
Fuse Block Underhood - PWR/TRN Relay - 1 of 2
Engine Controls Schematic Icons
EAP, ECM, PCMB, TBC I, and TCM CNSTR Fuses
G104, G105 and G107
B+ Bus - Underhood Fuse Block - 2 of 2
BCK/UP, BTSI, IGN E, and TRLR BCK/UP Fuses
BCK/UP, BTSI, IGN E, and TRLR BCK/UP Fuses
Ignition Switch - ACCY/RUN/START, RUN, START Bus Bars and IGNA1 Fuse
B+ Bus - Rear Fuse Block
G104, G105 and G107
Power, Ground, Serial Data, and MIL
BCK/UP, BTSI, IGN E, and TRLR BCK/UP Fuses
G201 - 1 of 2
4WD, BRK, FRT WPR, HVAC I, IGN 0, and TCM Fuses
G108
SP 205
Power, Ground, Data Link Connector