GM Service Manual Online
For 1990-2009 cars only
Makes
🢒
Saab
🢒
2006
🢒
9-7x
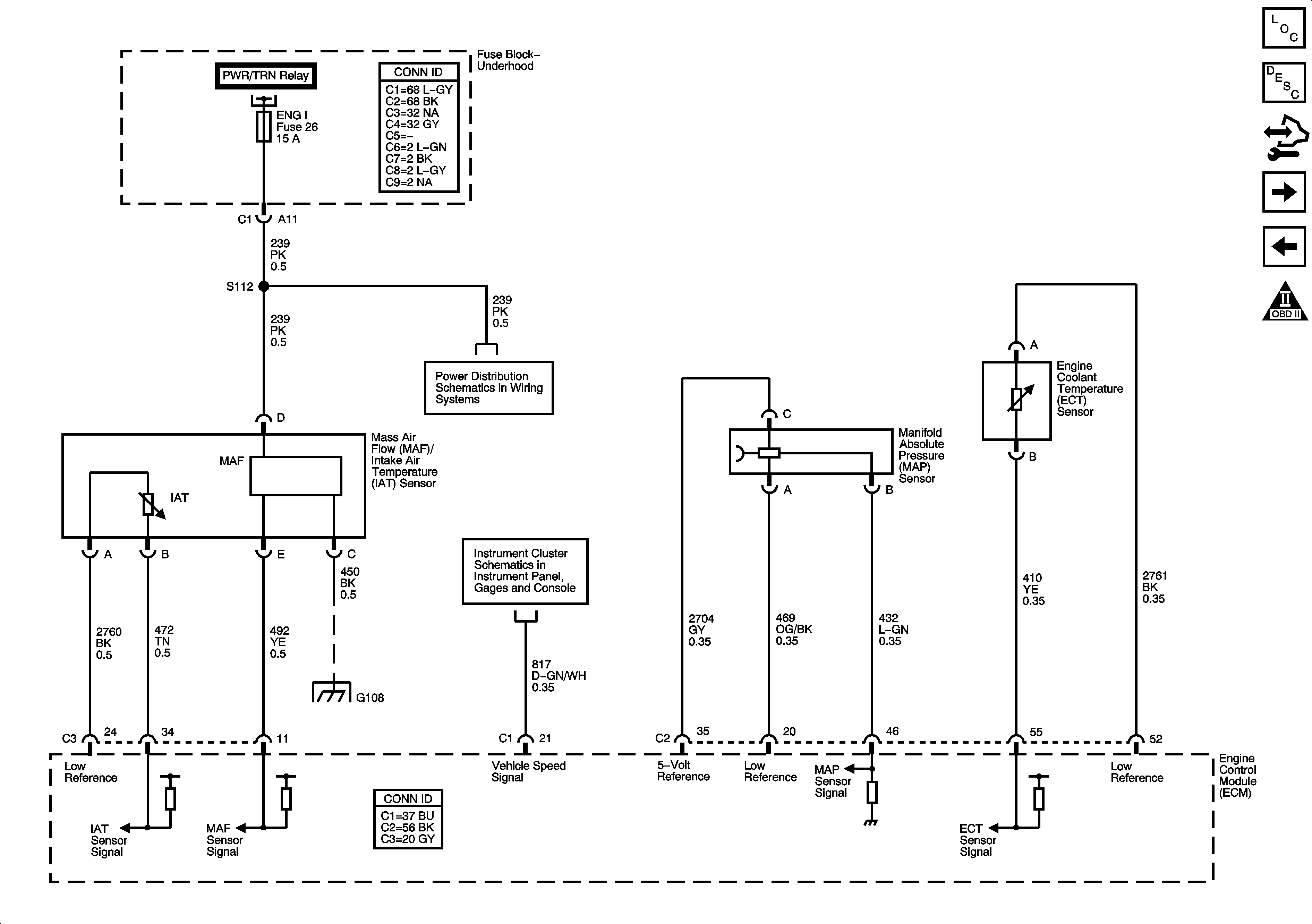
🢒 Engine Data Sensors - MAF, Pressure and Temperature
Engine Data Sensors - MAF, Pressure and Temperature
Engine Data Sensors - MAF, Pressure and Temperature
Master Electrical Component List
Air Intake System Description
Control Module References
Engine Data Sensors - Oxygen Sensors
Engine Data Sensors - 5-Volt and Low References
Engine Controls Schematic Icons
Fuse Block Underhood - PWR/TRN Relay - 2 of 2
ENG I, INJA, INJB, O2 SNSR A, and O2 SNSR B Fuses - 5.3L
Gages
G108