GM Service Manual Online
For 1990-2009 cars only
Makes
🢒
Saab
🢒
2006
🢒
9-7x
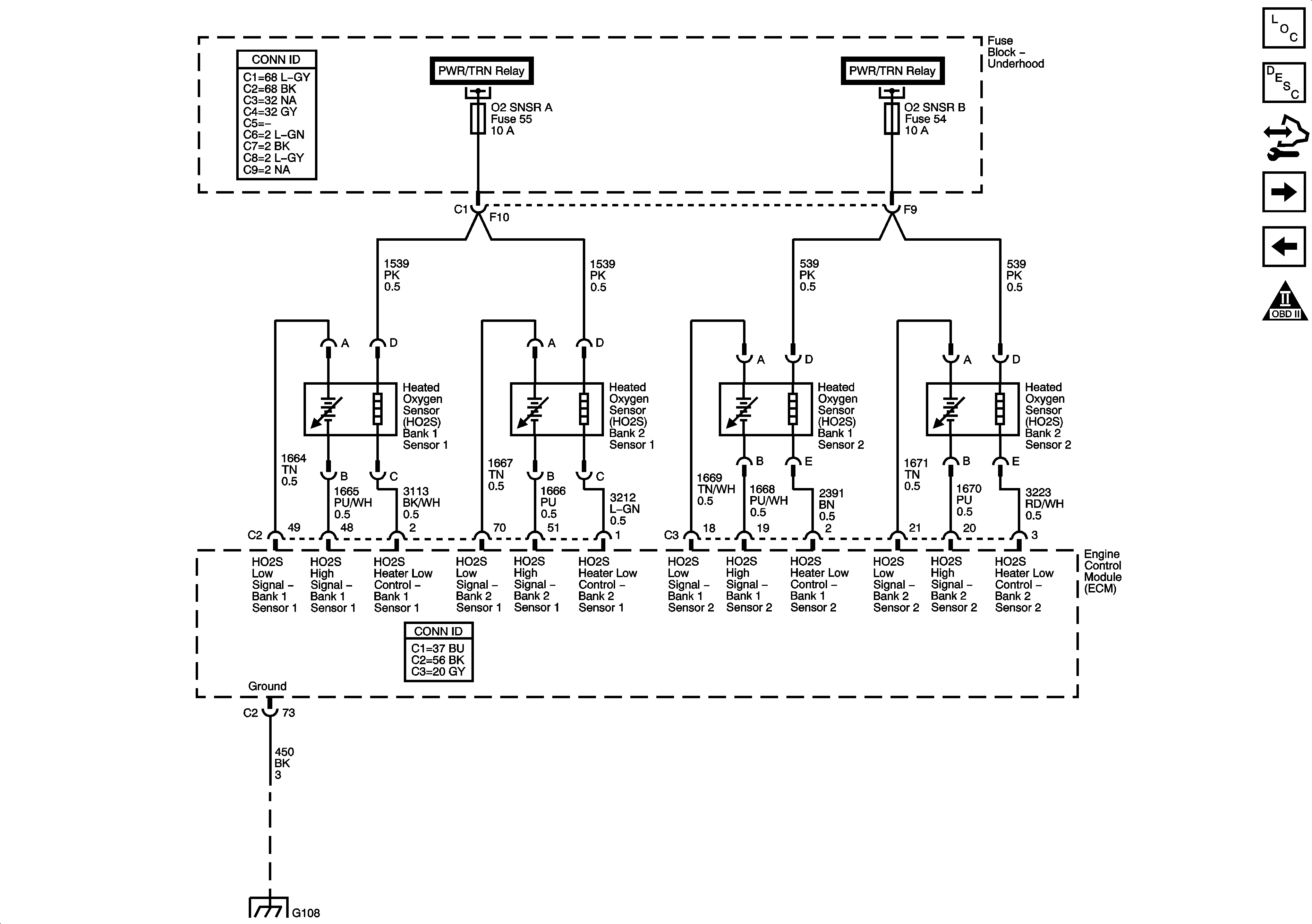
🢒 Engine Data Sensors - Oxygen Sensors
Engine Data Sensors - Oxygen Sensors
Engine Data Sensors - Oxygen Sensors
Master Electrical Component List
Engine Control Module Description
Control Module References
Engine Data Sensors - Throttle Actuator Controls
Engine Data Sensors - MAF, Pressure and Temperature
Engine Controls Schematic Icons
Fuse Block Underhood - PWR/TRN Relay - 2 of 2
Fuse Block Underhood - PWR/TRN Relay - 2 of 2
G108