GM Service Manual Online
For 1990-2009 cars only
Makes
🢒
Saab
🢒
2006
🢒
9-7x
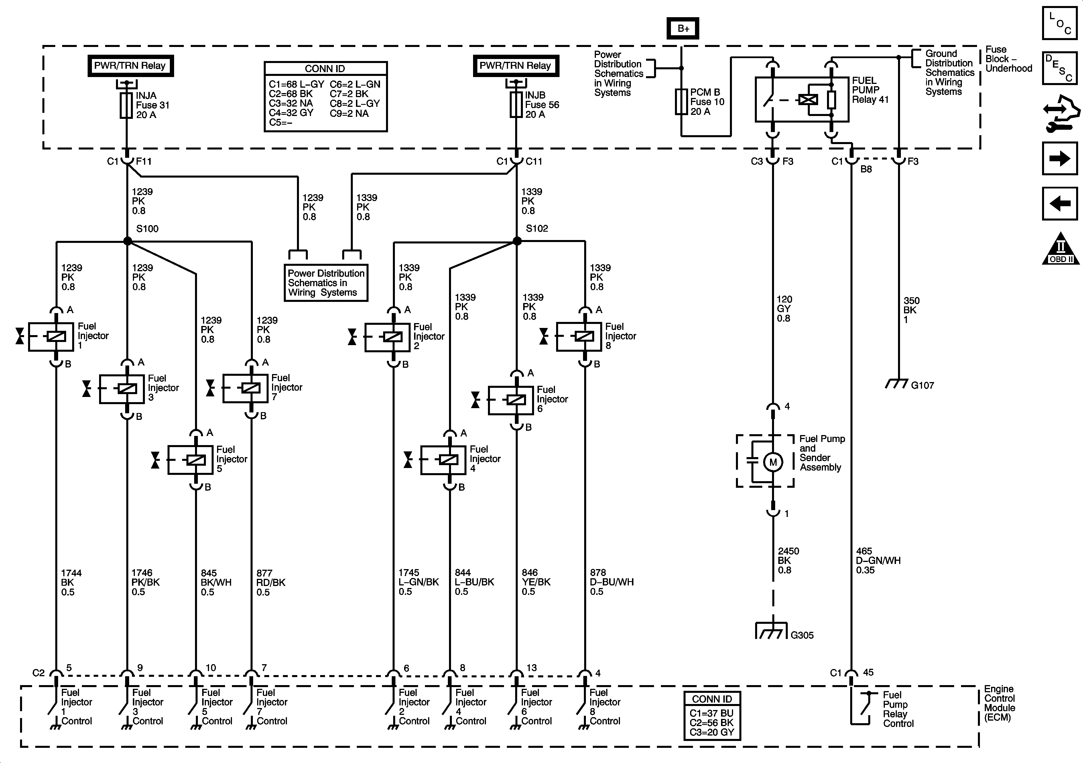
🢒 Fuel Controls - Fuel Pump Controls and Fuel Injectors
Fuel Controls - Fuel Pump Controls and Fuel Injectors
Fuel Controls - Fuel Pump Controls and Fuel Injectors
Master Electrical Component List
Fuel System Description
Control Module References
Fuel Controls - EVAP Controls
Ignition Controls - Sensors and DOD Controls
Engine Controls Schematic Icons
Fuse Block Underhood - PWR/TRN Relay - 1 of 2
Fuse Block Underhood - PWR/TRN Relay - 1 of 2
B+ Bus - Underhood Fuse Block - 2 of 2
G104, G105 and G107
ENG I, INJA, INJB, O2 SNSR A, and O2 SNSR B Fuses - 5.3L
G201 - 2 of 2 and G305