GM Service Manual Online
For 1990-2009 cars only
Makes
🢒
Saab
🢒
2006
🢒
9-7x
🢒 Cruise Control - 4.2L
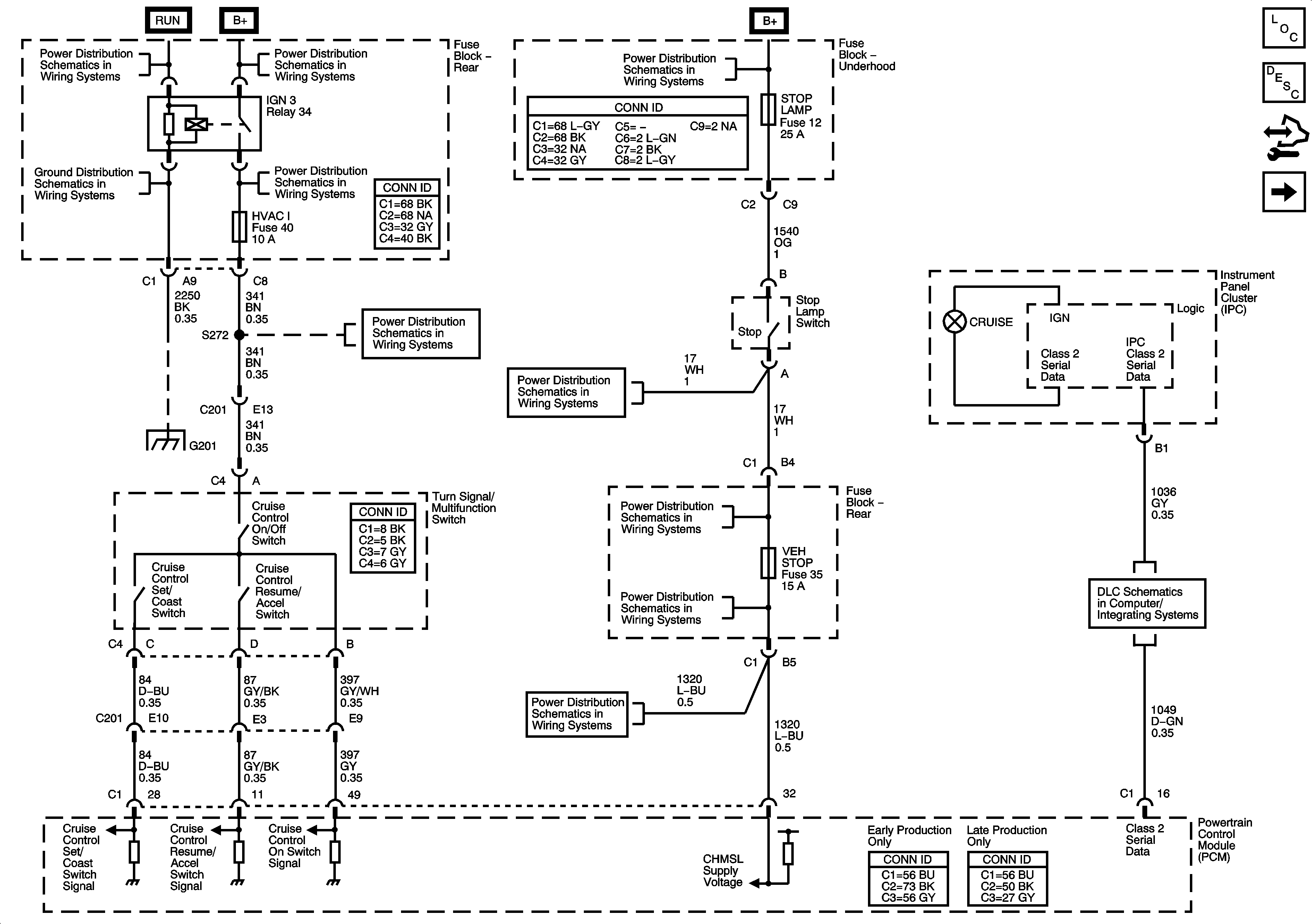
Cruise Control - 4.2L
4.2L
Master Electrical Component List
Cruise Control Description and Operation (4.2L)
Control Module References
Cruise Control - 5.3L
Ignition Switch - ACCY/RUN/START, RUN, START Bus Bars and IGNA1 Fuse
G201 - 1 of 2
B+ Bus - Rear Fuse Block
4WD, BRK, FRT WPR, HVAC I, IGN 0, and TCM Fuses
4WD, BRK, FRT WPR, HVAC I, IGN 0, and TCM Fuses
G201 - 1 of 2
B+ Bus - Underhood Fuse Block - 1 of 2
ABS, ATC, BLWR, ECAS, ELEC BRK, HAZRD, IPC/DIC, LTR, STOP LAMP, TRLR, VEH CHMSL, VEH STOP, and VSES Fuses
ABS, ATC, BLWR, ECAS, ELEC BRK, HAZRD, IPC/DIC, LTR, STOP LAMP, TRLR, VEH CHMSL, VEH STOP, and VSES Fuses
SP 205