GM Service Manual Online
For 1990-2009 cars only
Makes
🢒
Saab
🢒
2006
🢒
9-7x
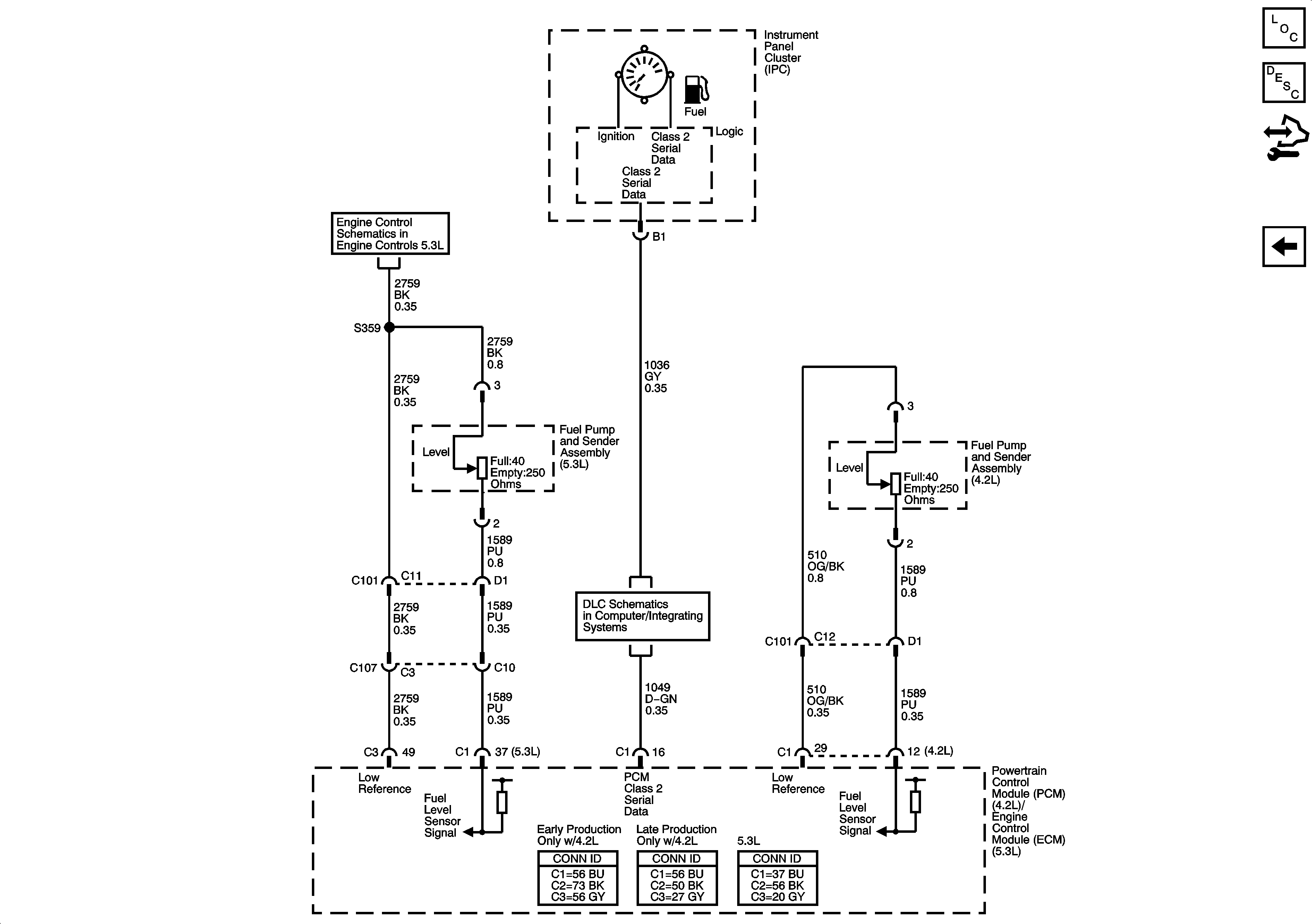
🢒 Fuel Gage
Fuel Gage
Fuel Gage
Master Electrical Component List
Indicator/Warning Message Description and Operation
Control Module References
Indicators and DIC Controls
Fuel Controls - EVAP Controls
SP 205