GM Service Manual Online
For 1990-2009 cars only
Makes
🢒
Saab
🢒
2006
🢒
9-7x
🢒 Trailer Wiring
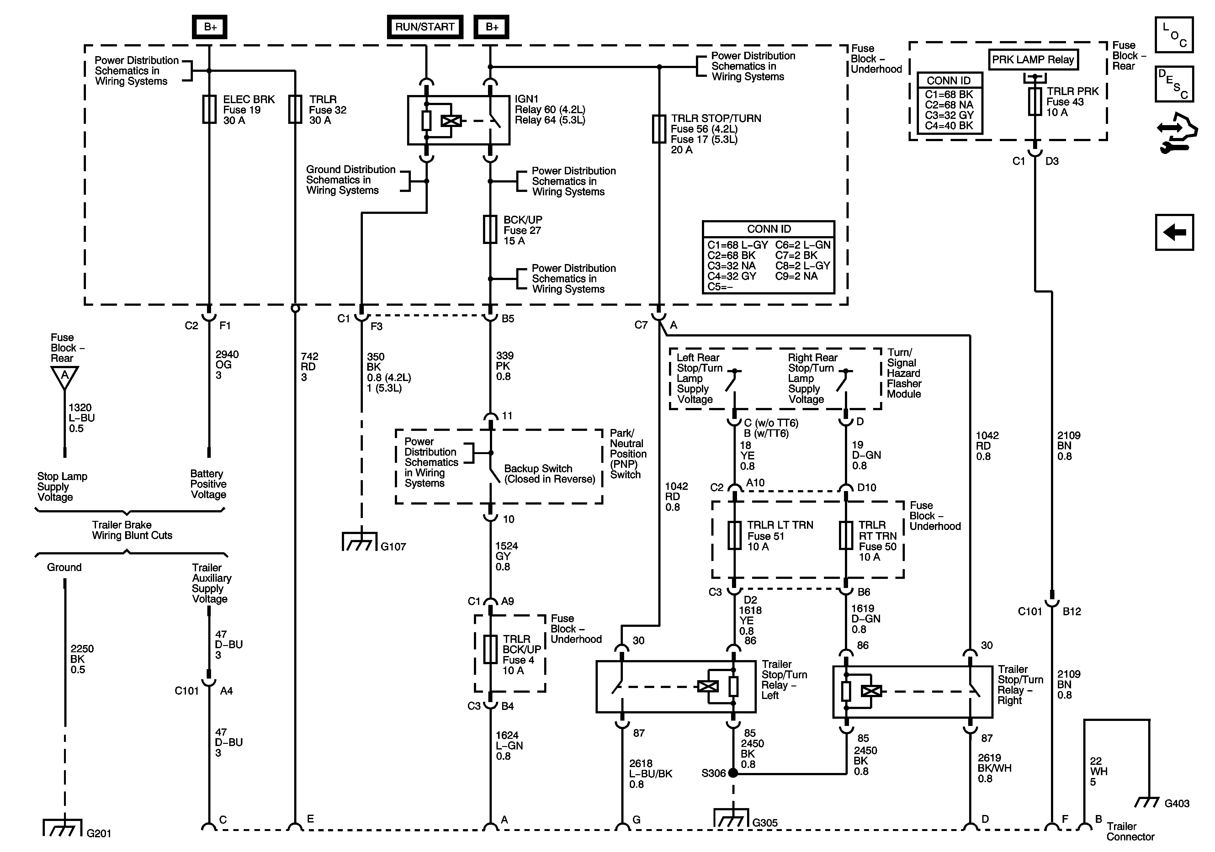
Trailer Wiring
Trailer Wiring
Master Electrical Component List
Exterior Lighting Systems Description and Operation
Control Module References
Backup Lamps
ABS, ATC, BLWR, ECAS, ELEC BRK, HAZRD, IPC/DIC, LTR, STOP LAMP, TRLR, VEH CHMSL, VEH STOP, and VSES Fuses
Stop Lamps
G201 - 1 of 2
G104, G105 and G107
G104, G105 and G107
BCK/UP, BTSI, IGN E, and TRLR BCK/UP Fuses
B+ Bus - Underhood Fuse Block - 2 of 2
BCK/UP, BTSI, IGN E, and TRLR BCK/UP Fuses
BCK/UP, BTSI, IGN E, and TRLR BCK/UP Fuses
B+ Bus - Rear Fuse Block
G201 - 2 of 2 and G305