GM Service Manual Online
For 1990-2009 cars only
Makes
🢒
Saab
🢒
2006
🢒
9-7x
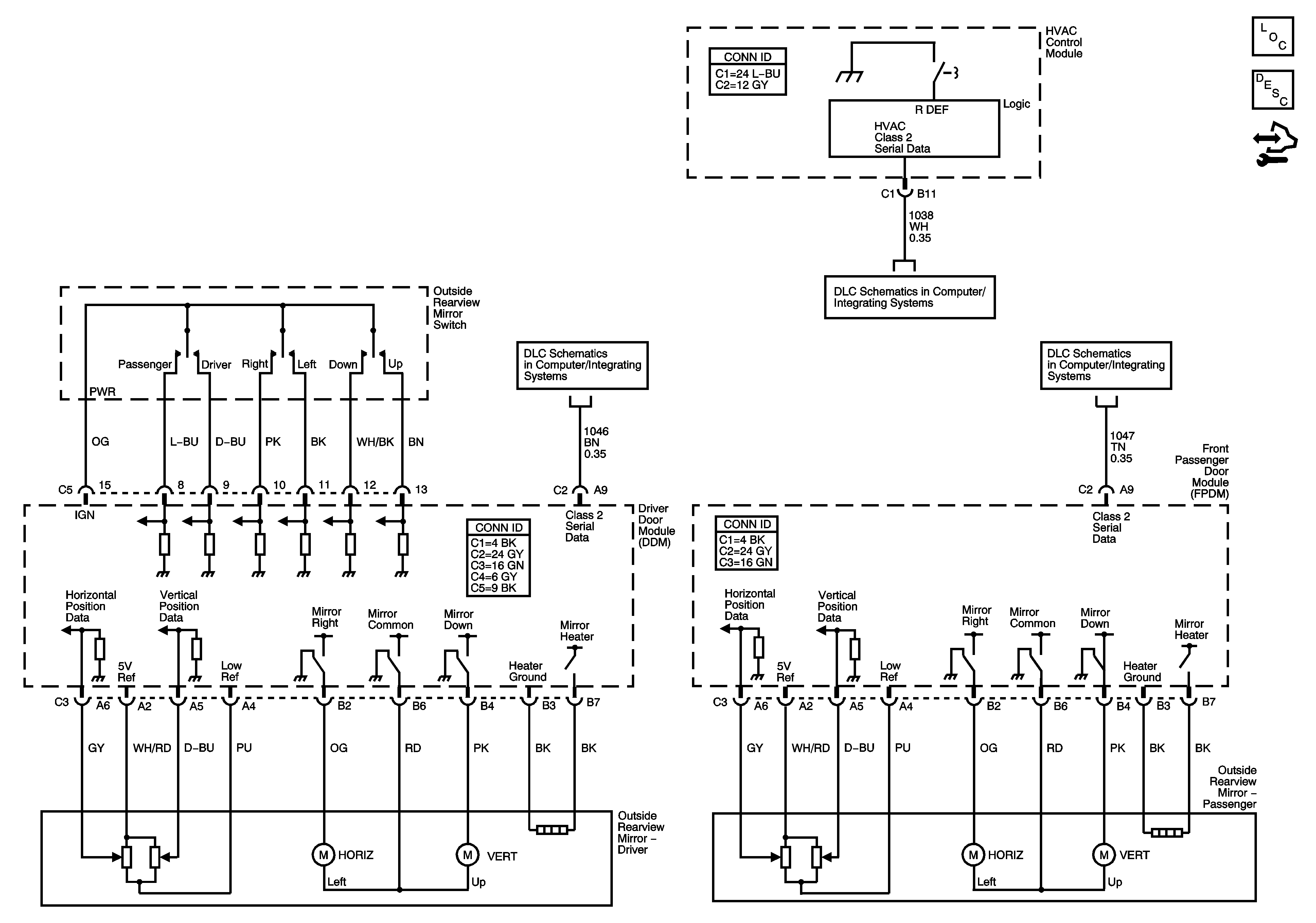
🢒 Outside Mirrors Schematics
Outside Mirrors Schematics
Master Electrical Component List
Outside Mirror Description and Operation (Power Mirrors)
Control Module References
SP306
SP 205
SP306