GM Service Manual Online
For 1990-2009 cars only
Figure 1:

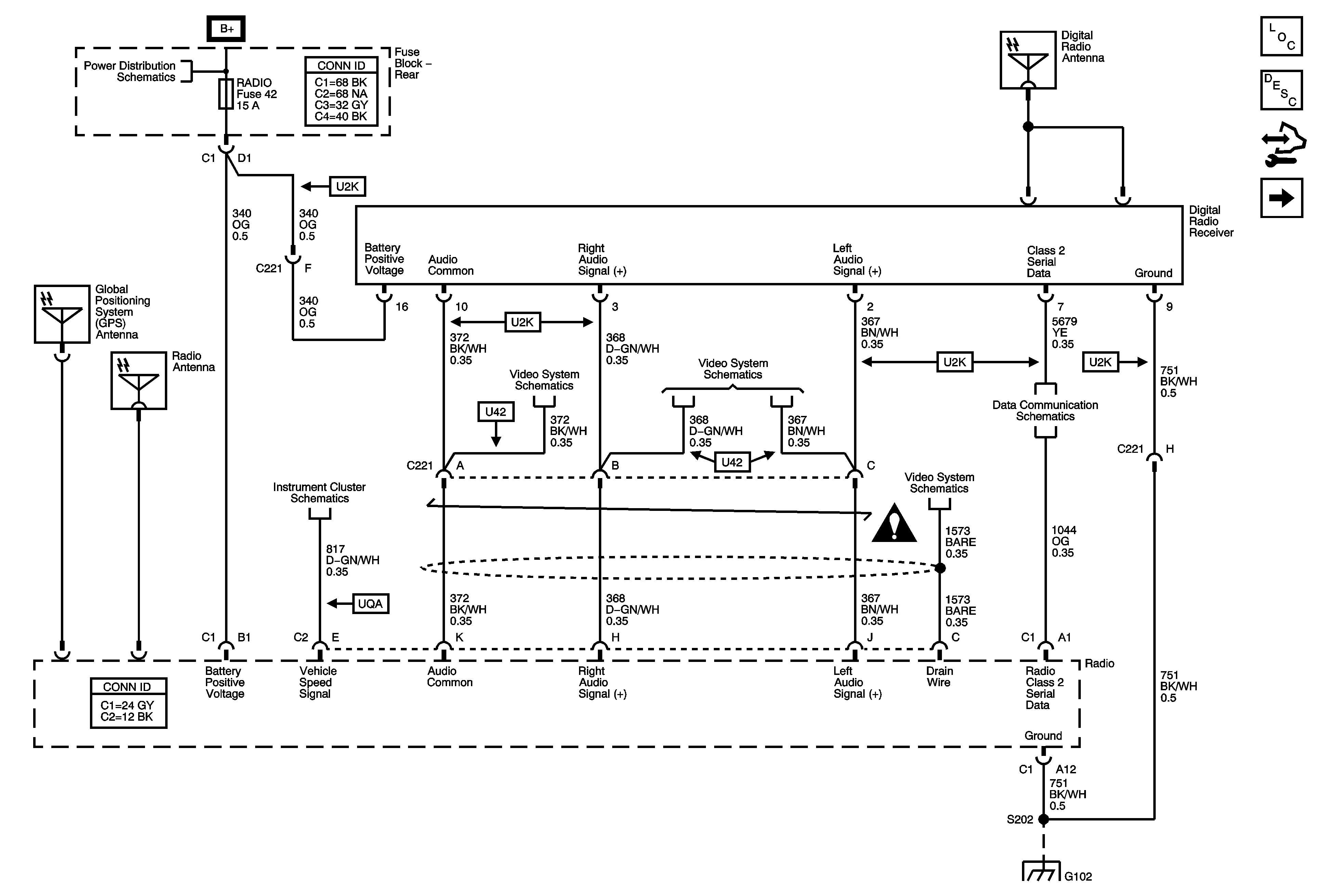
Power, Ground, Serial Data, and Digital Radio Receiver


Object Number: 1748976  Size: FS
Master Electrical Component List
Radio/Audio System Description and Operation
Control Module References
Base Radio w/o UQA
B+ BUS - Rear Fuse Block
Gages
Video System Schematics
Video System Schematics
Video System Schematics
SP205
G102
Entertainment/Communication Schematic Icons
Figure 2:

Base Radio w/o UQA


Object Number: 1748981  Size: FS
Master Electrical Component List
Radio/Audio System Description and Operation
Control Module References
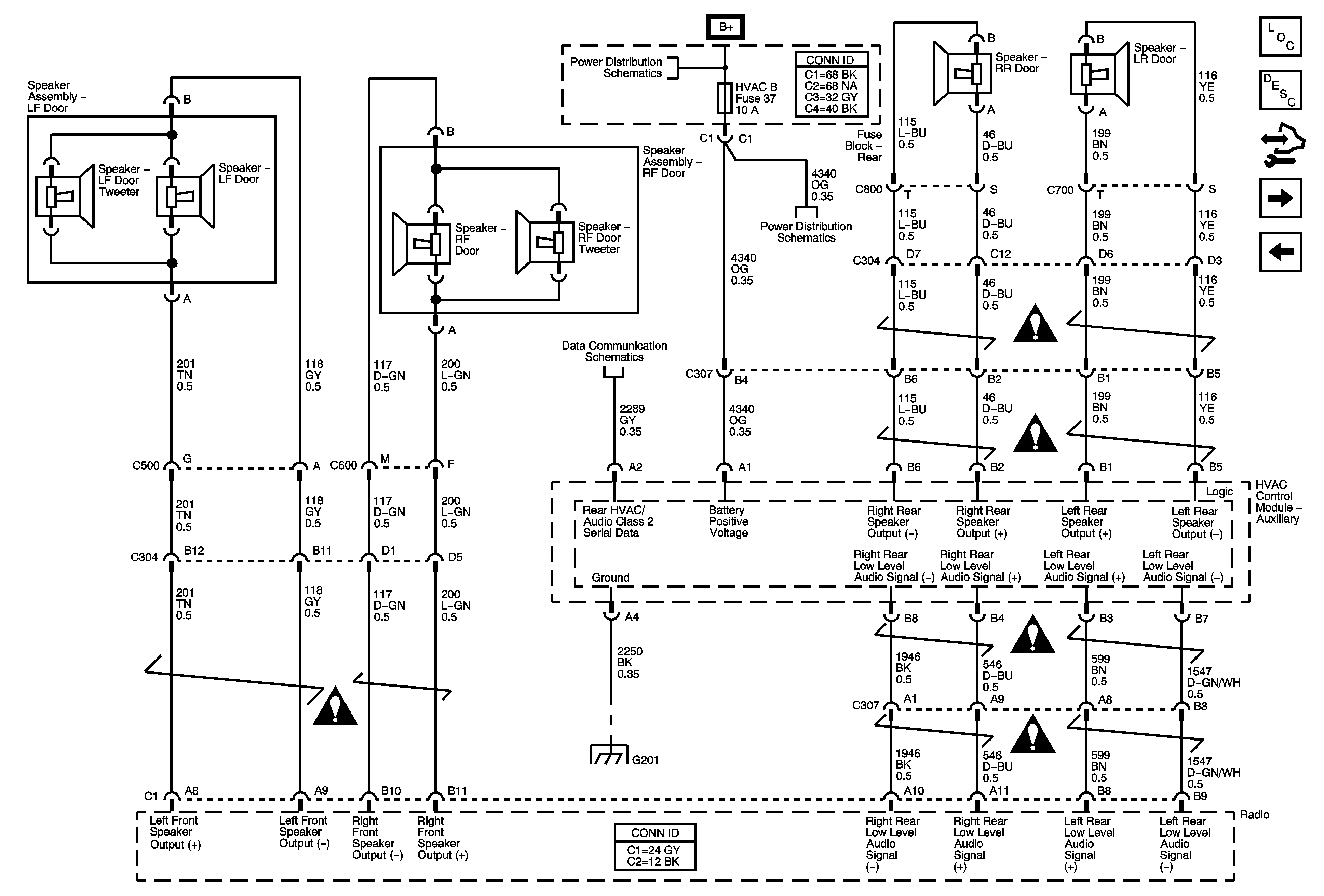
Audio Amplifier Power, Ground, and Premium Radio Low Level Audio Outputs - w/UQA
Power, Ground, Serial Data, and Digital Radio Receiver
B+ BUS - Rear Fuse Block
SP205
HVAC B, LGM/DSM, OH BATT/ONSTAR, and RADIO Fuses
Entertainment/Communication Schematic Icons
Entertainment/Communication Schematic Icons
Entertainment/Communication Schematic Icons
Entertainment/Communication Schematic Icons
G201 - 1 of 2
Entertainment/Communication Schematic Icons
Figure 3:

Audio Amplifier Power, Ground, and Premium Radio Low Level Audio Outputs - w/UQA


Object Number: 1748983  Size: FS
Master Electrical Component List
Radio/Audio System Description and Operation
Control Module References
Premium Radio Amplifier Outputs - w/UQA
Base Radio w/o UQA
B+ BUS - Rear Fuse Block
Entertainment/Communication Schematic Icons
Entertainment/Communication Schematic Icons
G102
Entertainment/Communication Schematic Icons
Entertainment/Communication Schematic Icons
Entertainment/Communication Schematic Icons
SP205
G201 - 1 of 2
G401, G402, and G403
Figure 4:

Premium Radio Amplifier Outputs - w/UQA


Object Number: 1748990  Size: FS
Master Electrical Component List
Radio/Audio System Description and Operation
Control Module References
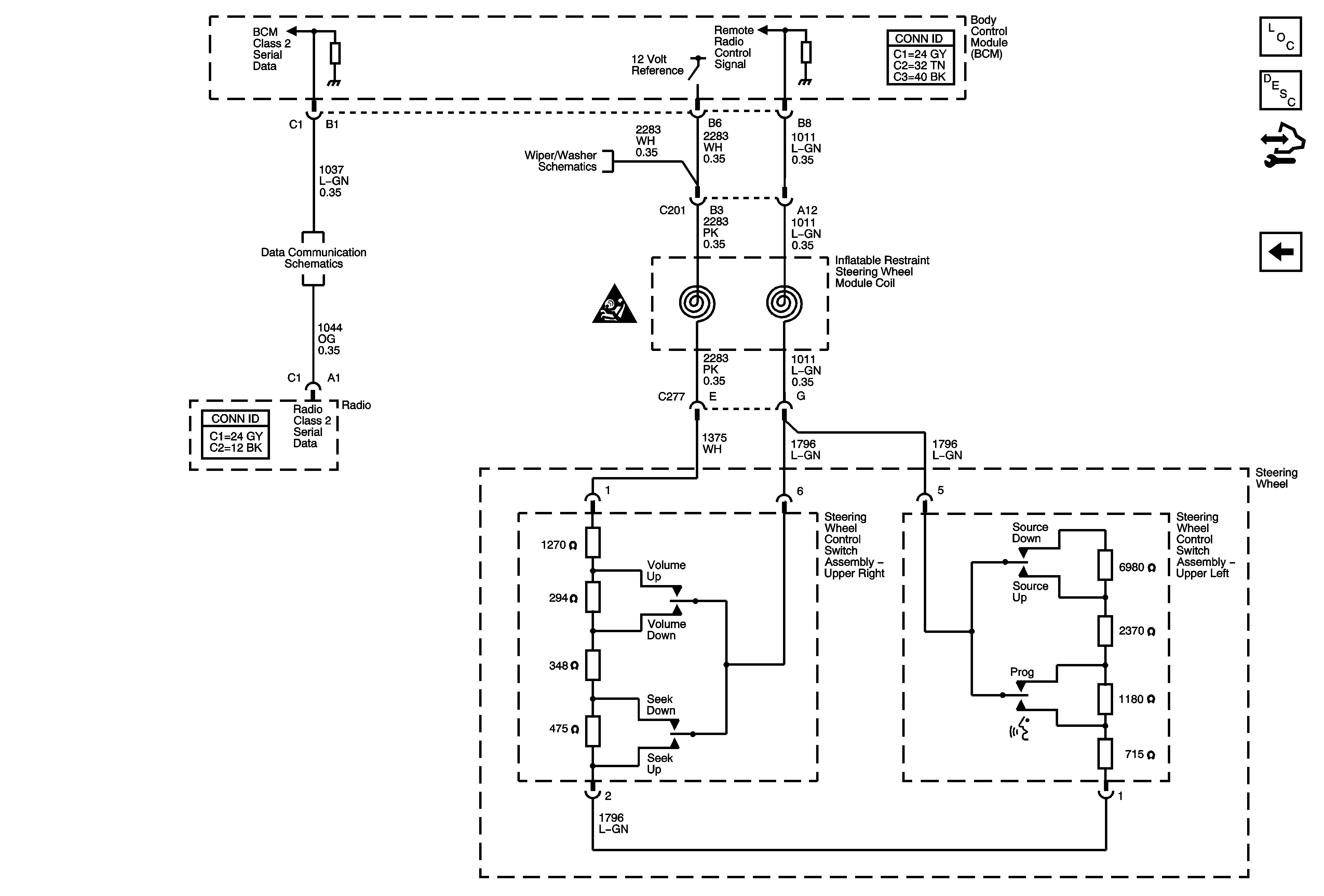
Steering Wheel Controls
Audio Amplifier Power, Ground, and Premium Radio Low Level Audio Outputs - w/UQA
Entertainment/Communication Schematic Icons
Entertainment/Communication Schematic Icons
Entertainment/Communication Schematic Icons
Entertainment/Communication Schematic Icons
Figure 5:

Steering Wheel Controls


Object Number: 1748994  Size: FS
Master Electrical Component List
Radio/Audio System Description and Operation
Control Module References
Premium Radio Amplifier Outputs - w/UQA
SP205
Rear Wiper/Washer Controls
Entertainment/Communication Schematic Icons