GM Service Manual Online
For 1990-2009 cars only
Makes
🢒
Saab
🢒
2007
🢒
9-7x
🢒
Body Systems
🢒
Wipers and Washers
🢒 Windshield Washer Solvent Container Replacement
Removal Procedure
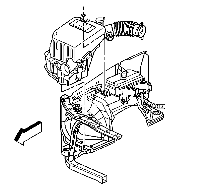
Remove the air cleaner element. Refer to
Air Cleaner Element Replacement
for the 4.2L engine or
Air Cleaner Element Replacement
for the 5.3L engine.
Remove the air cleaner/washer container assembly. Refer to
Air Cleaner Assembly Replacement
for the 4.2L engine or
Air Cleaner Assembly Replacement
for the 5.3L engine.
Remove the washer pumps from the container assembly. Refer to
Headlamp Washer Pump Replacement
,
Windshield Washer Pump Replacement
, and
Rear Window Washer Pump Replacement
.
Installation Procedure
Install the washer pumps to the container assembly. Refer to
Headlamp Washer Pump Replacement
,
Windshield Washer Pump Replacement
and
Rear Window Washer Pump Replacement
.
Install the air cleaner/washer container assembly. Refer to
Air Cleaner Assembly Replacement
for the 4.2L engine or
Air Cleaner Assembly Replacement
for the 5.3L engine.
Install the air cleaner element. Refer to
Air Cleaner Element Replacement
for the 4.2L engine or
Air Cleaner Element Replacement
for the 5.3L engine.