GM Service Manual Online
For 1990-2009 cars only
Figure 1:

EBCM Power, Ground, Serial Data, Indicator, and Signal Circuits


Object Number: 1748946  Size: FS
Master Electrical Component List
ABS Description and Operation
Control Module References
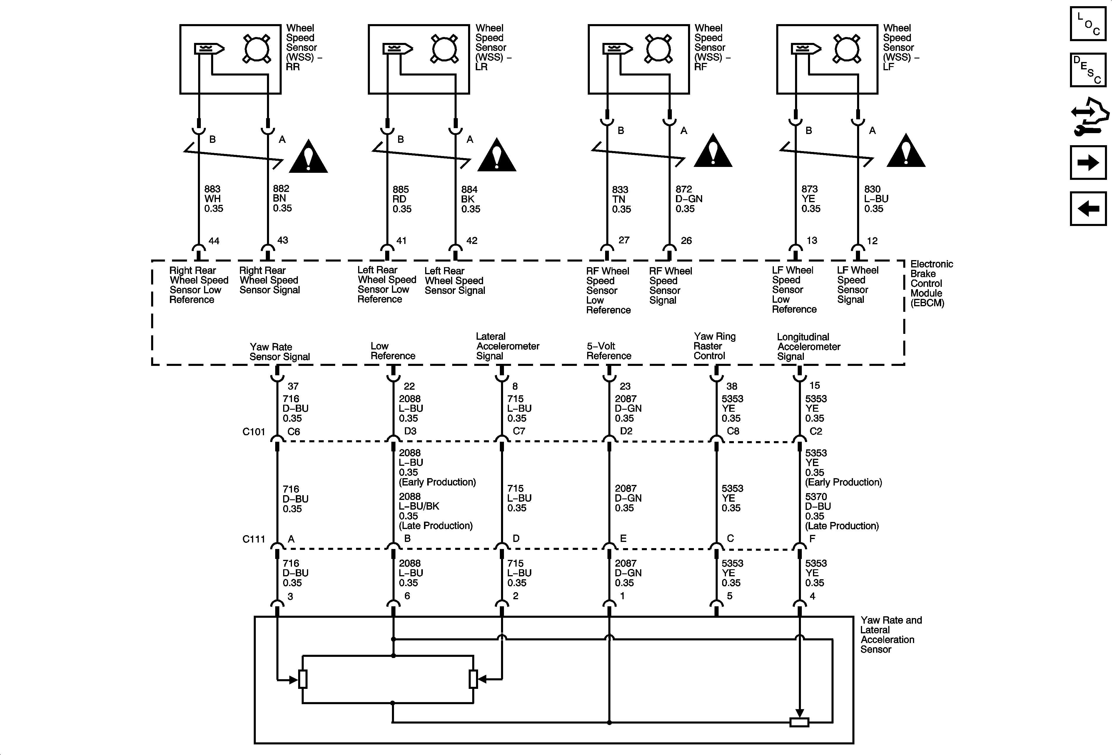
Wheel Speed Sensors and Yaw Rate/Lateral Acceleration Sensor
B+ BUS - Underhood Fuse Block - 1 of 2
B+ BUS - Underhood Fuse Block - 1 of 2
Ignition Switch - ACCY/RUN/START, RUN, START Bus Bars, and IGNA1 Fuse
B+ BUS - Rear Fuse Block
G104, G105, and G107
BCK/UP, BTSI, IGN E, and TRLR BCK/UP Fuses
BCK/UP, BTSI, IGN E, and TRLR BCK/UP Fuses
G201 - 1 of 2
4WD, BRK, FRT WPR, HVAC I, IGN 0, and TCM Fuses
BCK/UP, BTSI, IGN E, and TRLR BCK/UP Fuses
G104, G105, and G107
G201 - 1 of 2
Hydraulic Brake Schematics
SP205
G302 - 1 of 2, G303, and G304
Figure 2:

Wheel Speed Sensors and Yaw Rate/Lateral Acceleration Sensor


Object Number: 1748949  Size: FS
Master Electrical Component List
ABS Description and Operation
Control Module References
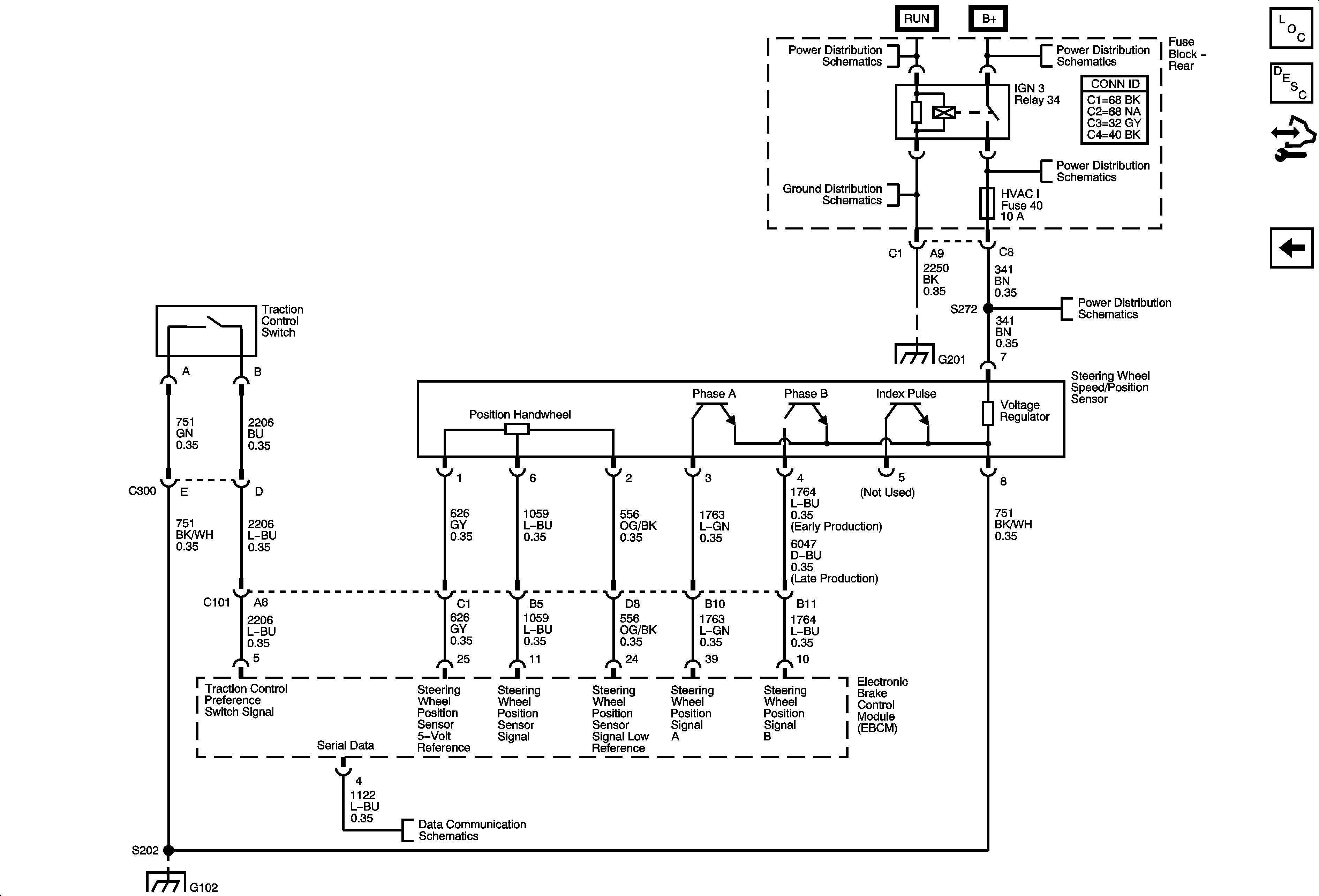
Steering Wheel Speed/Position Sensor and Traction Control Switch
EBCM Power, Ground, Serial Data, Indicator, and Signal Circuits
Antilock Brake System Schematic Icons
Antilock Brake System Schematic Icons
Antilock Brake System Schematic Icons
Antilock Brake System Schematic Icons
Figure 3:

Steering Wheel Speed/Position Sensor and Traction Control Switch


Object Number: 1748952  Size: FS
Master Electrical Component List
ABS Description and Operation
Control Module References
Wheel Speed Sensors and Yaw Rate/Lateral Acceleration Sensor
Ignition Switch - ACCY/RUN/START, RUN, START Bus Bars, and IGNA1 Fuse
B+ BUS - Rear Fuse Block
G201 - 1 of 2
4WD, BRK, FRT WPR, HVAC I, IGN 0, and TCM Fuses
4WD, BRK, FRT WPR, HVAC I, IGN 0, and TCM Fuses
G201 - 1 of 2
SP205
G102