GM Service Manual Online
For 1990-2009 cars only
Makes
🢒
Saab
🢒
2007
🢒
9-7x
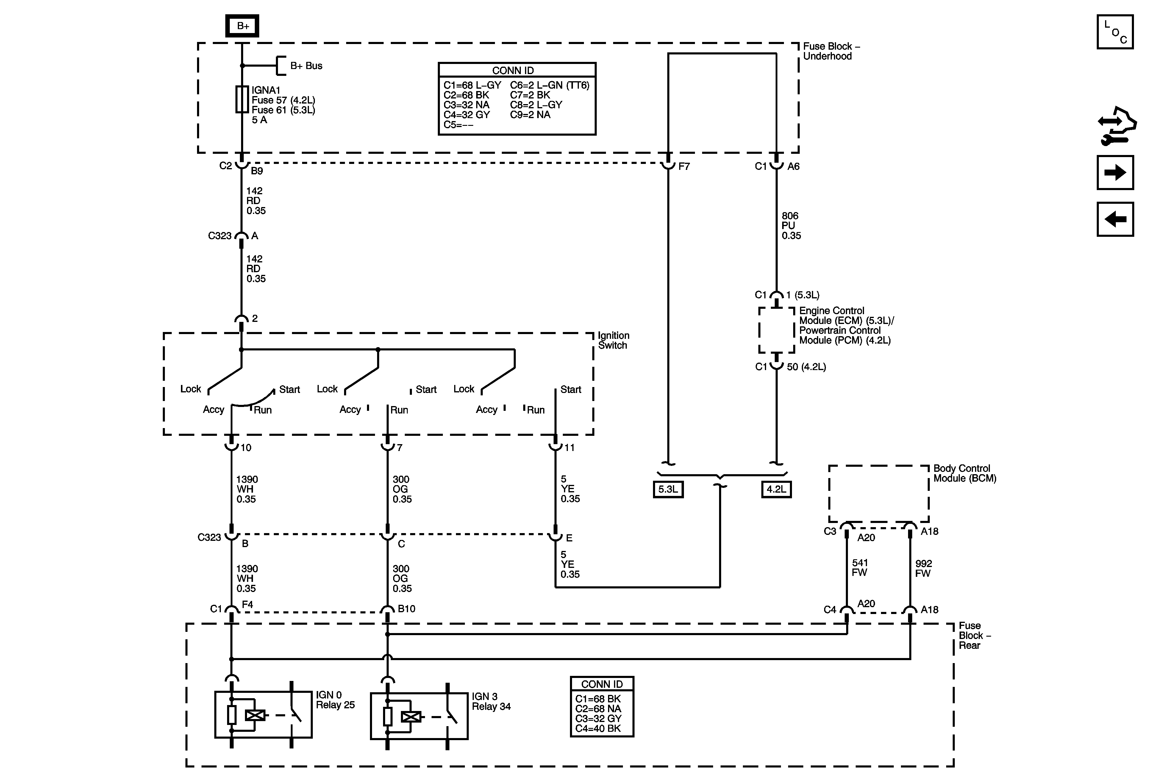
🢒 Ignition Switch - ACCY/RUN/START, RUN, START Bus Bars, and IGNA1 Fuse
Ignition Switch - ACCY/RUN/START, RUN, START Bus Bars, and IGNA1 Fuse
Ignition Switch - ACCY/RUN/START, RUN, START Bus Bars, and IGNA1 Fuse
Master Electrical Component List
Control Module References
Ignition Switch - ACCY/RUN, RUN/START Bus Bars, and IGNB1 Fuse
FRT PRK, LGM #2, LR PRK, RR PRK, TRLR PRK Fuses, and REAR WPR Circuit Breakers
B+ BUS - Underhood Fuse Block - 1 of 2