GM Service Manual Online
For 1990-2009 cars only
Makes
🢒
Saab
🢒
2007
🢒
9-7x
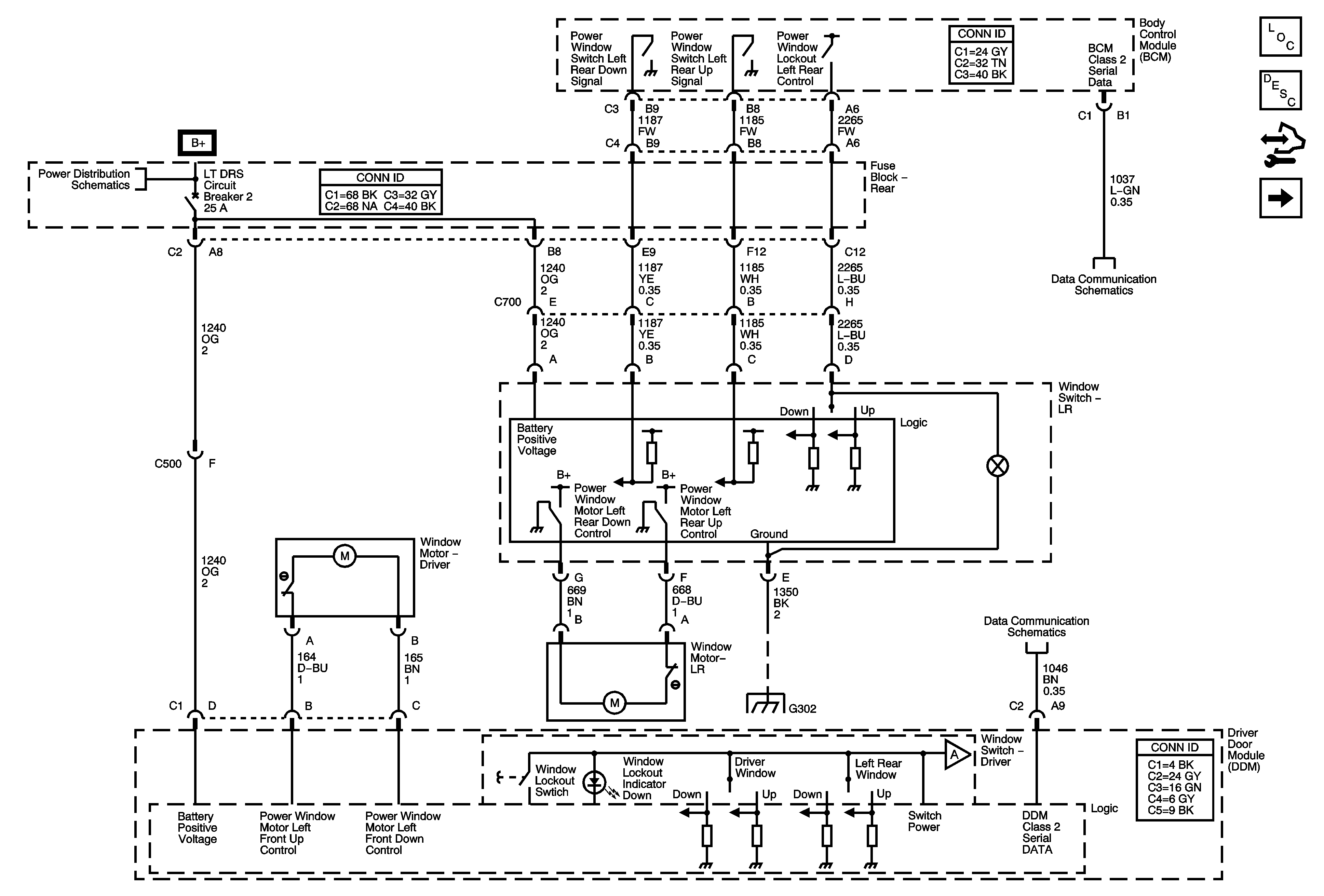
🢒 Power Windows - Left
Power Windows - Left
Power Windows - Left
Master Electrical Component List
Power Windows Description and Operation
Control Module References
Power Windows - Right
B+ BUS - Rear Fuse Block
SP205
SP306
G302 - 1 of 2, G303, and G304
Power Windows - Right