GM Service Manual Online
For 1990-2009 cars only
Makes
🢒
Saab
🢒
2007
🢒
9-7x
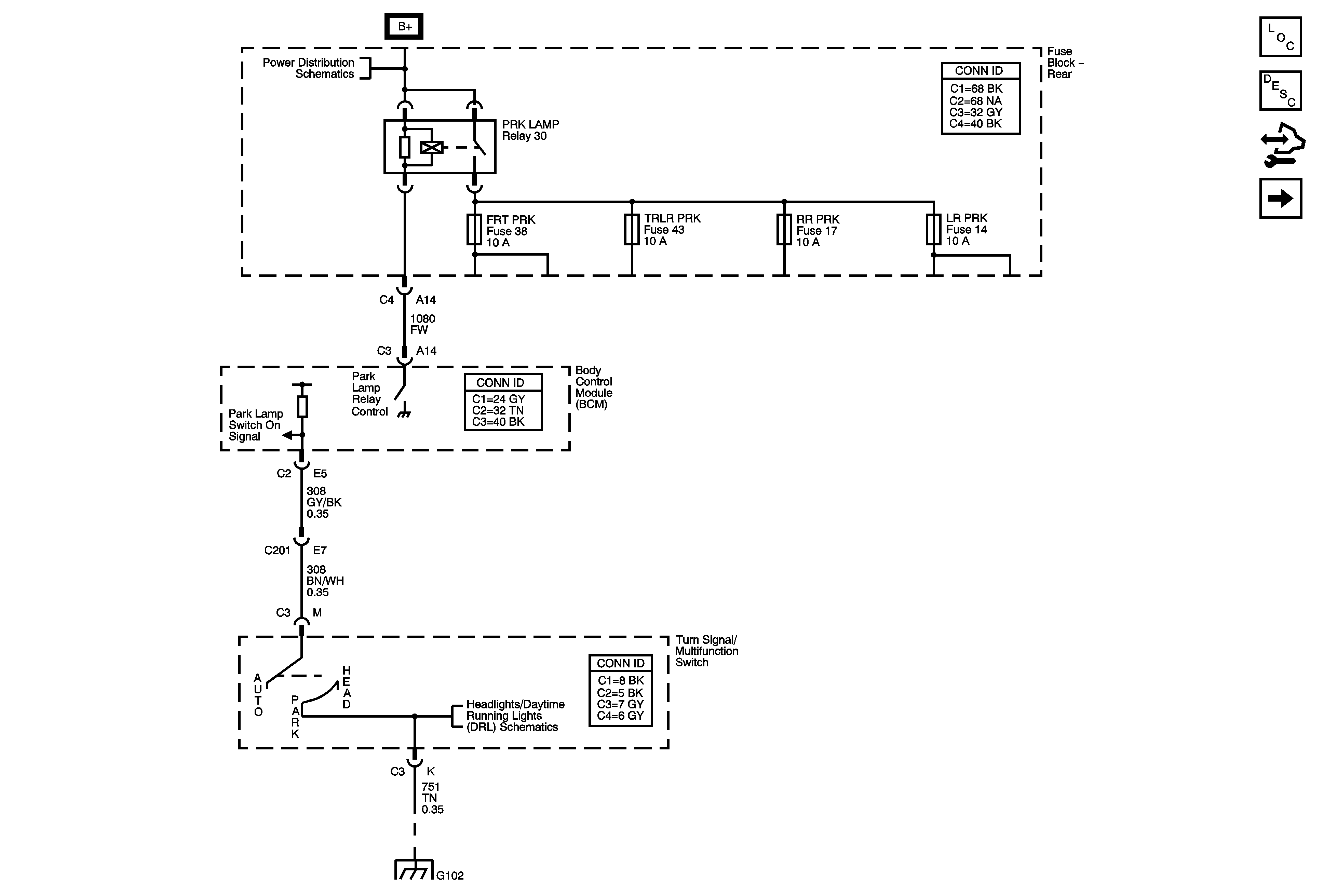
🢒 Park Lamp Relay
Park Lamp Relay
Park Lamp Relay
Master Electrical Component List
Exterior Lighting Systems Description and Operation
Control Module References
Marker and Front Park Lamps
B+ BUS - Rear Fuse Block
Headlamp Switch
G102