GM Service Manual Online
For 1990-2009 cars only
Makes
🢒
Saab
🢒
2007
🢒
9-7x
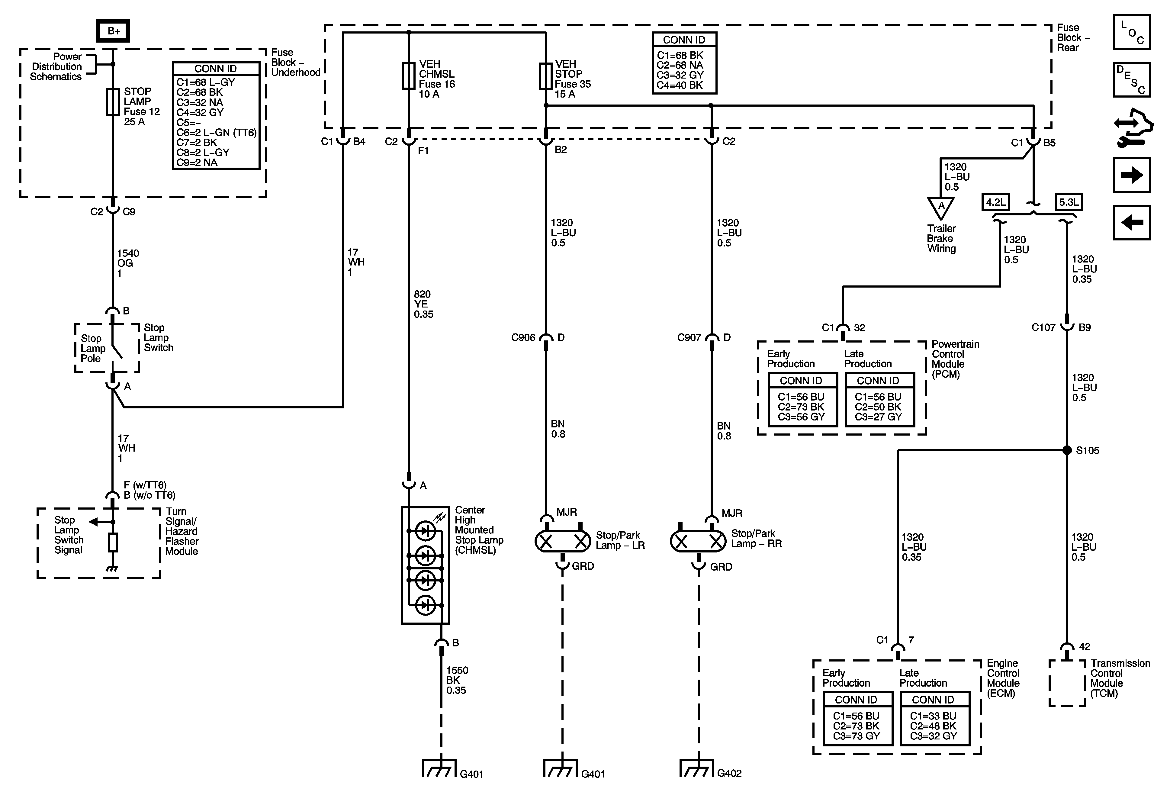
🢒 Stop Lamps
Stop Lamps
Stop Lamps
Master Electrical Component List
Exterior Lighting Systems Description and Operation
Control Module References
Turn Signal Lamps Controls
Rear Park, Marker, and License Lamps
B+ BUS - Underhood Fuse Block - 1 of 2
Trailer Wiring
G401, G402, and G403
G401, G402, and G403
G401, G402, and G403