GM Service Manual Online
For 1990-2009 cars only
Makes
🢒
Saab
🢒
2007
🢒
9-7x
🢒 Turn Signal Lamps Controls
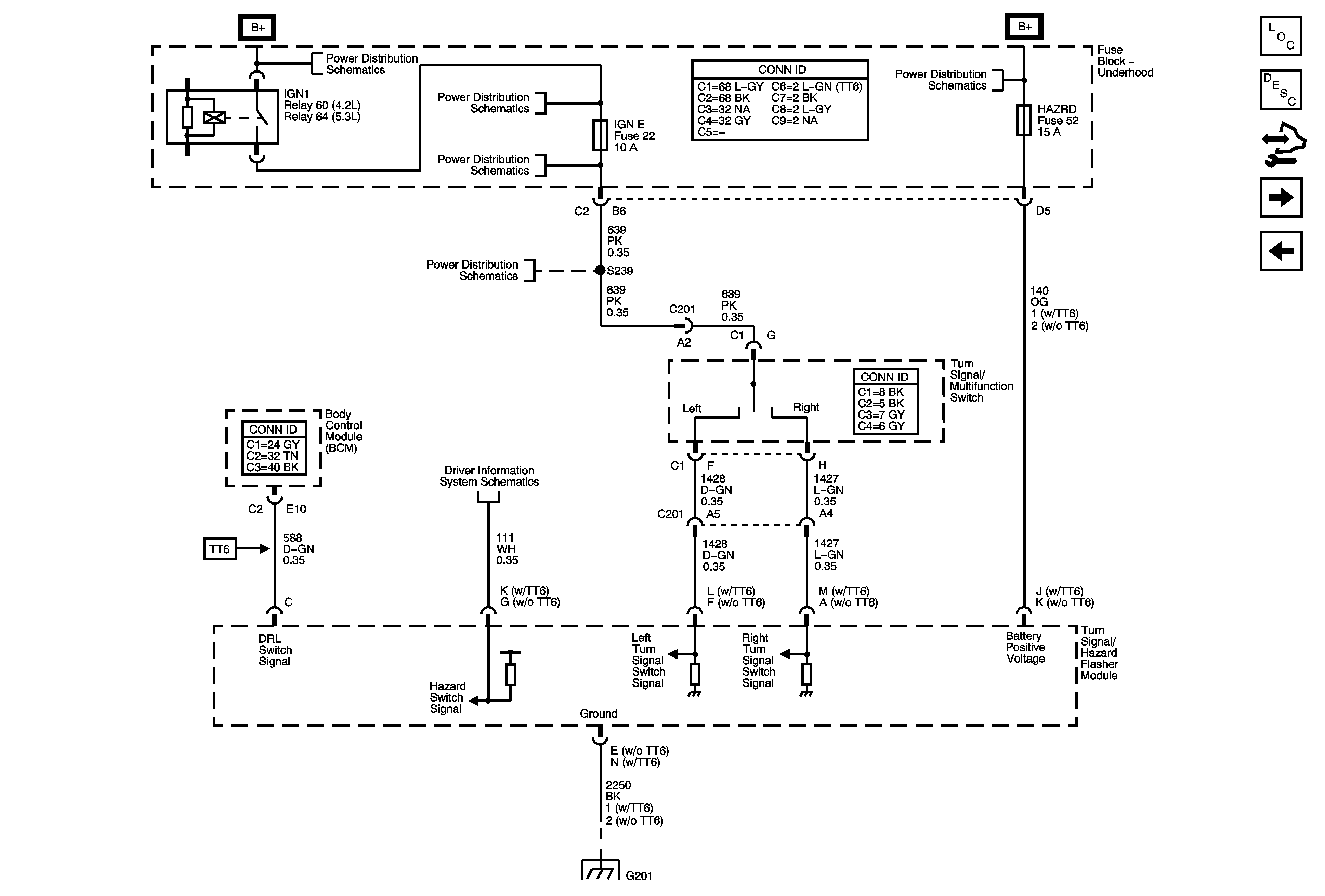
Turn Signal Lamps Controls
Turn Signal Lamps Controls
Master Electrical Component List
Exterior Lighting Systems Description and Operation
Control Module References
Left Turn Signals
Stop Lamps
B+ BUS - Underhood Fuse Block - 2 of 2
B+ BUS - Underhood Fuse Block - 1 of 2
BCK/UP, BTSI, IGN E, and TRLR BCK/UP Fuses
BCK/UP, BTSI, IGN E, and TRLR BCK/UP Fuses
BCK/UP, BTSI, IGN E, and TRLR BCK/UP Fuses
Driver Information Center (DIC) Switch
G201 - 1 of 2