GM Service Manual Online
For 1990-2009 cars only
Makes
🢒
Saab
🢒
2007
🢒
9-7x
🢒 OnStar Schematics
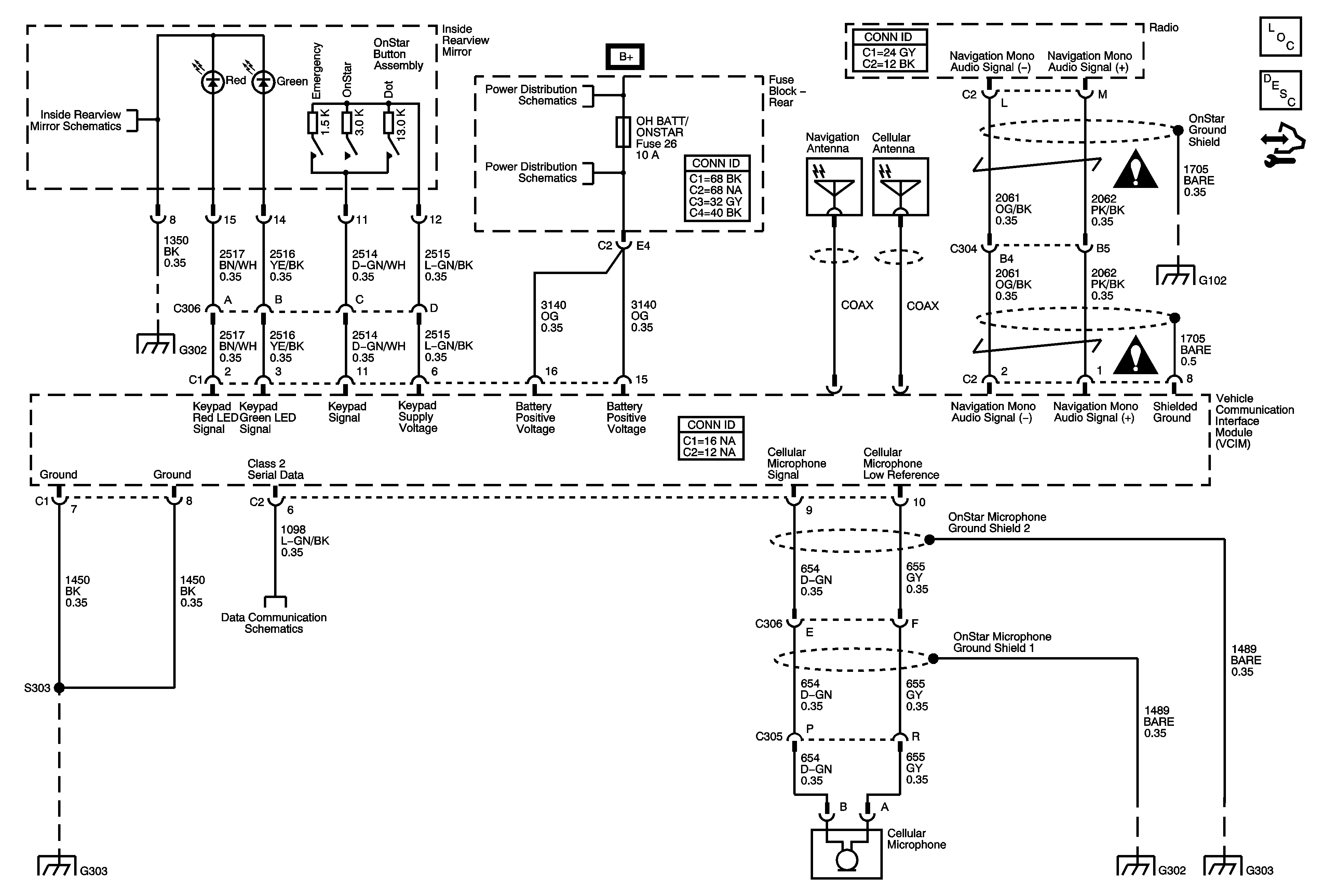
OnStar Schematics
Master Electrical Component List
OnStar Description and Operation
Control Module References
Inside Rearview Mirror Schematics
B+ BUS - Rear Fuse Block
HVAC B, LGM/DSM, OH BATT/ONSTAR, and RADIO Fuses
G302 - 1 of 2, G303, and G304
Entertainment/Communication Schematic Icons
G102
Entertainment/Communication Schematic Icons
SP306
G302 - 1 of 2, G303, and G304
G302 - 1 of 2, G303, and G304
G302 - 1 of 2, G303, and G304