GM Service Manual Online
For 1990-2009 cars only
Makes
🢒
Saab
🢒
2007
🢒
9-7x
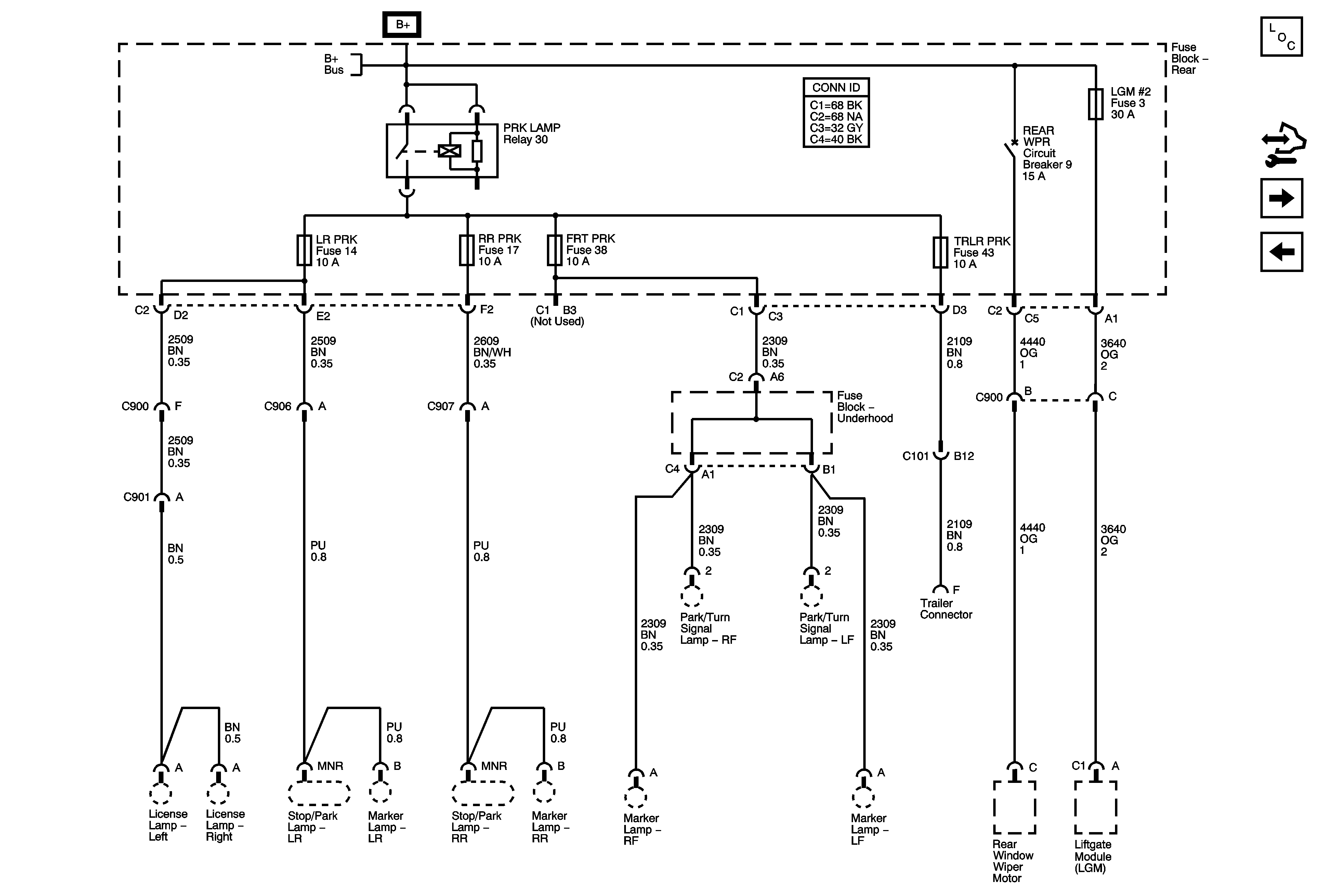
🢒 FRT PRK, LGM #2, LR PRK, RR PRK, TRLR PRK Fuses, and REAR WPR Circuit Breakers
FRT PRK, LGM #2, LR PRK, RR PRK, TRLR PRK Fuses, and REAR WPR Circuit Breakers
FRT PRK, LGM #2, LR PRK, RR PRK, TRLR PRK Fuses, and REAR WPR Circuit Breakers
Master Electrical Component List
Control Module References
Ignition Switch - ACCY/RUN/START, RUN, START Bus Bars, and IGNA1 Fuse
AMP, DDM, PDM Fuses, LT DRS, RT DRS, and SEATS Circuit Breakers
B+ BUS - Rear Fuse Block