GM Service Manual Online
For 1990-2009 cars only
Makes
🢒
Saab
🢒
2007
🢒
9-7x
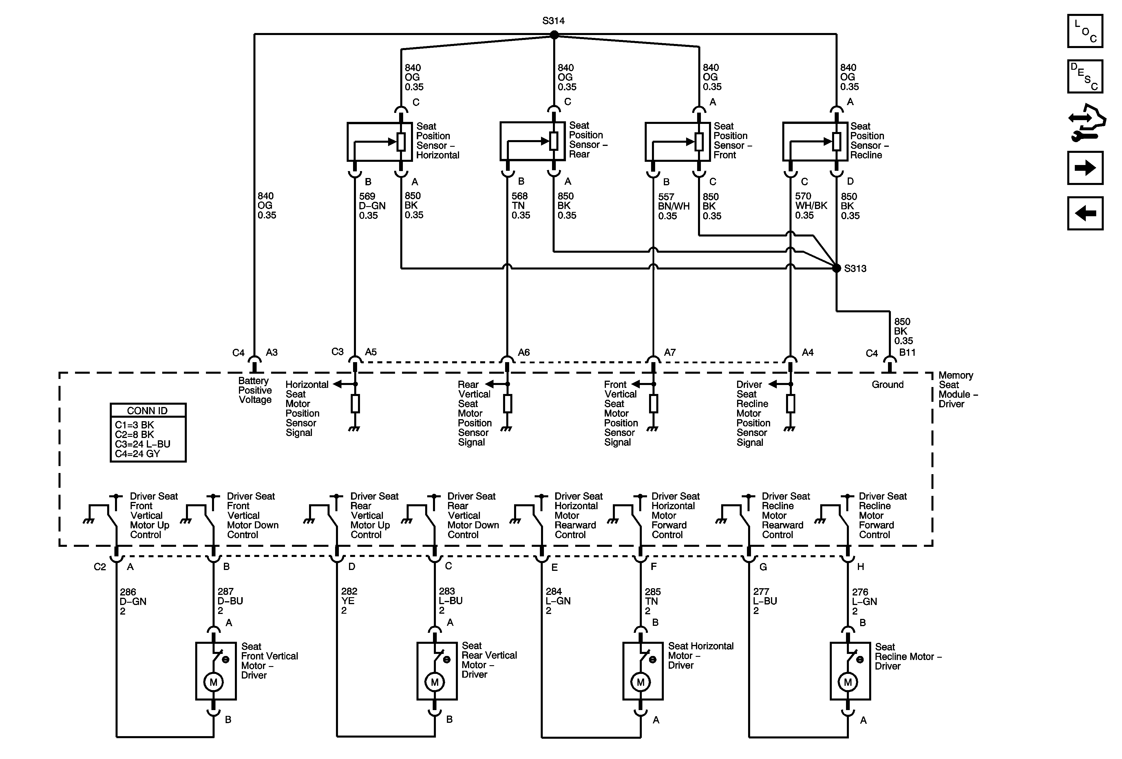
🢒 Power Seat Controls - Motor and Position Sensors
Power Seat Controls - Motor and Position Sensors
Power Seat Controls - Motor and Position Sensors
Master Electrical Component List
Power Seats System Description and Operation
Control Module References
Lumbar Controls
Power Seat Controls - Power, Ground, and Switch Controls