GM Service Manual Online
For 1990-2009 cars only
Makes
🢒
Saab
🢒
2008
🢒
9-7x
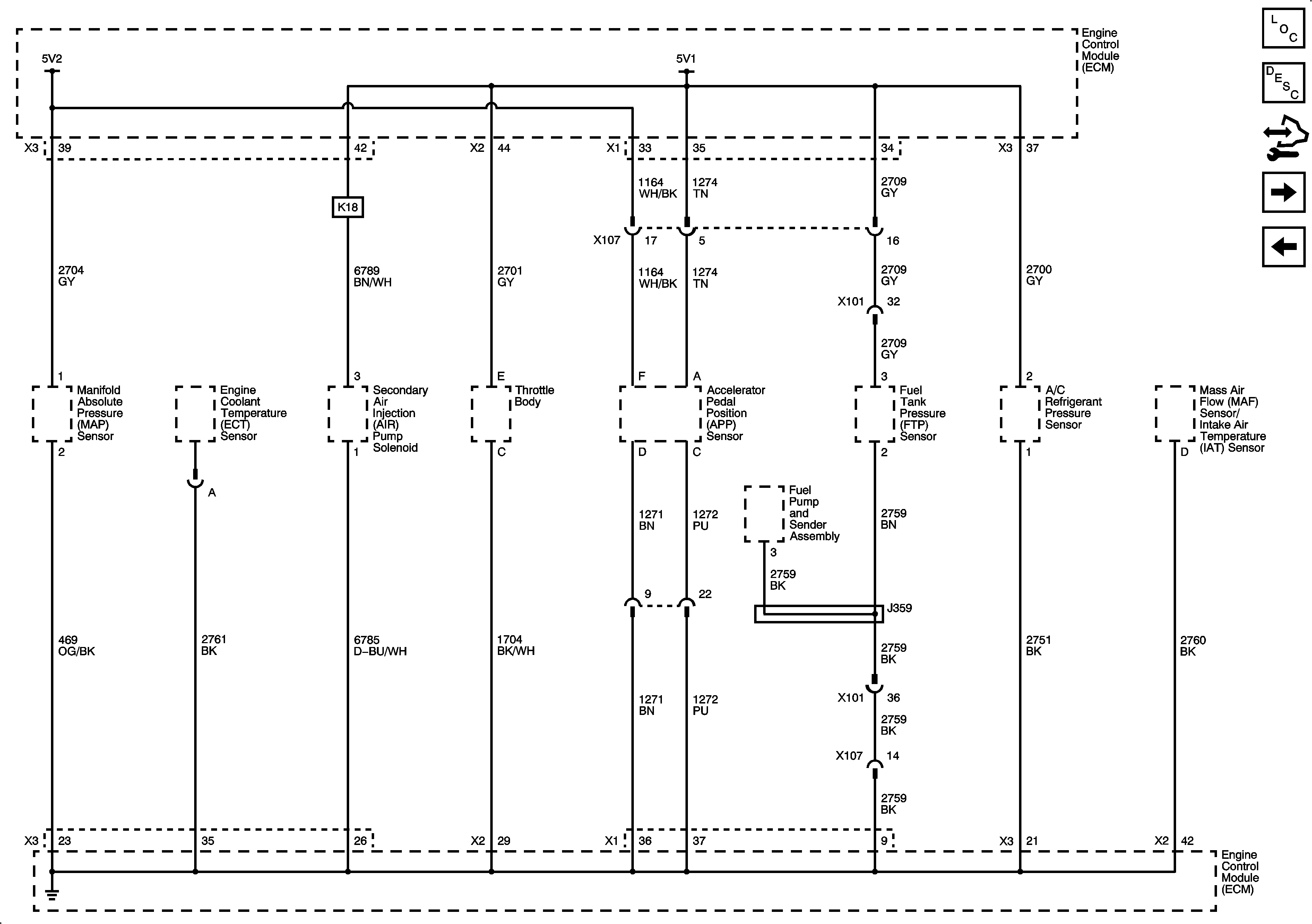
🢒 5-Volt and Low Reference
5-Volt and Low Reference
5-Volt and Low Reference
Master Electrical Component List
Engine Control Module Description
Control Module References
Engine Data Sensors - Pressure and Temperature
Ignition Controls - Ignition System Coils 2, 4 and 6