GM Service Manual Online
For 1990-2009 cars only
Makes
🢒
Saab
🢒
2008
🢒
9-7x
🢒 Engine Data Sensors - Pressure and Temperature
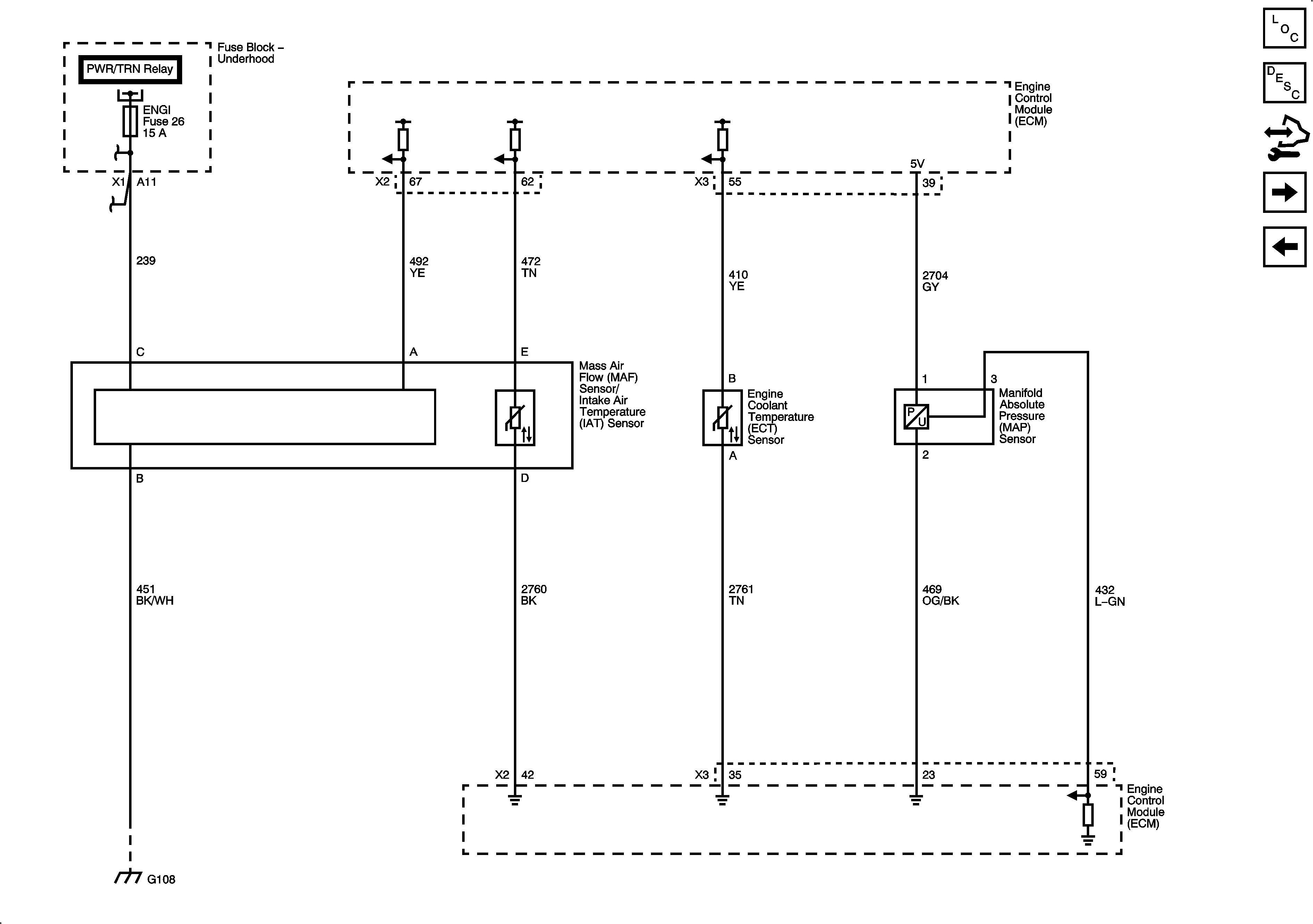
Engine Data Sensors - Pressure and Temperature
Engine Data Sensors - Pressure and Temperature
Master Electrical Component List
Engine Control Module Description
Control Module References
Engine Data Sensors - Oxygen Sensors
5-Volt and Low Reference