GM Service Manual Online
For 1990-2009 cars only
Makes
🢒
Saturn
🢒
2007
🢒
AURA
🢒
Diagnostic Navigation
🢒
Vehicle Diagnostic Information
🢒 HVAC Schematics
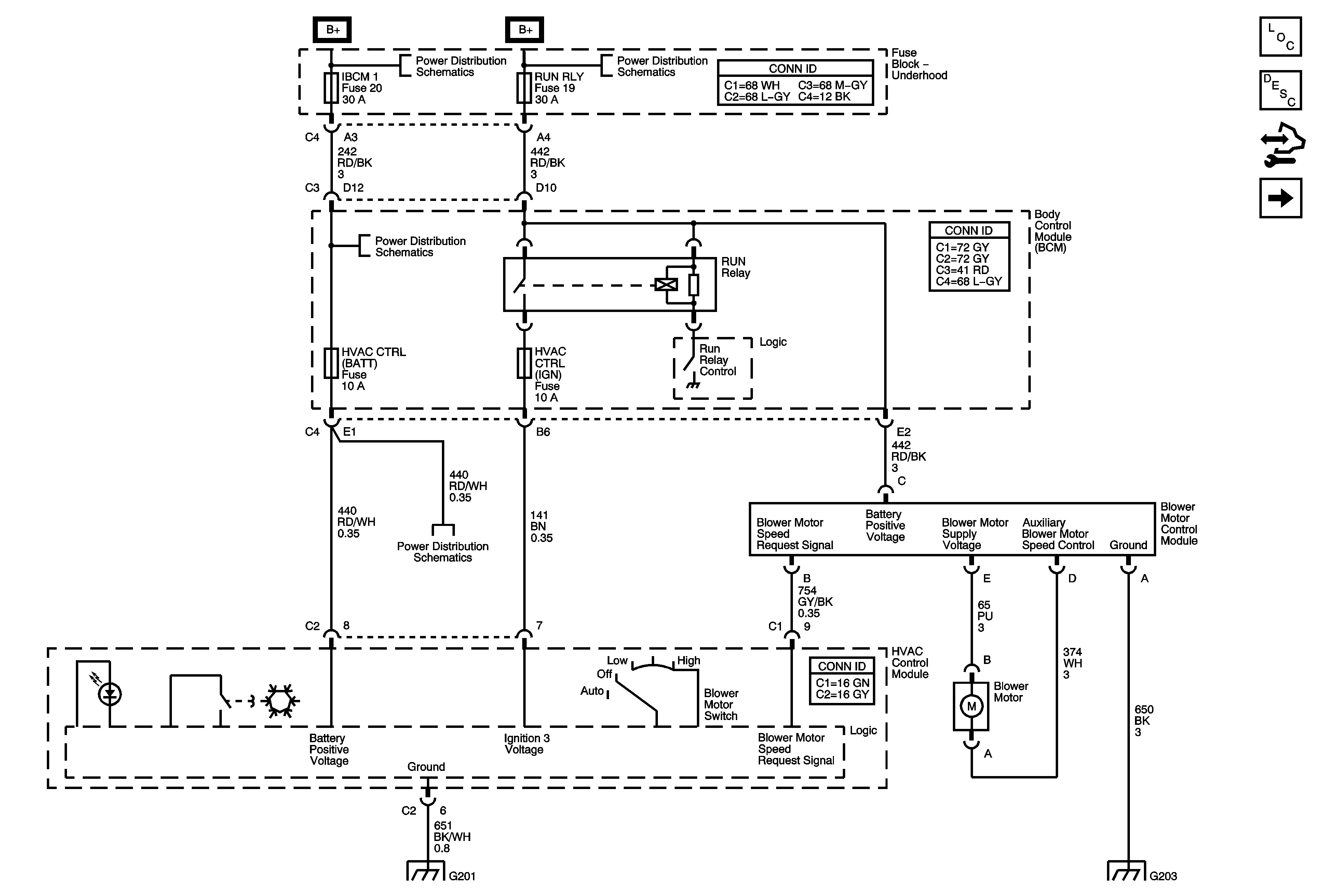
Figure
1:
Power, Ground and Blower Motor Controls
Master Electrical Component List
Air Delivery Description and Operation
Control Module References
Compressor Controls
Underhood Fuse Block IBCM1, Body Control Module (BCM) AIRBAG (BATT), CLUSTER/THEFT, HVAC CTRL (BATT), IGN SENSOR and RADIO Fuses
Underhood Fuse Block RUN RLY, RBEC2, Body Control Module (BCM), HVAC BLOWER, HVAC CTRL (IGN) Rear Fuse Block, DRV ST, EMISSION 2, FUEL PUMP, PARK LAMPS and TRUNK Fuses
Underhood Fuse Block IBCM1, Body Control Module (BCM) AIRBAG (BATT), CLUSTER/THEFT, HVAC CTRL (BATT), IGN SENSOR and RADIO Fuses
Underhood Fuse Block IBCM1, Body Control Module (BCM) AIRBAG (BATT), CLUSTER/THEFT, HVAC CTRL (BATT), IGN SENSOR and RADIO Fuses
G201
G203
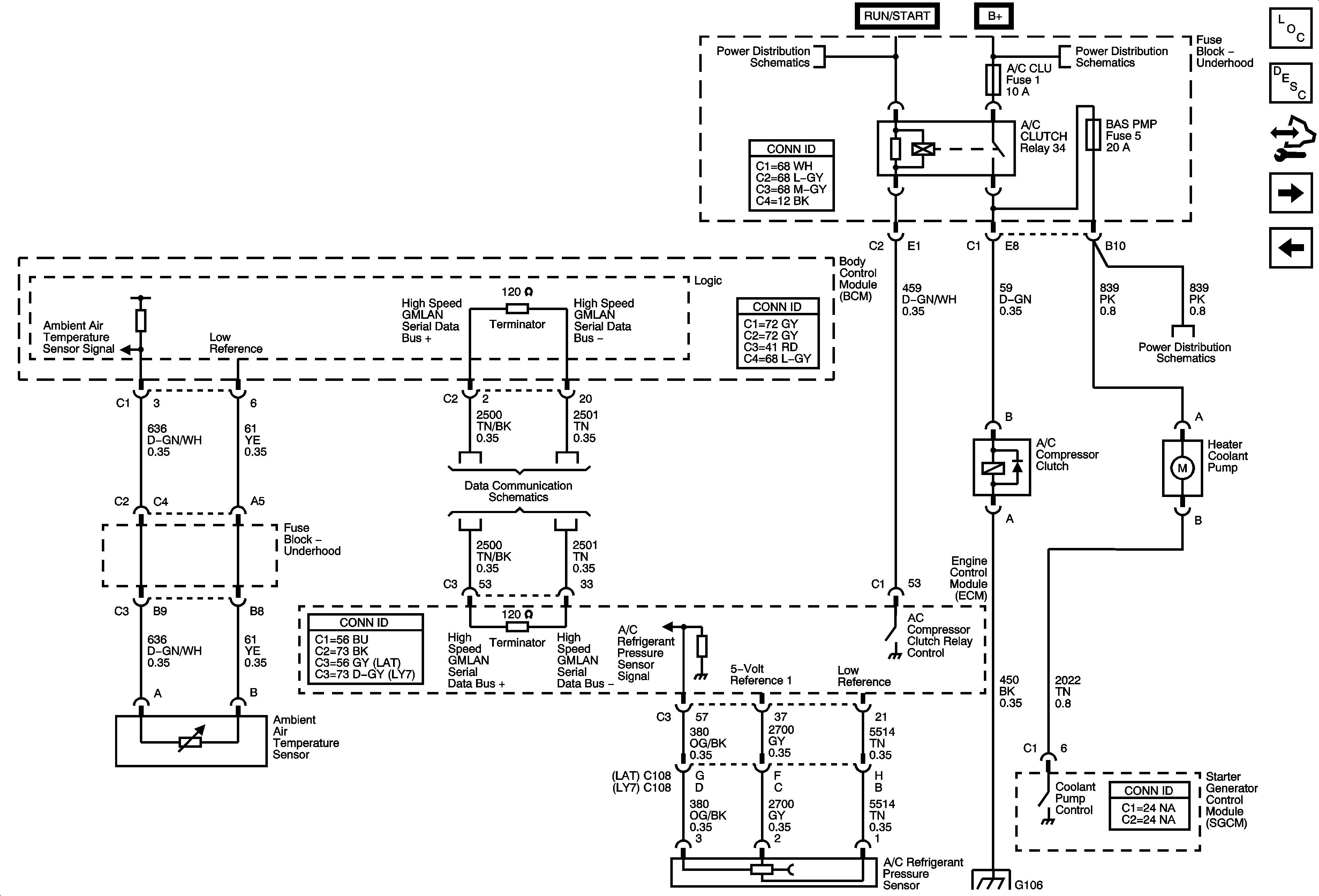
Figure
2:
Compressor Controls
Master Electrical Component List
Air Temperature Description and Operation
Control Module References
Air Temperature and Mode Controls
Power, Ground and Blower Motor Controls
Underhood Fuse Block A/C Clutch and PWR/TRN Relays, A/C CLU, EMISSION 1, INJ/COIL ODD/IGN/MOD, INJECTORS INJ COIL/EVEN and POST 02 Fuses and ETC Fuses
Underhood Fuse Block A/C Clutch and PWR/TRN Relays, A/C CLU, EMISSION 1, INJ/COIL ODD/IGN/MOD, INJECTORS INJ COIL/EVEN and POST 02 Fuses and ETC Fuses
Power, Ground and High Speed Serial Data
G106
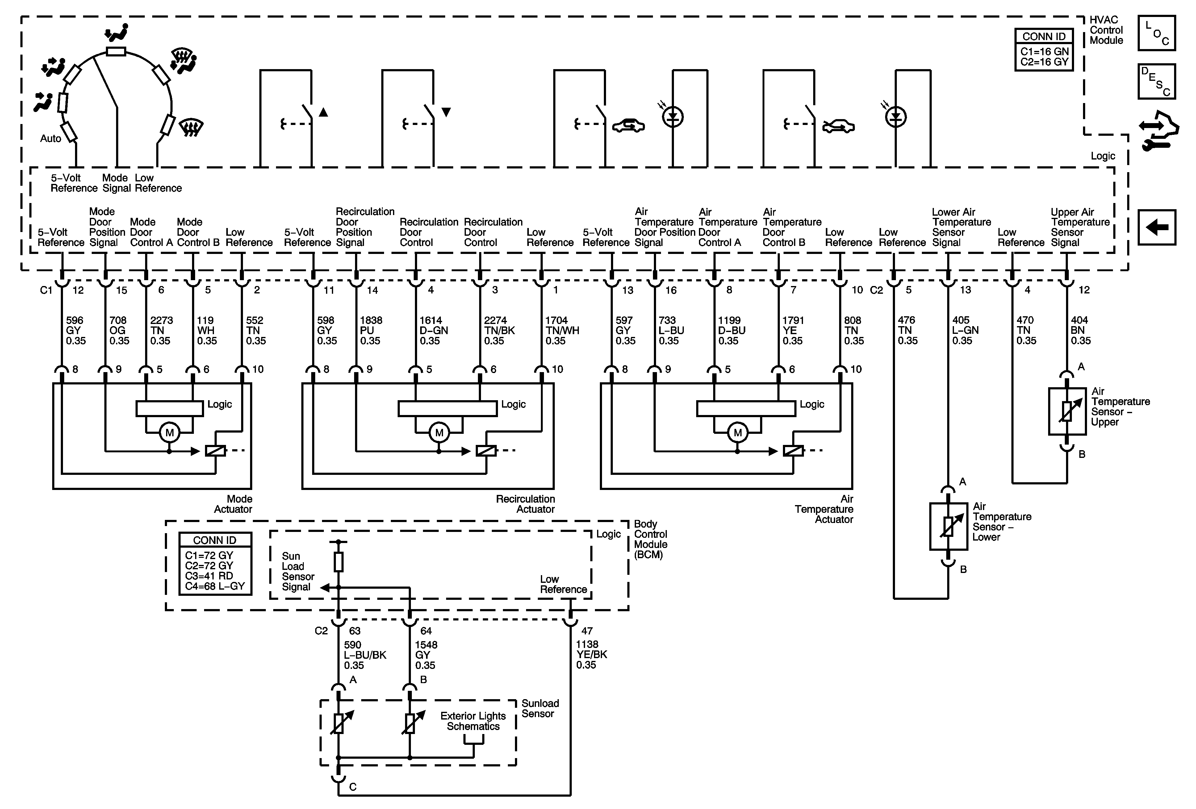
Figure
3:
Air Temperature and Mode Controls
Master Electrical Component List
Air Temperature Description and Operation
Control Module References
Compressor Controls