GM Service Manual Online
For 1990-2009 cars only
Makes
🢒
Saturn
🢒
2007
🢒
AURA
🢒
Diagnostic Navigation
🢒
Vehicle Diagnostic Information
🢒 Instrument Cluster Schematics
Figure
1:
Power Ground and Illumination
Master Electrical Component List
Instrument Cluster Description and Operation
Control Module References
Indicators
Underhood Fuse Block IBCM1, Body Control Module (BCM) AIRBAG (BATT), CLUSTER/THEFT, HVAC CTRL (BATT), IGN SENSOR and RADIO Fuses
Power, Ground and Serial Data
Underhood Fuse Block IBCM1, Body Control Module (BCM) AIRBAG (BATT), CLUSTER/THEFT, HVAC CTRL (BATT), IGN SENSOR and RADIO Fuses
Underhood Fuse Block IBCM1, Body Control Module (BCM) AIRBAG (BATT), CLUSTER/THEFT, HVAC CTRL (BATT), IGN SENSOR and RADIO Fuses
G201
Power, Ground, Serial Data and MIL
Power, Ground, Serial Data and MIL
Power, Ground, Serial Data and MIL
Immobilizer Schematics
Theft Deterrent System Schematics
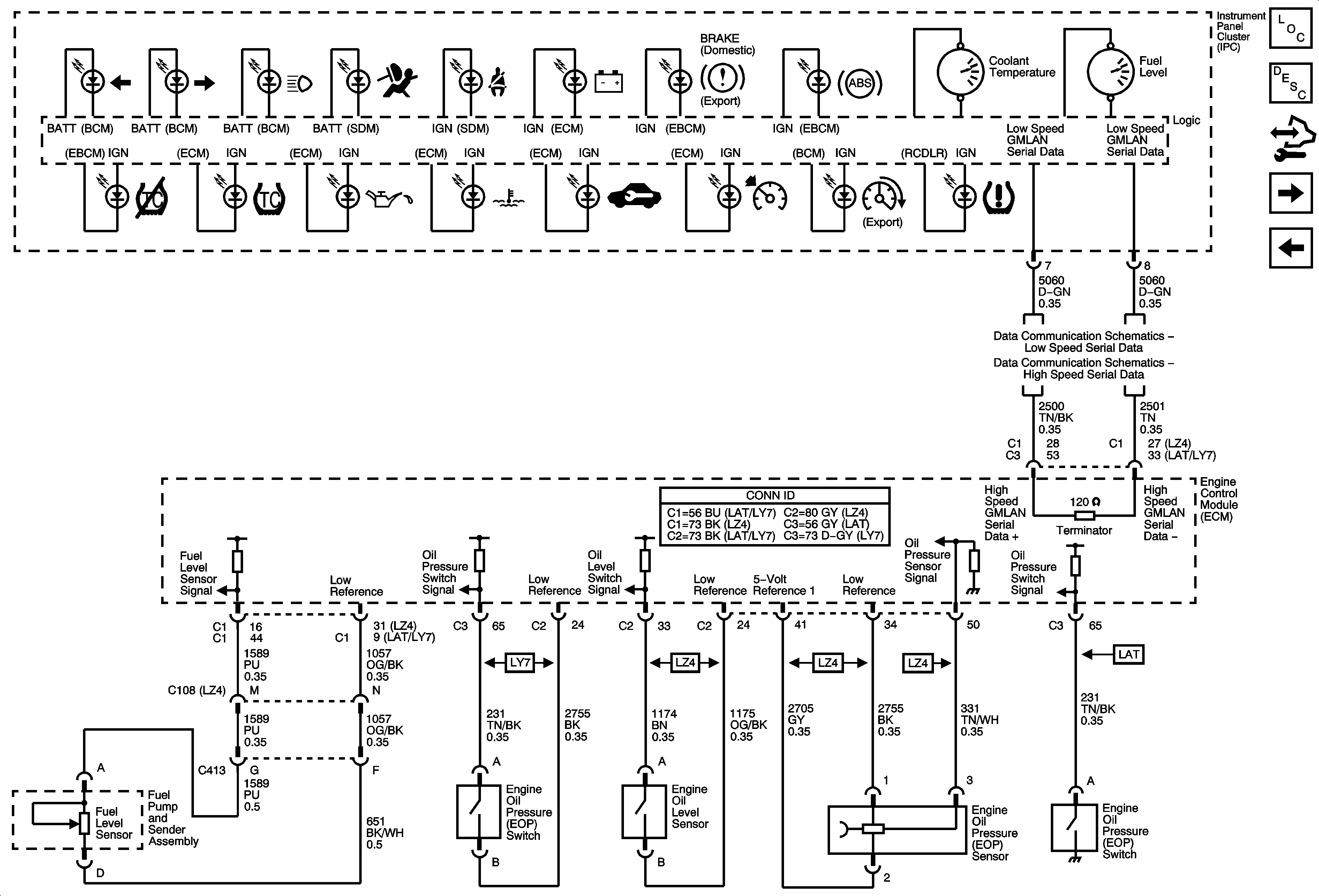
Figure
2:
Indicators
Master Electrical Component List
Instrument Cluster Description and Operation
Control Module References
Power, Ground and Illumination
Low Speed Serial Data
Power, Ground and High Speed Serial Data
Figure
3:
Vehicle Speed Signal - C3Y