GM Service Manual Online
For 1990-2009 cars only
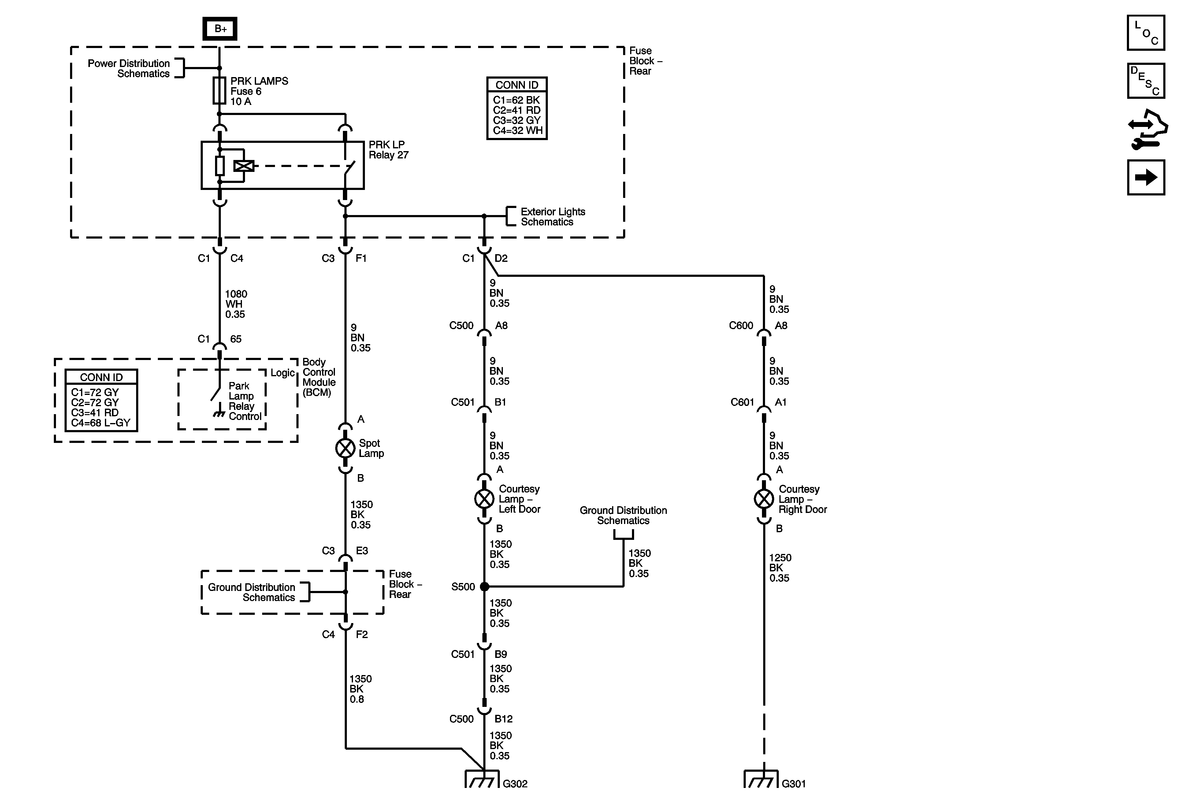
Figure 1:

Courtesy Lamps 1 of 2


Object Number: 1845213  Size: FS
Master Electrical Component List
Interior Lighting Systems Description and Operation
Control Module References
Courtesy Lamps 2 of 2
Underhood Fuse Block RUN RLY, RBEC2, Body Control Module (BCM), HVAC BLOWER, HVAC CTRL (IGN) Rear Fuse Block, DRV ST, EMISSION 2, FUEL PUMP, PARK LAMPS and TRUNK Fuses
Marker Lamps and Tail Lamps
G302
G302
G301
G302
G301
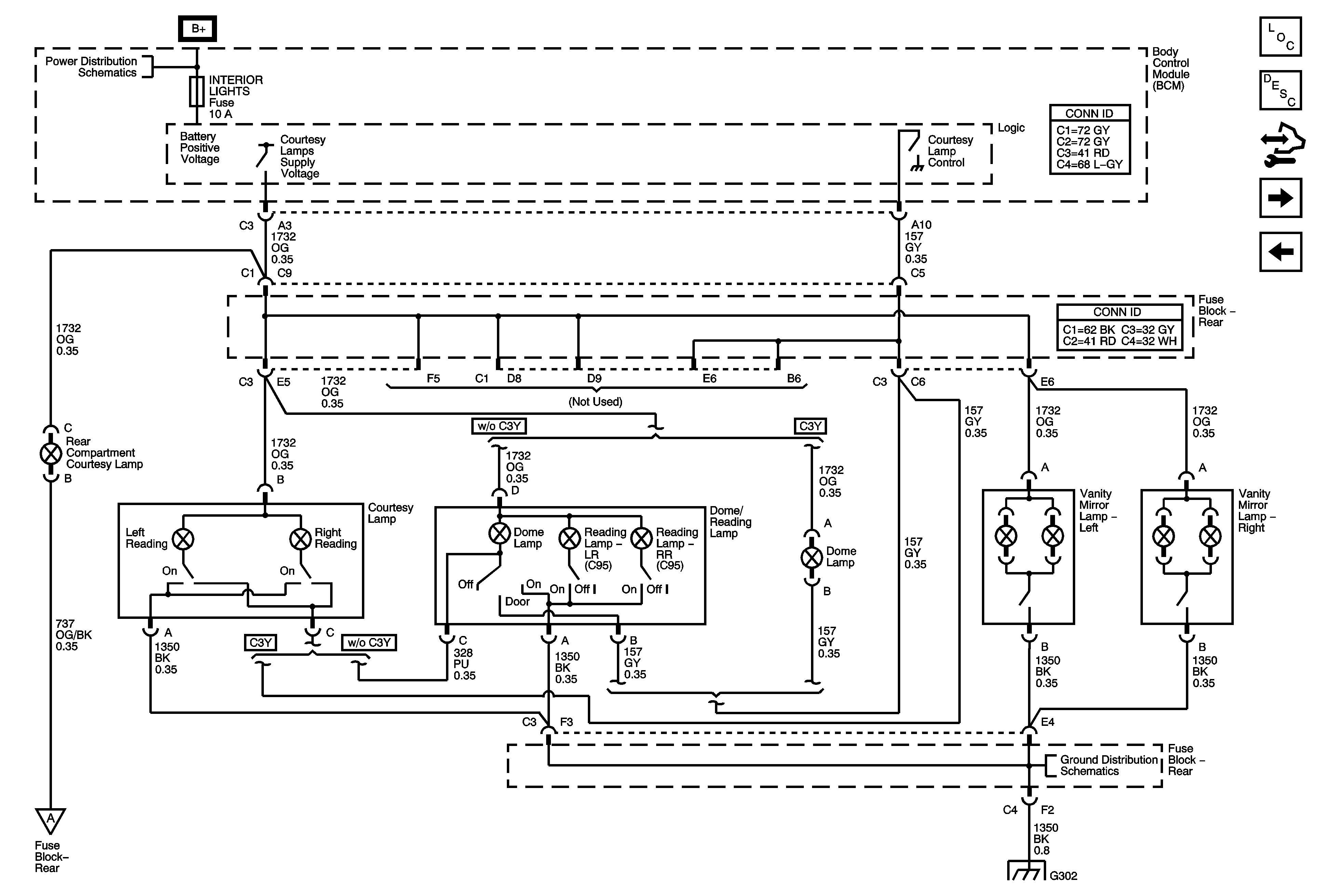
Figure 2:

Courtesy Lamps 2 of 2


Object Number: 1807584  Size: FS
Master Electrical Component List
Interior Lighting Systems Description and Operation
Control Module References
Ajar Switches
Underhood Fuse Block IBCM 2, BATTERY SENSE, Body Control Module (BCM), ACCESSORY Relay, DOOR LOCK, INTERIOR LIGHTS, POWER WINDOWS, ROOF/HEAT SEAT and WIPER SW Fuses
Ajar Switches
G302
G302
Figure 3:

Ajar Switches


Object Number: 1807582  Size: FS
Master Electrical Component List
Interior Lighting Systems Description and Operation
Control Module References
Courtesy Lamps 2 of 2
Courtesy Lamps 2 of 2
Door Lock Switches
Release System Schematics
G301
G302
G301