GM Service Manual Online
For 1990-2009 cars only
Makes
🢒
Saturn
🢒
2007
🢒
AURA
🢒
Body Systems
🢒
Vehicle Access
🢒 Release Systems Schematics
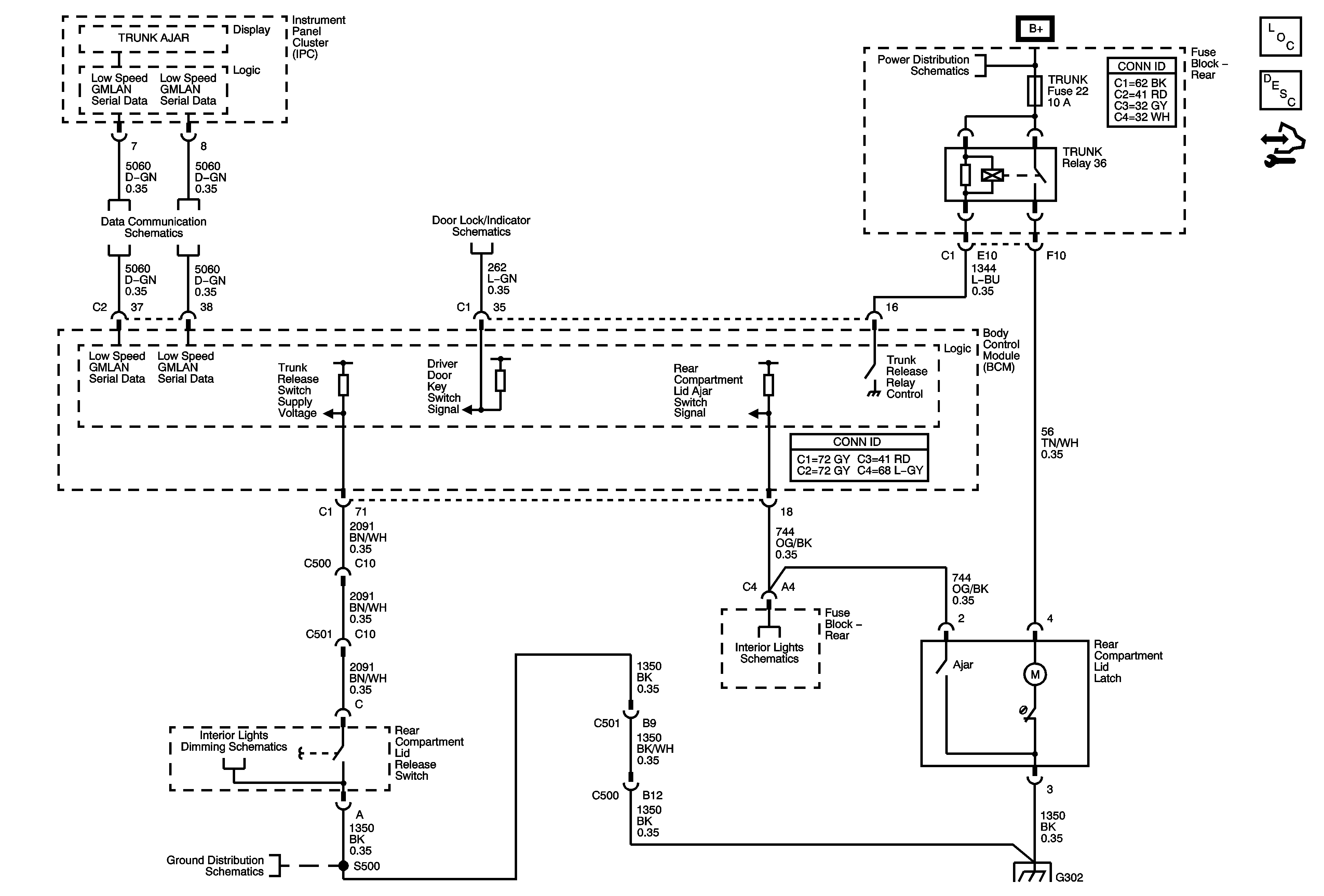
Master Electrical Component List
Luggage Compartment Description and Operation (Sedan)
Control Module References
Low Speed Serial Data
Door Lock Switches
Switches
G302
Ajar Switches
G302