GM Service Manual Online
For 1990-2009 cars only

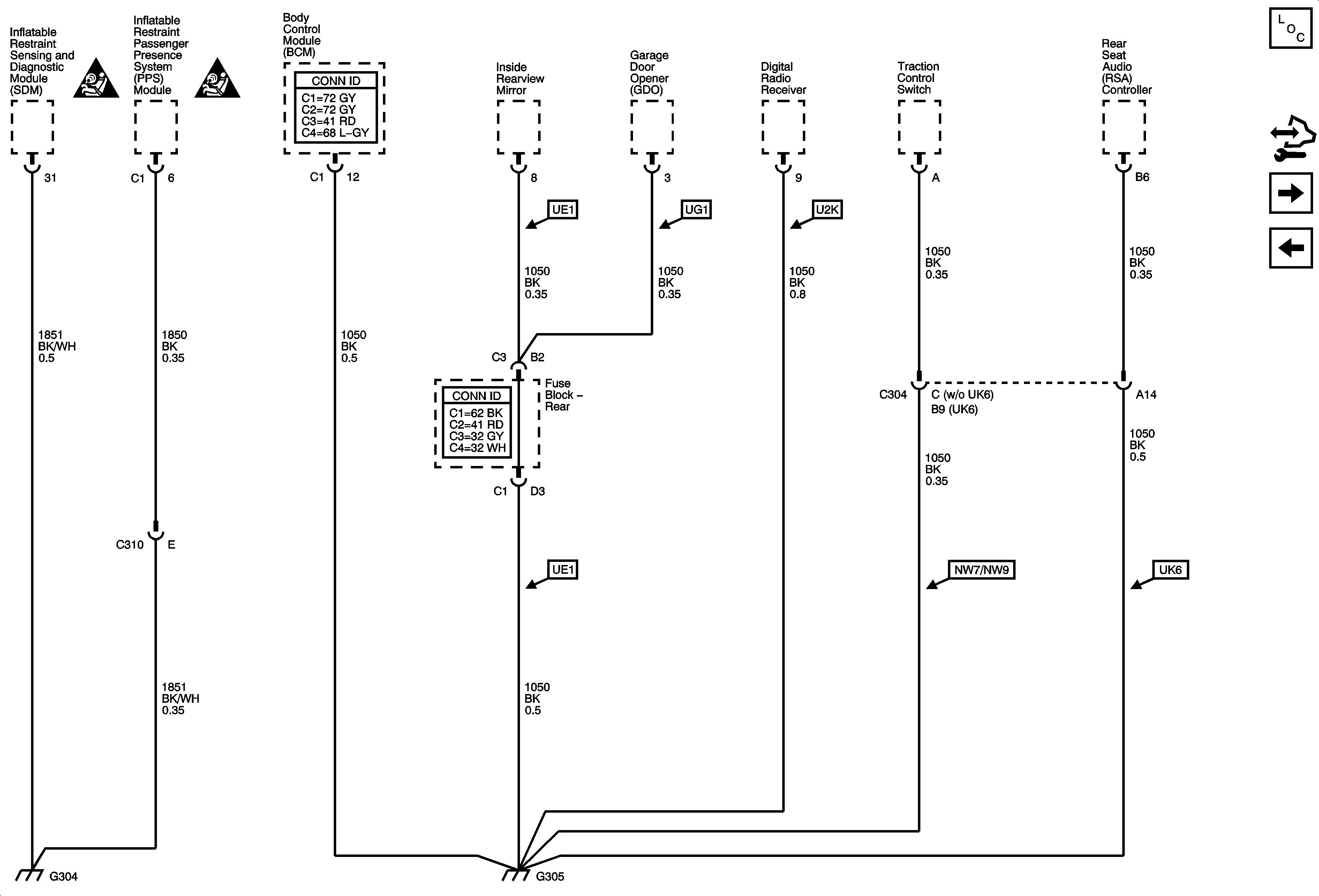
G305

G305


Object Number: 1805408  Size: FS
Master Electrical Component List
Control Module References
G401 and G403
G303