GM Service Manual Online
For 1990-2009 cars only

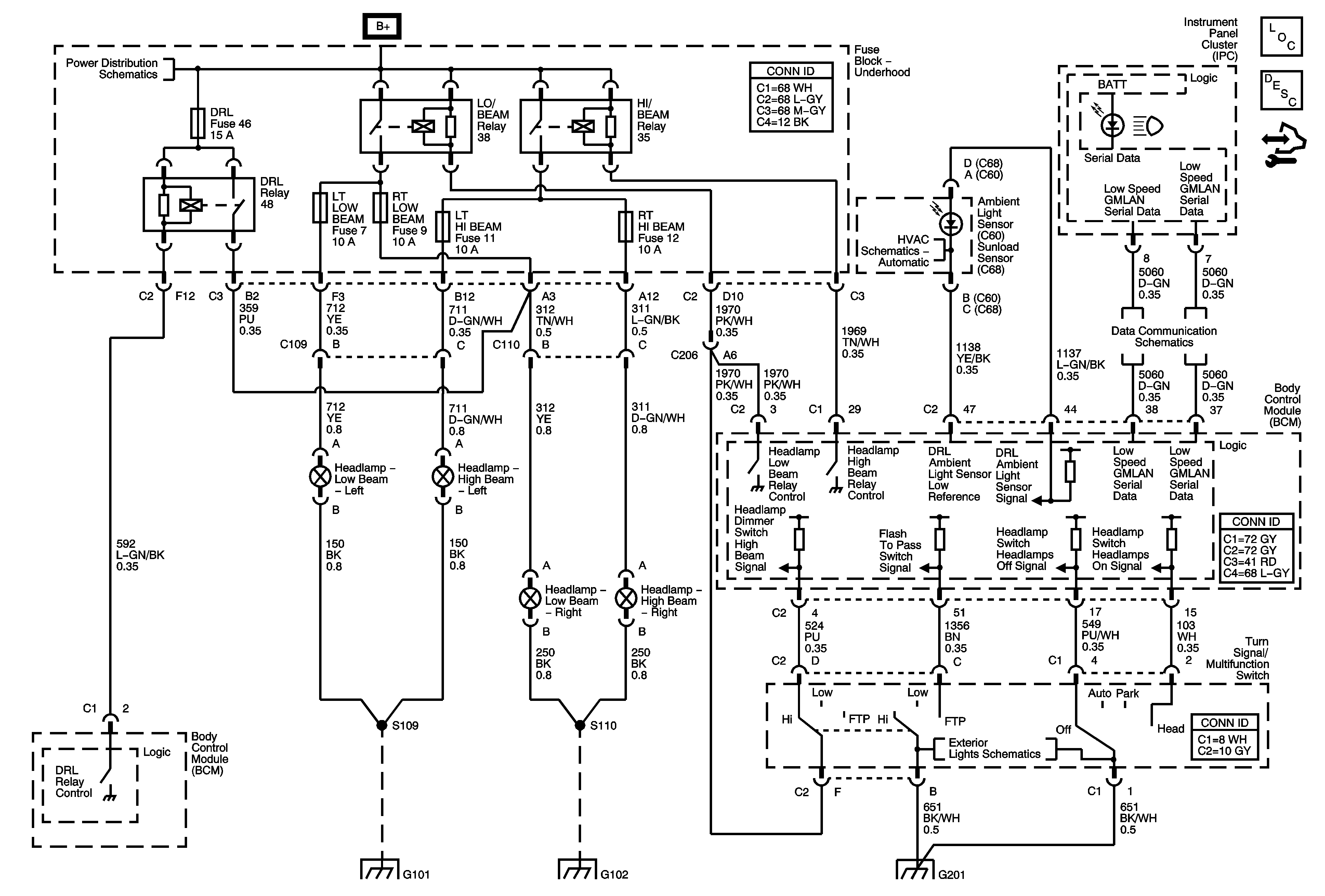
Headlights/Daytime Running Lights (DRL) Schematics


Object Number: 1807397  Size: FS
Master Electrical Component List
Exterior Lighting Systems Description and Operation
Control Module References
Underhood Fuse Block DRL, HI/BEAM and LO/BEAM Relays, ABS, DRL, EPS, IBCM 1, IBCM 2, LT HI BEAM, LT LOW BEAM, RT HI BEAM, RT LOW BEAM, ECM, and TCM Fuses
Air Temperature and Mode Controls
Low Speed Serial Data
G101 and G102
G101 and G102
Ambient Light Sensor, Brake Pedal Position Sensor, Hazard Switch and Turn Signal/Multifunction Switch
G201