GM Service Manual Online
For 1990-2009 cars only
Makes
🢒
Saturn
🢒
2007
🢒
AURA
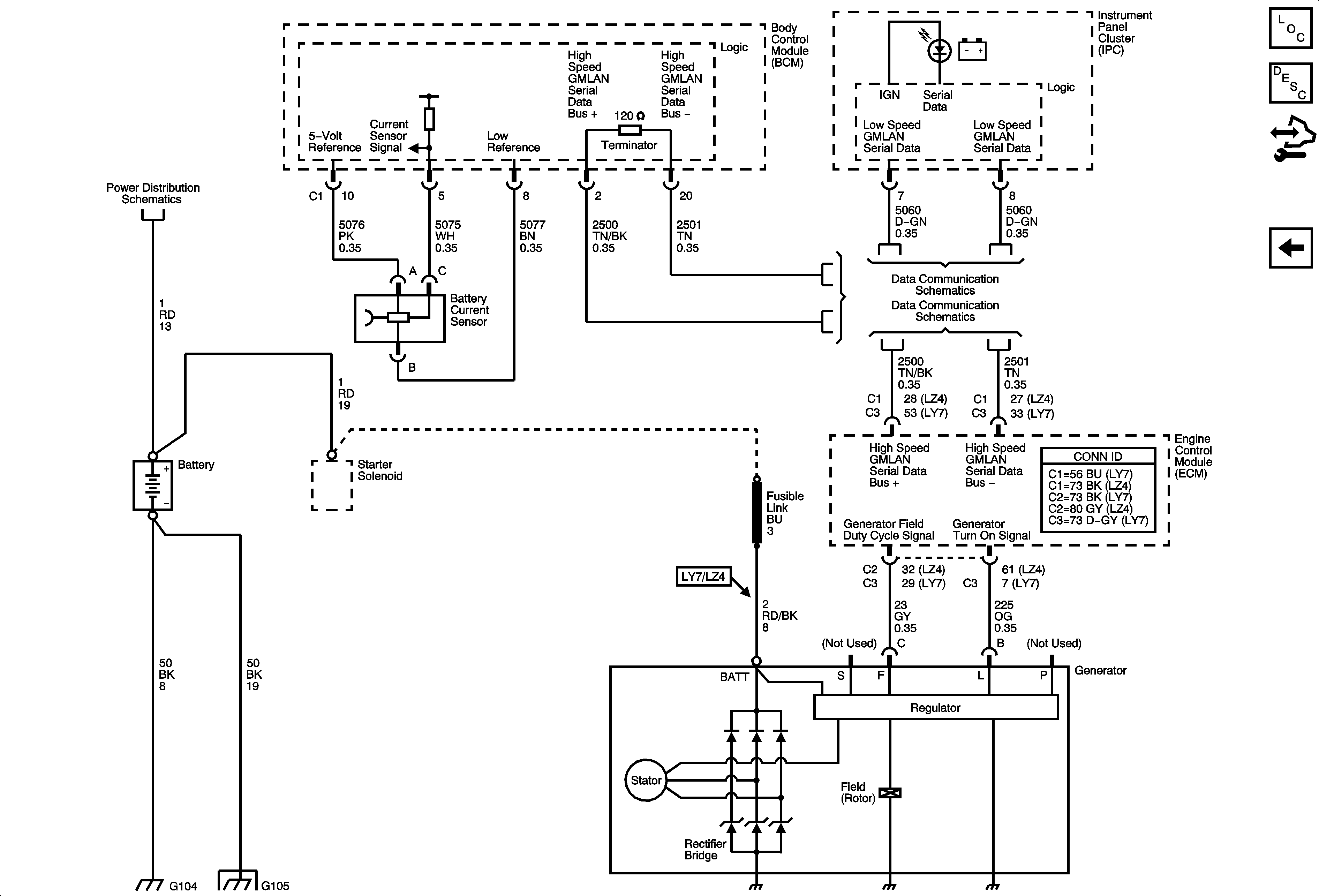
🢒 Charging System (LY7/LZ4)
Charging System (LY7/LZ4)
Charging System (LY7/LZ4)
Master Electrical Component List
Charging System Description and Operation
Control Module References
Starting System (LY7/LZ4)
B+ Bus
Low Speed Serial Data
Power, Ground and High Speed Serial Data
G103, G104 and G105
G103, G104 and G105