GM Service Manual Online
For 1990-2009 cars only

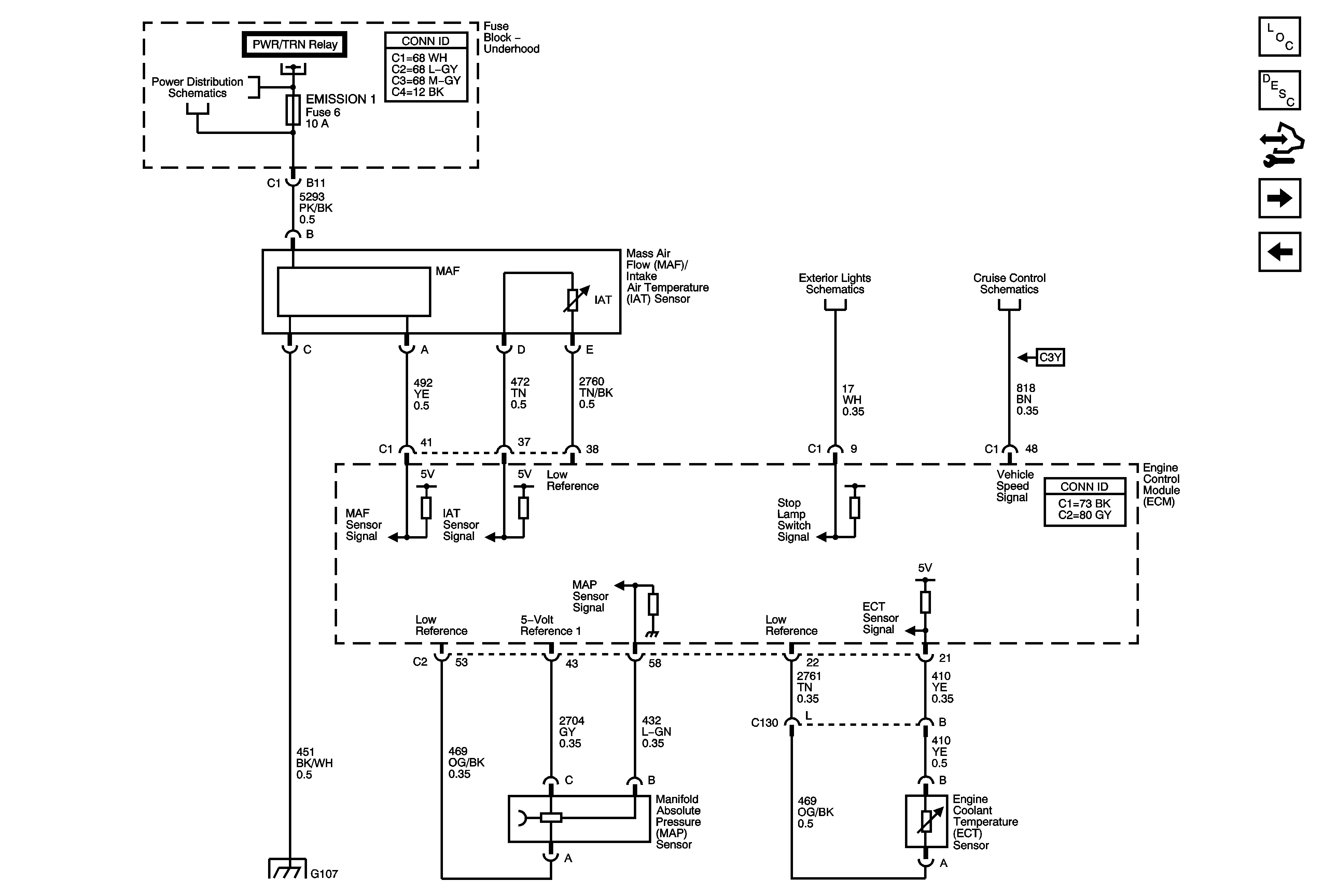
ECT, MAF/IAT and MAP Sensors

ECT, MAF/IAT and MAP Sensors


Object Number: 1829082  Size: FS
Master Electrical Component List
Engine Control Module Description
Control Module References
Heated Oxygen Sensors
5-Volt and Low References
Underhood Fuse Block A/C Clutch and PWR/TRN Relays, A/C CLU, EMISSION 1, INJ/COIL ODD/IGN/MOD, INJECTORS INJ COIL/EVEN and POST 02 Fuses and ETC Fuses
Stop Lamps