GM Service Manual Online
For 1990-2009 cars only
Makes
🢒
Saturn
🢒
2007
🢒
AURA
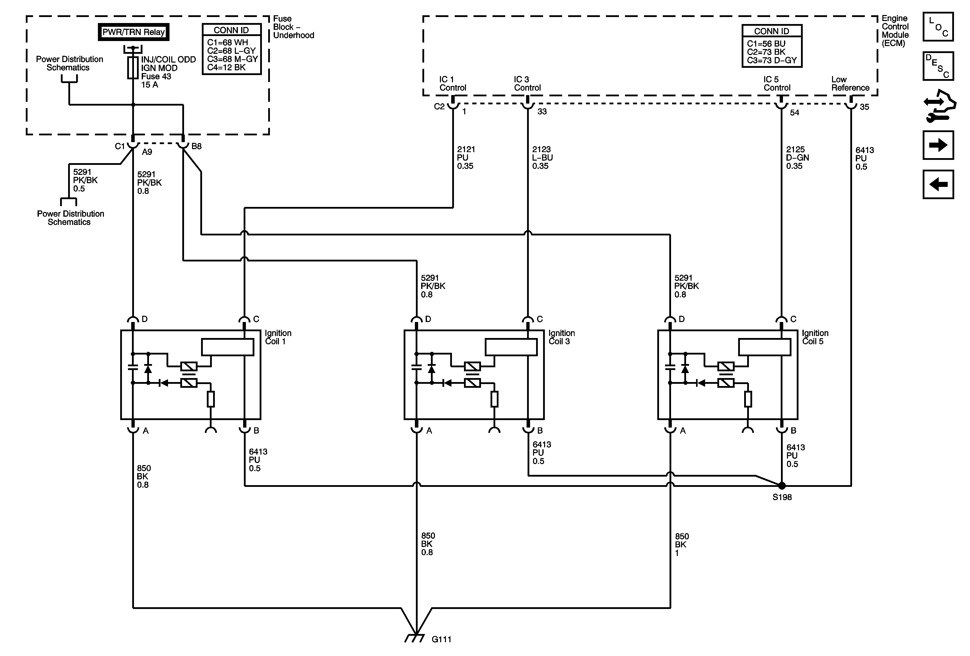
🢒 Bank 1 Ignition Coils
Bank 1 Ignition Coils
Bank 1 Ignition Coils
Master Electrical Component List
Electronic Ignition (EI) System Description
Control Module References
Bank 2 Ignition Coils
Ignition System