GM Service Manual Online
For 1990-2009 cars only
Makes
🢒
Saturn
🢒
2007
🢒
AURA
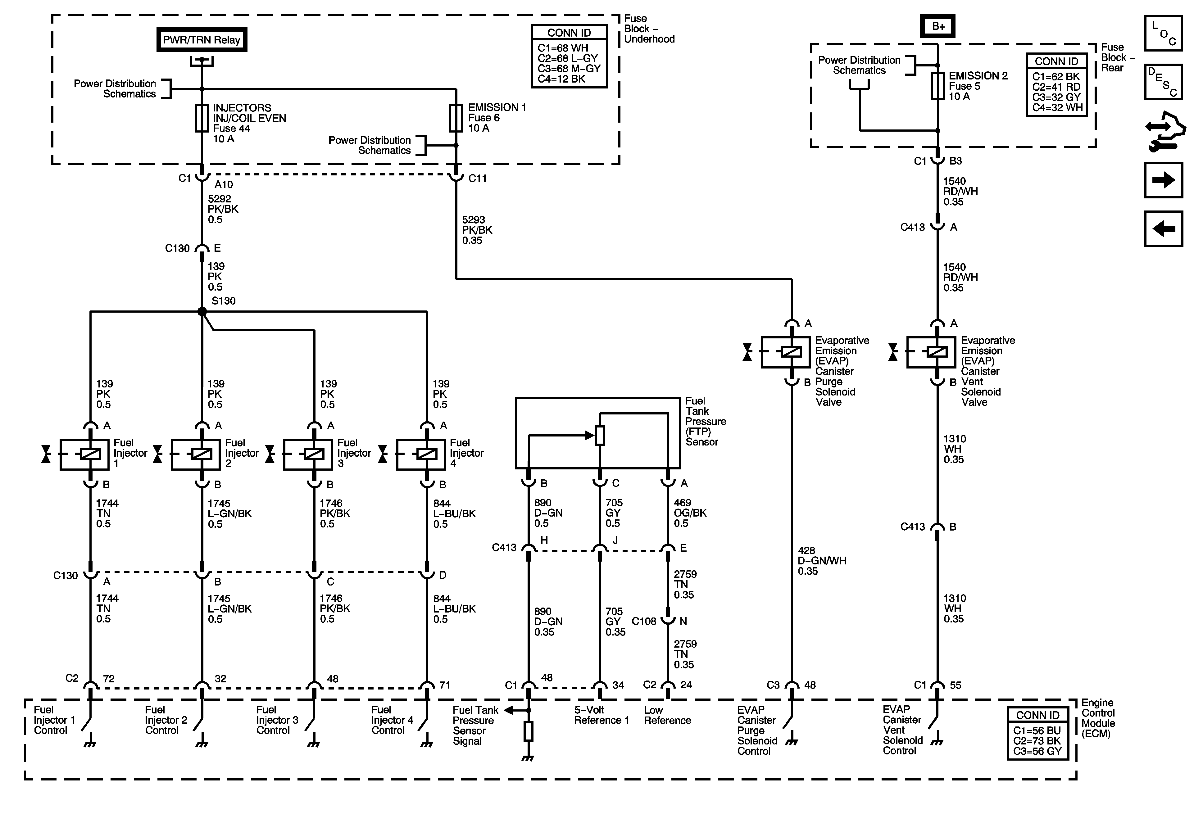
🢒 EVAP Controls, Fuel Injectors and FTP Sensors
EVAP Controls, Fuel Injectors and FTP Sensors
EVAP Controls, Fuel Injectors and FTP Sensors
Master Electrical Component List
Control Module References
Controlled/Monitored Subsystem References
Fuel Pump Controls