GM Service Manual Online
For 1990-2009 cars only
Makes
🢒
Saturn
🢒
2007
🢒
AURA
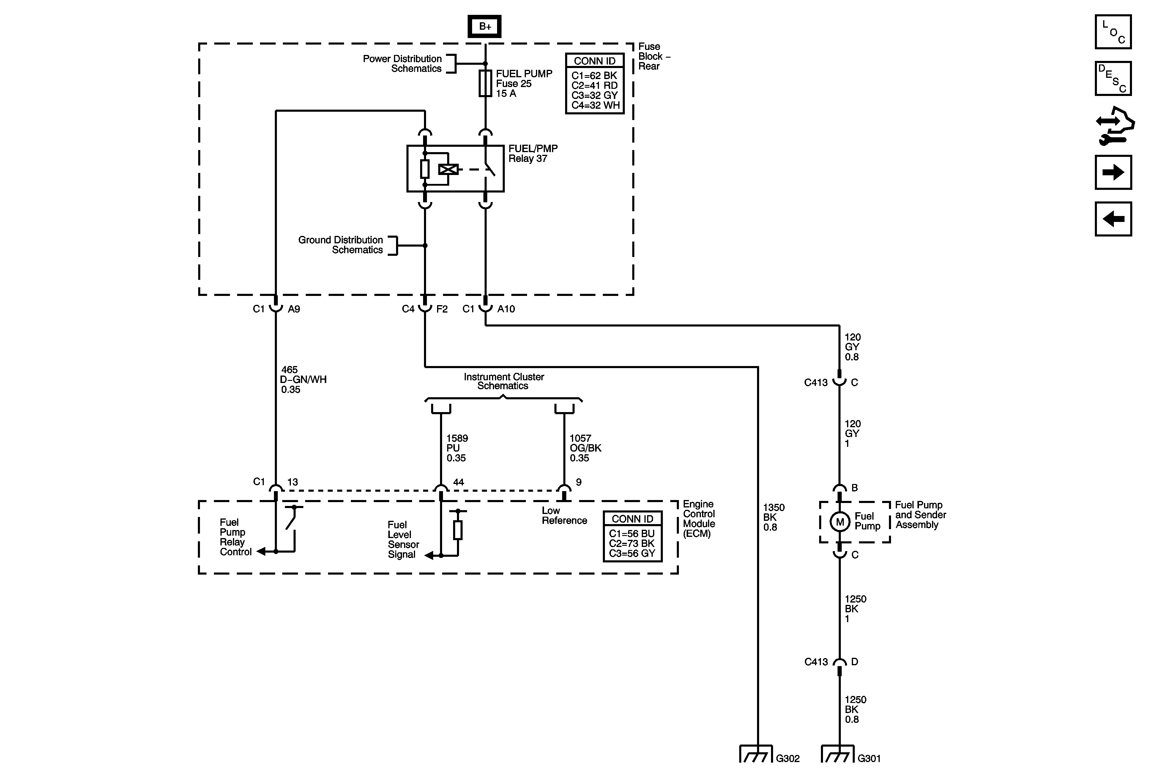
🢒 Fuel Pump Controls
Fuel Pump Controls
Fuel Pump Controls
Master Electrical Component List
Control Module References
EVAP Controls, Fuel Injectors and FTP Sensors
CMP, CKP and KS Sensors
B+ Bus
G302
Indicators
G302
G301