GM Service Manual Online
For 1990-2009 cars only
Makes
🢒
Saturn
🢒
2007
🢒
AURA
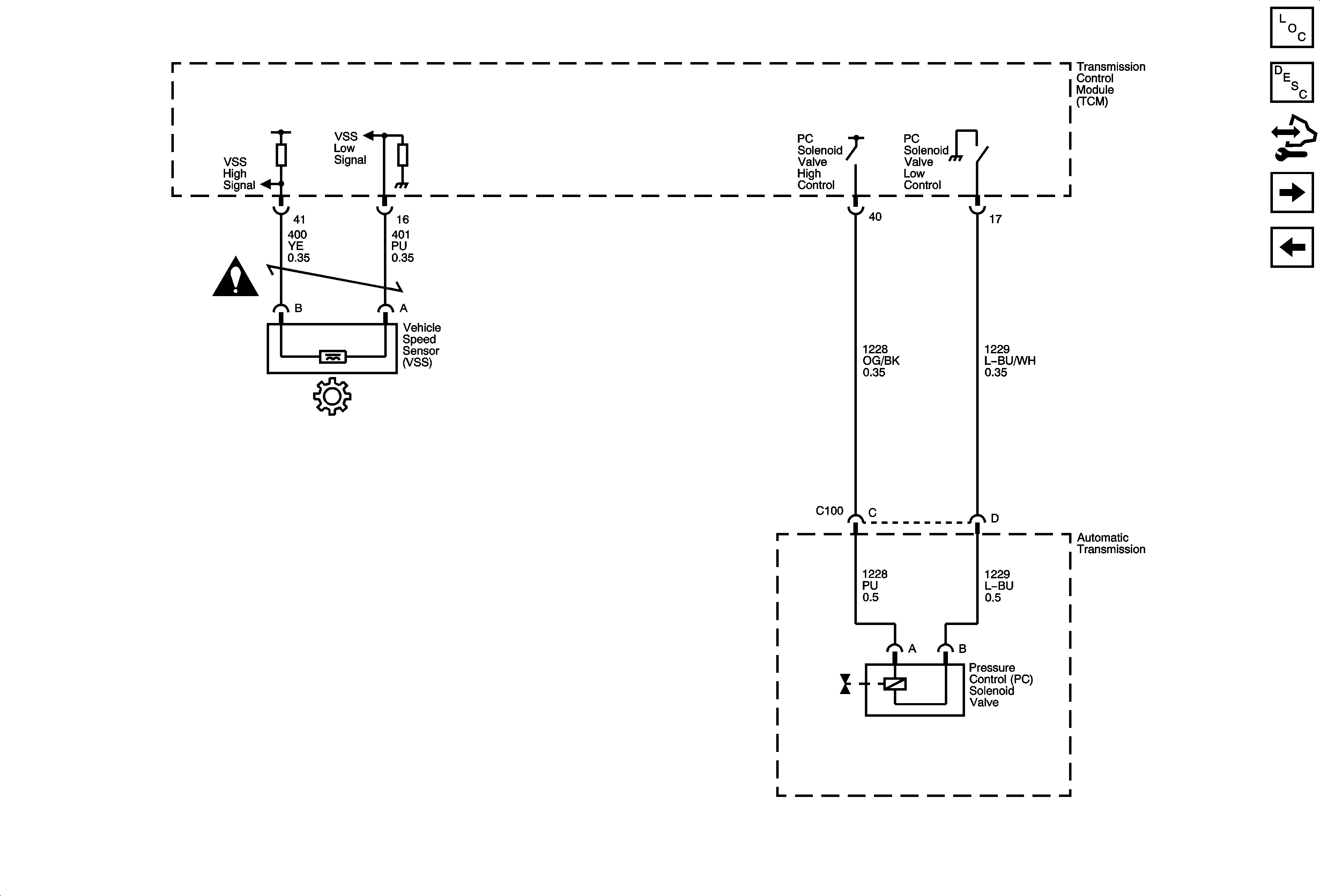
🢒 Pressure Control and VSS
Pressure Control and VSS
Pressure Control and VSS (ME7)
Master Electrical Component List
Control Module References
PNP Switch
Transmission Switches, TFT and A/T ISS Sensor