GM Service Manual Online
For 1990-2009 cars only
Makes
🢒
Saturn
🢒
2008
🢒
Astra
🢒
Driver Information and Entertainment
🢒
Displays and Gages
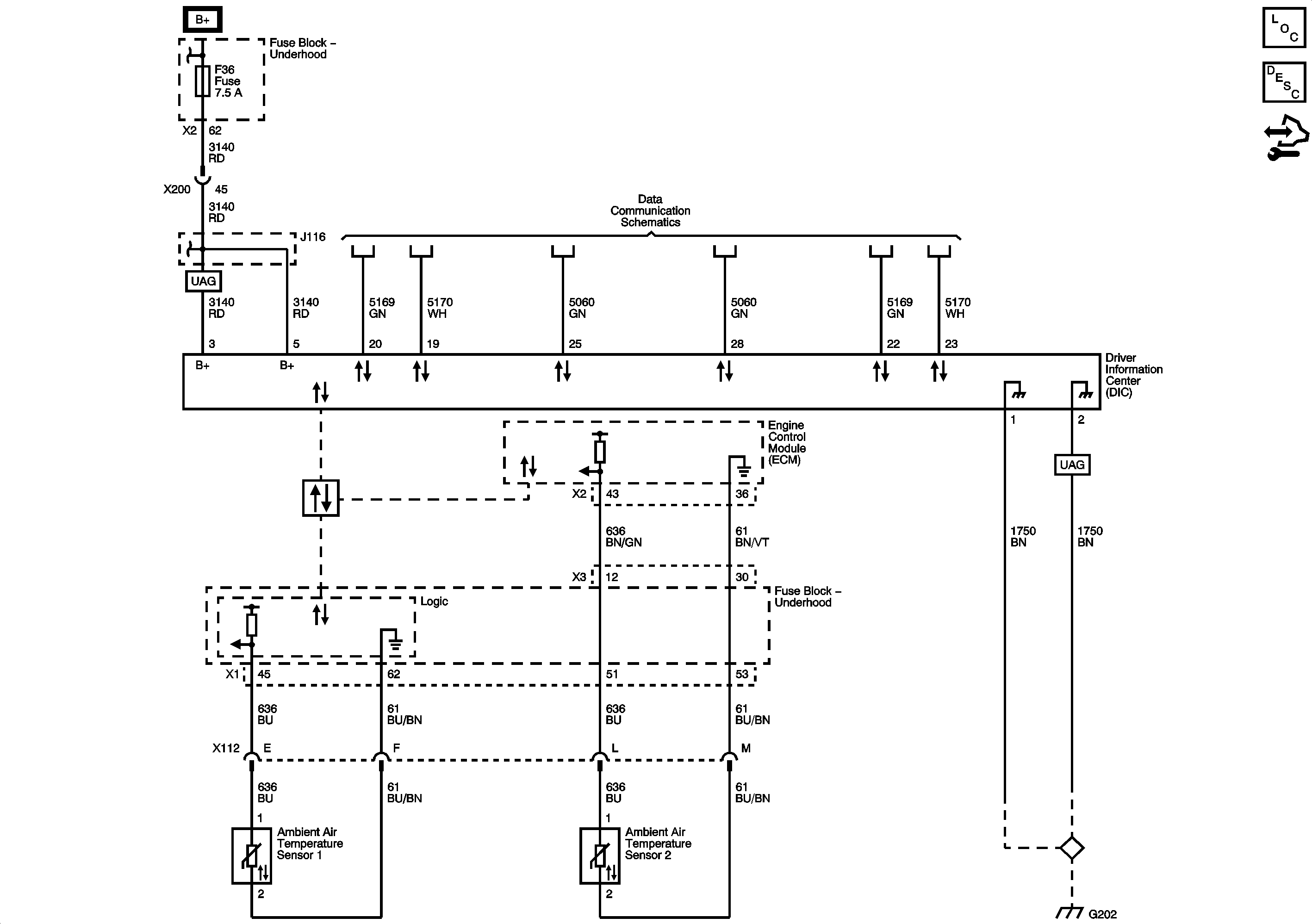
🢒 Driver Information System Schematics
Master Electrical Component List
Driver Information Center (DIC) Description and Operation
Control Module References
B+ Bus 2 of 2
Fuse Block - Underhood F28, F10, F22, F2, F1, and F36 Fuses
Power, Ground, Class 2, and GM Low Speed Serial Data (CAN A)
Power, Ground, Class 2, and GM Low Speed Serial Data (CAN A)
G201 and G202