GM Service Manual Online
For 1990-2009 cars only
Makes
🢒
Saturn
🢒
2008
🢒
Astra
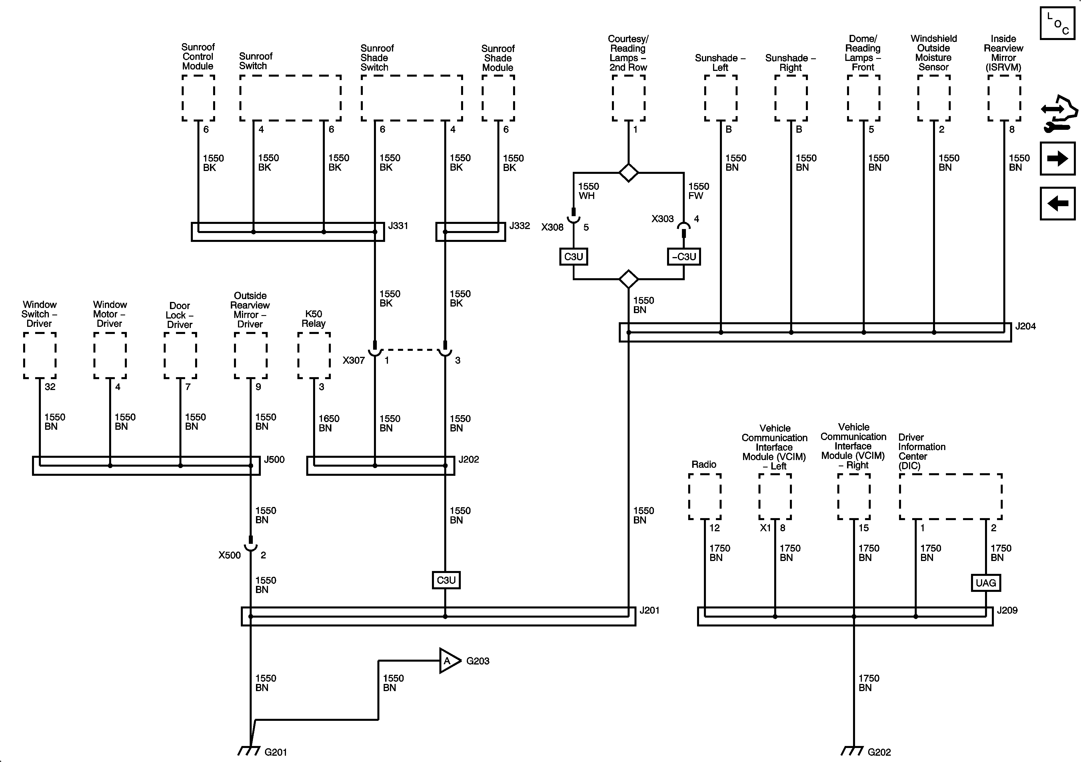
🢒 G201 and G202
G201 and G202
G201 and G202
Master Electrical Component List
Control Module References
G203, G204, and G205
G109 and G110
G203, G204, and G205