GM Service Manual Online
For 1990-2009 cars only
Makes
🢒
Saturn
🢒
2008
🢒
Astra
🢒
Seats
🢒
Seat Heating and Cooling
🢒 Heated/Cooled Seat Schematics
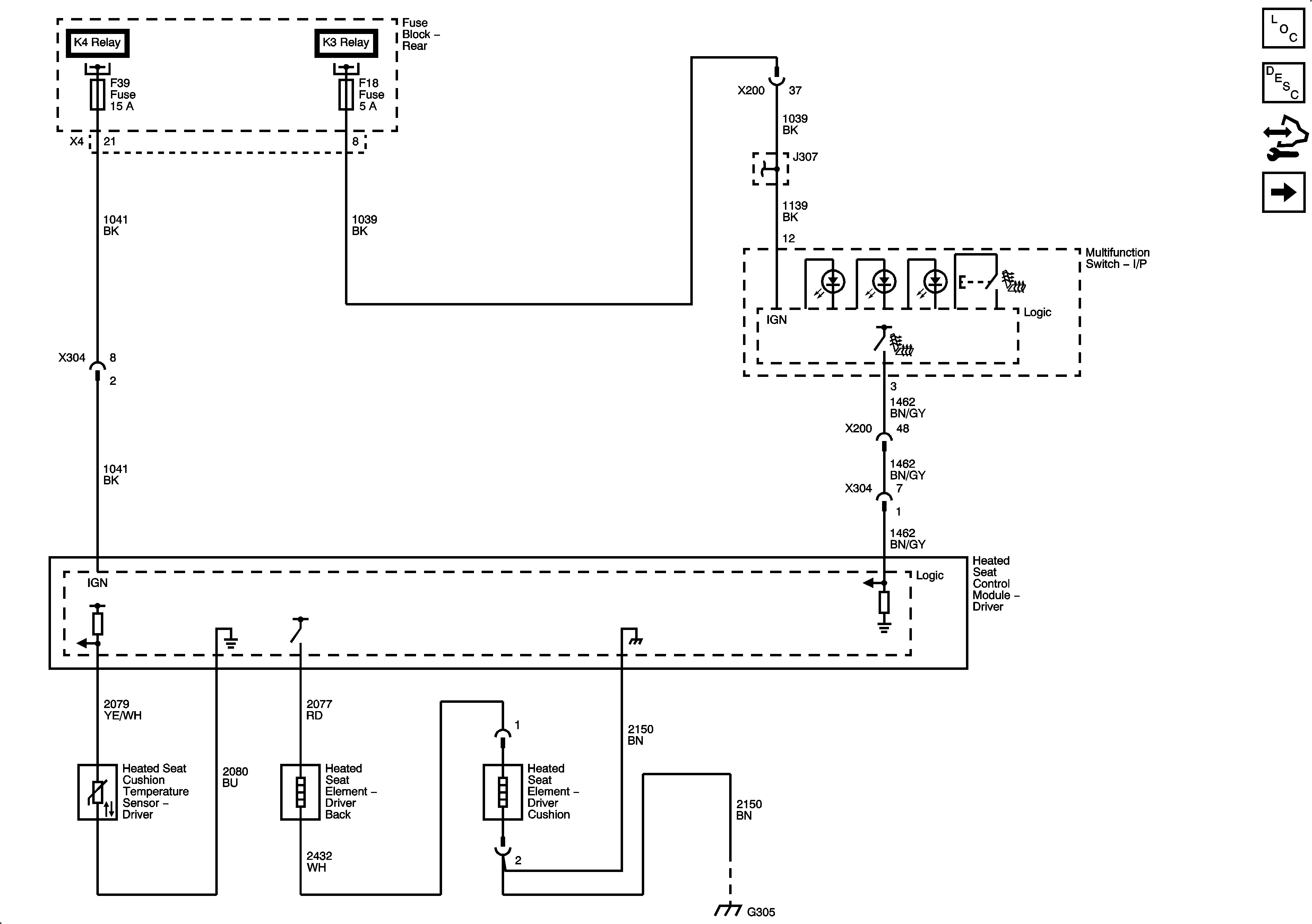
Figure
1:
Driver
Master Electrical Component List
Heated Seats Description and Operation
Control Module References
Passenger
Fuse Block - Rear F40, F39, F14, F16, F17, F18 and F12 Fuses
Fuse Block - Rear F40, F39, F14, F16, F17, F18 and F12 Fuses
Fuse Block - Rear F40, F39, F14, F16, F17, F18 and F12 Fuses
G305
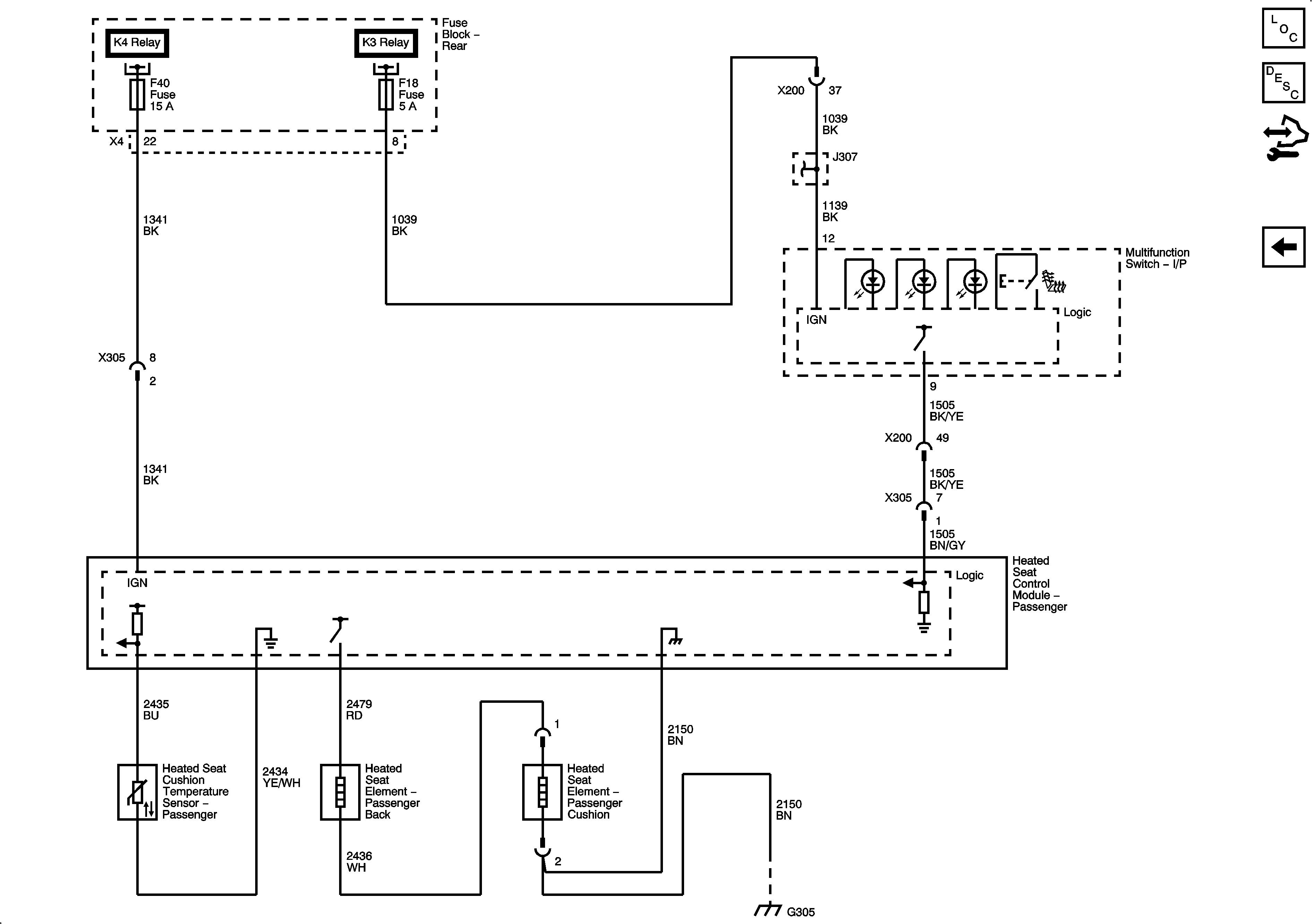
Figure
2:
Passenger
Master Electrical Component List
Heated Seats Description and Operation
Control Module References
Driver
Fuse Block - Rear F40, F39, F14, F16, F17, F18 and F12 Fuses
Fuse Block - Rear F40, F39, F14, F16, F17, F18 and F12 Fuses
Fuse Block - Rear F40, F39, F14, F16, F17, F18 and F12 Fuses
G305