GM Service Manual Online
For 1990-2009 cars only
Makes
🢒
Saturn
🢒
2008
🢒
Astra
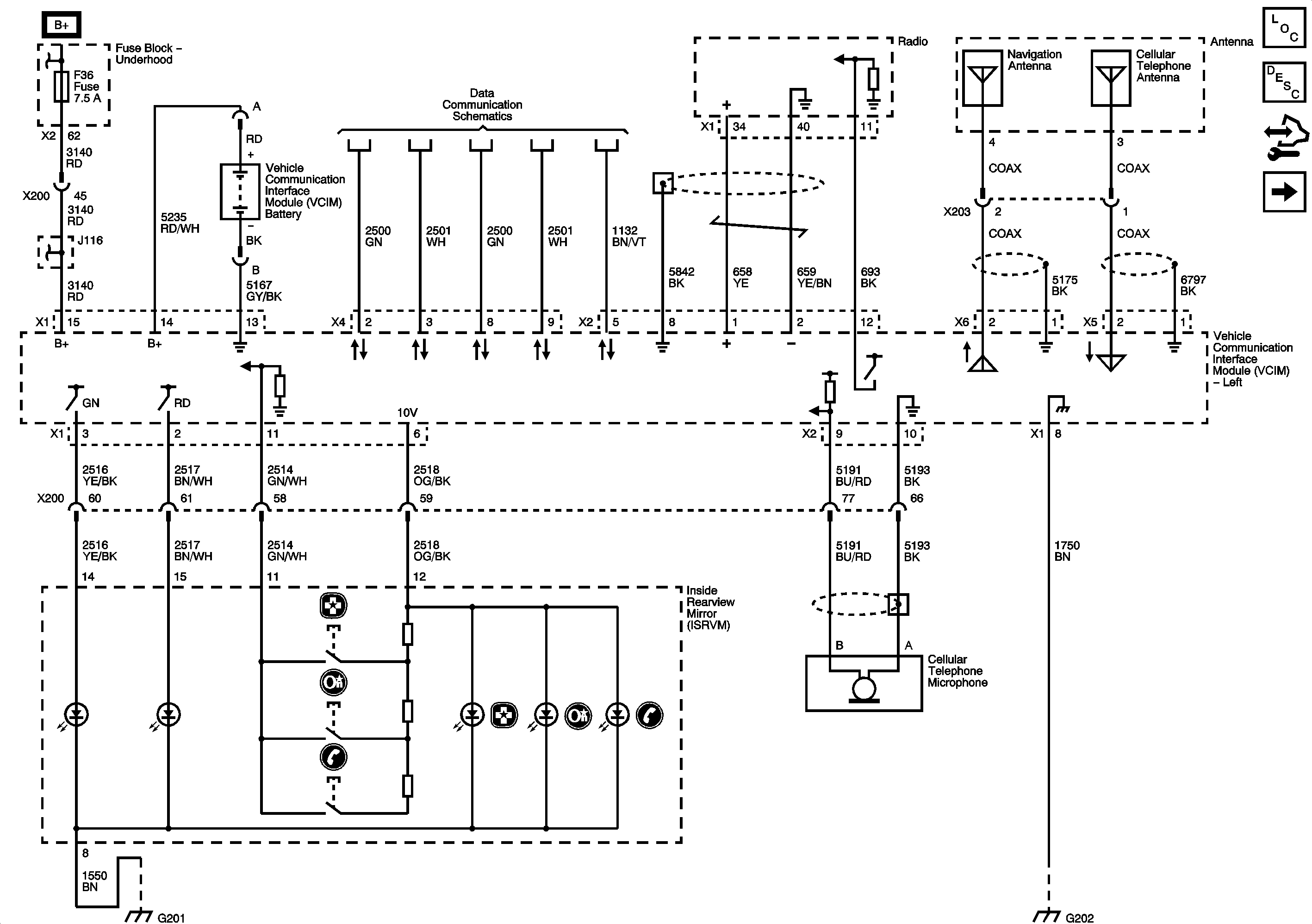
🢒 Vehicle Communication and Interface Module (VCIM) - Left
Vehicle Communication and Interface Module (VCIM) - Left
Vehicle Communication Interface Module (VCIM) - Left
Master Electrical Component List
OnStar Description and Operation
Control Module References
Vehicle Communication and Interface Module (VCIM) - Right
B+ Bus 2 of 2
Fuse Block - Underhood F28, F10, F22, F2, F1, and F36 Fuses
Power, Ground, Class 2, and GM Low Speed Serial Data (CAN A)
G201 and G202
G201 and G202