GM Service Manual Online
For 1990-2009 cars only
Makes
🢒
Saturn
🢒
2008
🢒
Astra
🢒 Power Moding
Power Moding
Master Electrical Component List
Power Mode Description and Operation
Control Module References
B+ Bus 2 of 2
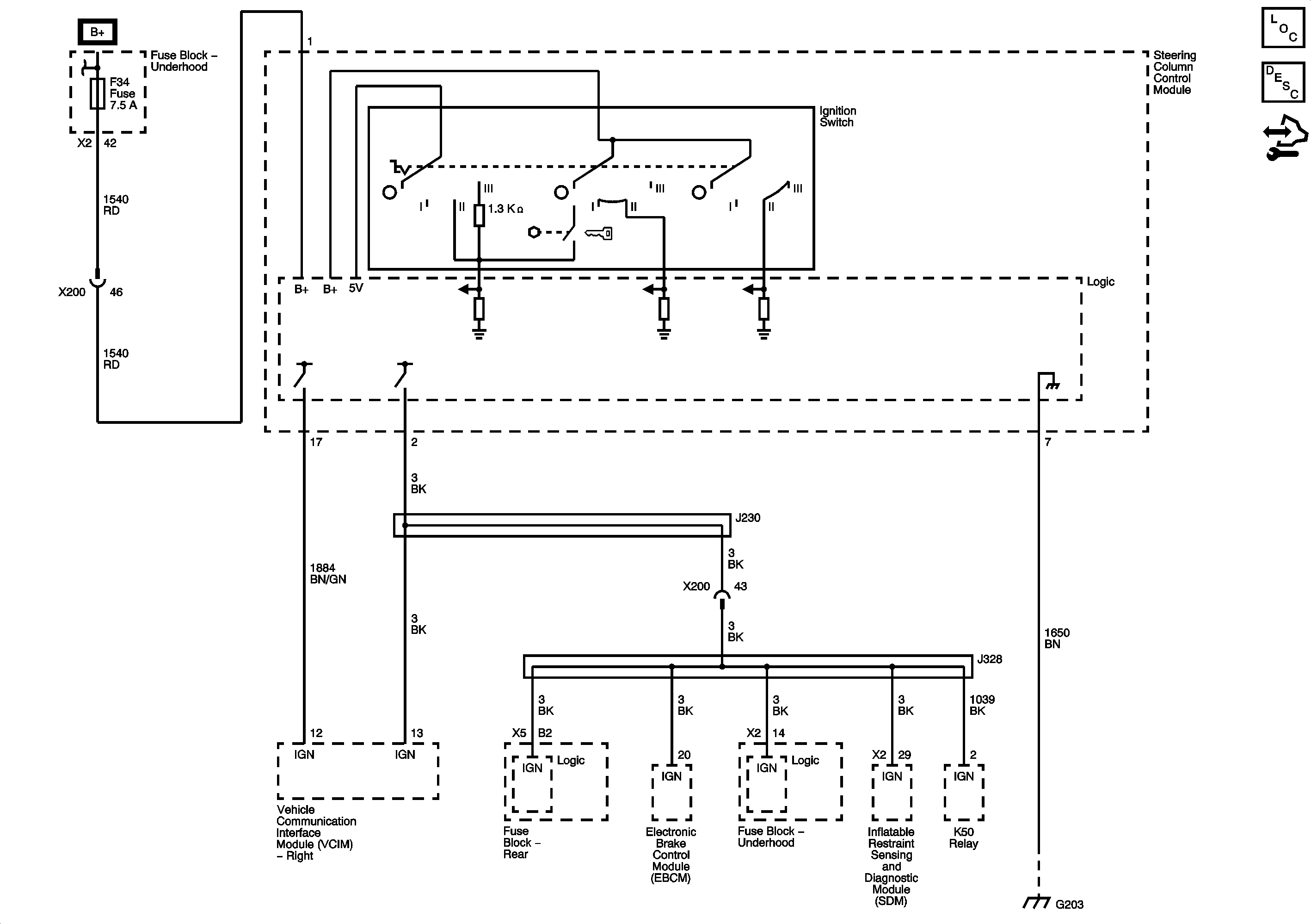
Fuse Block - Underhood F34 Fuse and Ignition Switch
G203, G204, and G205